- Какие характеристики имеет товар Болт откидной М8 ГОСТ 3033-79, DIN 444? ❯
- Какова цена товара Болт откидной М8 ГОСТ 3033-79, DIN 444 и актуальна ли она? ❯
- К какой категории относится товар Болт откидной М8 ГОСТ 3033-79, DIN 444? ❯
- Можно ли заказать доставку товара Болт откидной М8 ГОСТ 3033-79, DIN 444? ❯
- Какие преимущества покупки Болт откидной М8 ГОСТ 3033-79, DIN 444 именно у этого производителя KrepZevs? ❯
- Где можно найти другие товары, похожие на Болт откидной М8 ГОСТ 3033-79, DIN 444? ❯
- ПроизводительKrepZevs
- НаличиеВ наличии
- Форма болтаОткидной
- Материал болтаСталь
- Все характеристики
- Минимальная суммазаказа - 2000 грн
- Надежное сырье и оборудование: Компания использует проверенное сырье и современное оборудование для производства крепежных элементов.
- Опытная команда: Производством стандартных и специальных решений занимается команда профессионалов.
- Сотрудничество с производителями: Компания сотрудничает с ответственными заводами-производителями из Украины и Европы.
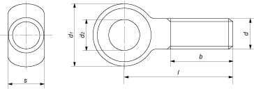
Откидные болты М8 выполняются в соответствии со стандартами ГОСТ 3033-79 и DIN 444. Конструктивно он представляет собой стальной стержень с полной или частичной метрической резьбой. Элементом, передающим крутящий момент, является проушина (ушко).
Такой крепеж зачастую используют в часто разборных конструкциях, так как с их помощью выполняются быстроустанавливаемые и быстросъемные соединения.
Характеристики болта М8 ГОСТ 3033-79, DIN 444
|
Характеристика |
Размер по DIN 444, мм |
Размер по ГОСТ 3033-79, мм |
|
s |
11 |
10 |
|
d1 |
8 |
6 |
|
d2 |
18 |
14 |
|
L |
от 40 до 140 |
от 36 до 80 |
Вес болтов, выполненных в соответствии с ГОСТ 3033-79
|
Длина болта L, мм |
Длина резьбы мм, не менее |
Вес 1000 болтов, кг |
|
36 |
20 |
18 |
|
40 |
25 |
19 |
|
45 |
30 |
21 |
|
50 |
22 |
|
|
55 |
35 |
24 |
|
50 |
26 |
|
|
65 |
28 |
|
|
70 |
40 |
29 |
|
75 |
45 |
31 |
|
80 |
33 |
Наше предприятие может изготовить откидные болты, соответствующие классам прочности 5.8, 6.6, 8.8, 10.9. По желанию заказчика на крепеж может быть нанесено цинковое покрытие. Доставляем крепеж в максимально короткий срок в любой регион Украины.
Болт відкидний М8 ГОСТ 3033-79, DIN 444
Технические характеристики
- Форма болтаОткидной
- Материал болтаСталь
- ПокрытиеГорячее оцинкование
- Наличие гайкиДа
- Метрическая резьба, М8
- Длина болта36 - 80 мм
- Сопровождающий документСертификат
- Гарантийный срок36
- Длина резьбычастичная
- Рекомендованные гайкибарашек ГОСТ 3032-76, DIN 315, с фланцем ГОСТ Р 50592-93, DIN 6923, шестигранные ГОСТ 5915-70, DIN 934
- Материал изготовлениясталь конструкционная легированная|сталь конструкционная углеродистая качественная
- Марка стали35, 45, 40Х, 30ХМА, 25Х1МФ
- Рекомендованные шайбыплоские ГОСТ Р 52646-2006, DIN 125, увеличенные ГОСТ 6958-78, DIN 9021, гровер ГОСТ 6402-70, DIN 127
- СтандартыГОСТ 3033-79|DIN 444
Нет отзывов об этом товаре.
