- Какие характеристики имеет товар Хомут червячный нержавеющий 50х70? ❯
- Какова цена товара Хомут червячный нержавеющий 50х70 и актуальна ли она? ❯
- К какой категории относится товар Хомут червячный нержавеющий 50х70? ❯
- Можно ли заказать доставку товара Хомут червячный нержавеющий 50х70? ❯
- Какие преимущества покупки Хомут червячный нержавеющий 50х70 именно у этого производителя KrepZevs? ❯
- Где можно найти другие товары, похожие на Хомут червячный нержавеющий 50х70? ❯
- ПроизводительKrepZevs
- НаличиеВ наличии
- Область применения хомутаУниверсальный
- Тип хомутаЧервячный
- Все характеристики
- Минимальная суммазаказа - 2000 грн
- Надежное сырье и оборудование: Компания использует проверенное сырье и современное оборудование для производства крепежных элементов.
- Опытная команда: Производством стандартных и специальных решений занимается команда профессионалов.
- Сотрудничество с производителями: Компания сотрудничает с ответственными заводами-производителями из Украины и Европы.
Хомут червячный нержавеющий 50х70 – элемент крепления шлангов, патрубков и труб, как в быту, так и на производстве. Конструкция данного изделия обеспечивает необходимый зазор и оптимальный угол резьбы в паре винт-лента, что позволяет равномерно распределить усилие сжатия по периметру и увеличить предельный момент затяжки.
Производят крепеж из нержавеющей стали, которая позволяет его эксплуатацию при различных температурных режимах, а так же в агрессивной среде. Отбортовка по краям ленты не повреждает шланги, а сглаженные кромки ограждают руки от травмы. Для монтажа/демонтажа используется гаечный ключ или отвертки (шлицевая, крестовая).
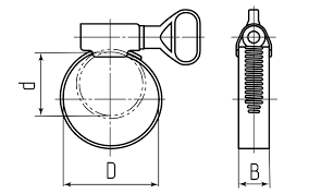
Схема хомута

Размерный ряд:
Ø8-12 мм
Ø12-20 мм
Ø16-25 мм
Ø20-32 мм
Ø25-40 мм
Ø30-45 мм
Ø40-60 мм
Ø55-70 мм
Ø65-80 мм
Ø75-95 мм
Ø90-110 мм
Ø105-120 мм
Ø115-130 мм
Ø125-140 мм
Ø140-160 мм
Ø155-190 мм
Ø190-205 мм
Заказать хомут червячный нержавеющий можно на сайте компании «Зевс» по цене ниже рынка на 3-10%. Покупая товар на нашем предприятии, вы получаете продукцию после предварительной проверки в ОТК. В нашем каталоге представлен большой ассортимент крепежа с разными типоразмерами. Мы изготавливаем метизы по чертежам заказчика. Быстрое оформление заказа на нашем сайте, или по телефону.
Хомут черв'ячний нержавіючий 50х70
Технические характеристики
- Область применения хомутаУниверсальный
- Тип хомутаЧервячный
- Материал хомутаНержавеющая сталь
- Наличие резиновой прокладкиНет
- Гарантийный срок36
- СостояниеНовое
Нет отзывов об этом товаре.
