- Какие характеристики имеет товар Мотор-редуктор 3МП-50 (2 ступени, 22.4 об/мин, АИР90L6)? ❯
- Какова цена товара Мотор-редуктор 3МП-50 (2 ступени, 22.4 об/мин, АИР90L6) и актуальна ли она? ❯
- К какой категории относится товар Мотор-редуктор 3МП-50 (2 ступени, 22.4 об/мин, АИР90L6)? ❯
- Можно ли заказать доставку товара Мотор-редуктор 3МП-50 (2 ступени, 22.4 об/мин, АИР90L6)? ❯
- Какие преимущества покупки Мотор-редуктор 3МП-50 (2 ступени, 22.4 об/мин, АИР90L6) именно у этого производителя KrepZevs? ❯
- Где можно найти другие товары, похожие на Мотор-редуктор 3МП-50 (2 ступени, 22.4 об/мин, АИР90L6)? ❯
- ПроизводительKrepZevs
- НаличиеВ наличии
- ТипМотор-редуктор
- Тип редуктораПланетарный
- Все характеристики
- Минимальная суммазаказа - 2000 грн
- Надежное сырье и оборудование: Компания использует проверенное сырье и современное оборудование для производства крепежных элементов.
- Опытная команда: Производством стандартных и специальных решений занимается команда профессионалов.
- Сотрудничество с производителями: Компания сотрудничает с ответственными заводами-производителями из Украины и Европы.
Мотор-редуктор 3МП-50 (22.4 об/мин, 2 ступени, АИР90L6)
Мотор-редуктор 3МП-50 (22.4 об/мин, 2 ступени, АИР90L6) способен работать в условиях постоянной и переменной нагрузки, в одном или реверсивном направлении. Тихоходный вал вращается в любую сторону без предпочтения.
Конструкция преобразователя включает асинхронный электродвигатель и зубчатый редуктор с планетарной передачей. Монтируют оборудование на электромеханические приводы машин и агрегаты общепромышленного назначения.
Оборудование имеет высокий крутящий момент и КПД, широкие кинематические возможности, большие передаточные числа. Способно равномерно распределять радиальные силы вдоль корпуса. Основное отличие агрегата — высокая устойчивость к ударным нагрузкам, относительно небольшие габариты и масса.
Условия использования мотор-редуктора 3МП 50
|
Характеристика |
Значение |
|
Тип нагрузки |
Постоянная, переменная |
|
Направление вращения тихоходного вала |
Однонаправленное или реверсивное |
|
Режим работы |
Длительная или с периодическими остановками |
|
Климатическое исполнение |
У, Т, категория размещения 2,3 |
|
Температурный диапазон |
От -45 до +45˚С |
|
Внешняя среда |
Неагрессивная, невзрывоопасная, с содержанием непроводящей пыли до 10мг/м3 |
Основные технические характеристики мотор-редуктора 3МП 50 (22.4 об/мин, АИР90L6)
|
Частота вращения выходного вала об/мин |
Количество ступеней |
КПД мотор-редуктора не менее % |
Масса Редуктора кг |
Допускаемая радиально-консольная нагрузка на выходном валу, Н |
Комплектующий электродвигатель |
|
|
Марка |
Мощность кВт |
|||||
|
22.4 |
2 |
86% |
74 |
5970 |
АИР90L6 |
1,5 |
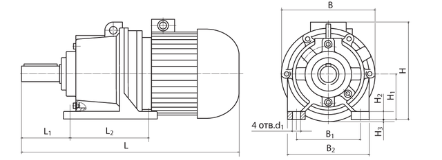
Конструкция и габаритные размеры мотор-редуктора 3МП 50 (22.4 об/мин, АИР90L6)
Габаритные и присоединительные размеры мотор-редуктора 3МП 50 (исполнение — на лапах)

|
Обозначение мотор-редуктора |
Частота вращения выходного вала об/мин |
L |
B |
H |
L1 |
L2 |
B1 |
B2 |
H1 |
H2 |
H3 |
d1 |
|
Не более |
||||||||||||
|
3МП-50 |
22.4 |
637 |
270 |
295 |
145 |
210 |
220 |
266 |
132 |
22 |
- |
22 |
Конструкция и габаритные размеры мотор-редуктора 3МП 50 (22.4 об/мин, АИР90L6)
Габаритные и присоединительные размеры мотор-редуктора 3МП 50 (исполнение — фланец)

|
Обозначение мотор-редуктора |
Частота вращения выходного вала об/мин |
L |
B |
L3 |
L4 |
L5 |
D |
D1 |
D2 |
d2 |
n |
|
Не более |
|||||||||||
|
3МП-50 |
22.4 |
637 |
270 |
8 |
18 |
124 |
250 |
180 |
215 |
17 |
6 |
Присоединительные размеры цилиндрических валов мотор-редуктора 3МП
|
Мотор-редуктор |
d |
l |
b |
t |
|
3МП-50 |
45k6 |
110 |
14 |
48,5 |
Присоединительные размеры конических валов мотор-редуктора 3МП
|
Мотор-редуктор |
d |
d1 |
l |
l1 |
b |
t |
|
3МП-50 |
45 |
М30х2,0 |
110 |
82 |
12 |
23,45 |
Присоединительные размеры полых валов мотор-редуктора 3МП
|
Мотор-редуктор |
d |
l |
b |
t |
|
3МП-50 |
40Н7 |
80 |
12 |
43,3 |
Купить мотор-редуктор 3МП-50 (22.4 об/мин, 2 ступени, АИР90L6) с гарантией 12 месяцев можно на сайте компании «Зевс». Мы предоставляем своим клиентам только качественное 100% новое оборудование. Вся продукция поставляется в комплекте с паспортами. Доставка осуществляется во все регионы Украины в четко оговоренные сроки.
Мотор-редуктор 3МП-50 (2 ступені, 22.4 об/хв, АІР90L6)
Технические характеристики
- ТипМотор-редуктор
- Тип редуктораПланетарный
- Количество рабочих ступеней2
- Вес74
- Способ крепленияНа лапах, фланец
- Частота вращения выходного вала22.4
- КПД74
- Марка двигателяАИР90L6
- Материал корпусаСталь|Чугун|Алюминий
- Мощность, кВт1,5
- СостояниеНовое
Нет отзывов об этом товаре.
