- Какие характеристики имеет товар Редуктор РМ-750-16? ❯
- Какова цена товара Редуктор РМ-750-16 и актуальна ли она? ❯
- К какой категории относится товар Редуктор РМ-750-16? ❯
- Можно ли заказать доставку товара Редуктор РМ-750-16? ❯
- Какие преимущества покупки Редуктор РМ-750-16 именно у этого производителя KrepZevs? ❯
- Где можно найти другие товары, похожие на Редуктор РМ-750-16? ❯
- ПроизводительKrepZevs
- НаличиеВ наличии
- ТипРедуктор
- Тип редуктораЦилиндрический
- Все характеристики
- Минимальная суммазаказа - 2000 грн
- Надежное сырье и оборудование: Компания использует проверенное сырье и современное оборудование для производства крепежных элементов.
- Опытная команда: Производством стандартных и специальных решений занимается команда профессионалов.
- Сотрудничество с производителями: Компания сотрудничает с ответственными заводами-производителями из Украины и Европы.
Редуктор РМ-750-16 цилиндрический
Использование цилиндрических редукторов РМ-750-16 производится повсеместно. Они могут быть установлены в приводы валкового оборудования, в лебедках, различных дробилках, мешалках и измельчителях, в устройства управления металлорежущими станками и иное промышленное оборудование. Редукторы именуются двухступенчатыми горизонтальными с параллельно расположенными валами. Механизм может использовать как в продолжительном, так и прерывистом режиме работы. Основные характеристики оборудования можно увидеть в приведенной ниже таблице.
При выборе промышленного оборудования не можете определиться с наиболее подходящим аппаратом? Звоните в компанию «Зевс» - менеджеры нашего завода помогут вам найти лучший вариант редуктора, мотор-редуктора, лебедки, насоса или иного гидравлического механизма для создания оптимальных условий в ходе работы.
У нас собственное производство, потому цена на редуктор в Украине в компании «Зевс» минимальна. Звоните нашим опытным консультантам, чтобы получить помощь в выборе преобразователя и купить редуктор РМ-750 на выгодных условиях.
Основные эксплуатационные характеристики преобразователя
|
Характеристика |
Значение |
|
Тип нагрузки |
Постоянная, переменная |
|
Направление |
Прямое, реверсивное |
|
Частота вращения входного вала, не более, |
1500 об/мин |
|
Температурный диапазон |
-40 - +50°C |
|
Климатическое исполнение |
У, Т (1 - 4) ГОСТ 15150-69 |
Конструкция редуктора РМ

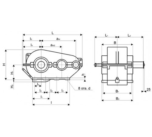
Габаритные и присоединительные размеры
|
L |
L1 |
L2 |
L3 |
L4 |
L5 |
B |
B1 |
B2 |
H |
H1 |
H2 |
H3 |
в |
n |
|
1448 |
1025 |
825 |
275 |
475 |
450 |
510 |
510 |
450 |
743 |
320 |
130 |
35 |
25 |
8 |
Основные технические характеристики редуктора
|
Передаточное число u |
Мт, Н*м |
Масса редуктора, кг |
Awc |
AwT |
AwБ |
|
16 |
15000 |
1030 |
750 |
450 |
300 |
Размеры конца входного и выходного вала

|
Входной вал |
Выходной вал |
||||||||||||
|
d1 |
d2 |
d3 |
d4 |
l |
l1 |
b |
h |
t |
d5 |
d6 |
l2 |
t1 |
b1 |
|
60 |
М42хЗ |
94 |
54.75 |
140 |
105 |
16 |
10 |
6 |
110 |
130 |
165 |
120 |
28 |
Размеры конца выходного вала в виде зубчатой муфты

|
m |
z |
A |
k |
k1 |
k2 |
k3 |
D |
d1 |
|
6 |
56 |
75 |
32 |
40 |
16 |
68 |
260 |
170 |
Вариант сборки редуктора

Пример условного обозначения

Редуктор РМ-750-16
Технические характеристики
- ТипРедуктор
- Тип редуктораЦилиндрический
- Количество рабочих ступеней2
- Вес1030
- Расположение валов редуктораГоризонтальное
- Номинальное передаточное число16
- Способ крепленияНа лапки
- Тип рабочей нагрузкипостоянная, переменная
- СостояниеНовое
Нет отзывов об этом товаре.
