- Какие характеристики имеет товар Редуктор цилиндрический 1Ц2У-160-31.5? ❯
- Какова цена товара Редуктор цилиндрический 1Ц2У-160-31.5 и актуальна ли она? ❯
- К какой категории относится товар Редуктор цилиндрический 1Ц2У-160-31.5? ❯
- Можно ли заказать доставку товара Редуктор цилиндрический 1Ц2У-160-31.5? ❯
- Какие преимущества покупки Редуктор цилиндрический 1Ц2У-160-31.5 именно у этого производителя KrepZevs? ❯
- Где можно найти другие товары, похожие на Редуктор цилиндрический 1Ц2У-160-31.5? ❯
- ПроизводительKrepZevs
- НаличиеВ наличии
- ТипРедуктор
- Тип редуктораЦилиндрический
- Все характеристики
- Минимальная суммазаказа - 2000 грн
- Надежное сырье и оборудование: Компания использует проверенное сырье и современное оборудование для производства крепежных элементов.
- Опытная команда: Производством стандартных и специальных решений занимается команда профессионалов.
- Сотрудничество с производителями: Компания сотрудничает с ответственными заводами-производителями из Украины и Европы.
Цилиндрический двухступенчатый редуктор 1Ц2У-160-31.5
Двухступенчатый редуктор 1Ц2У-160-31.5 используют для преобразования крутящего момента в приводах различных механизмов, машин и различных промышленных установок. Предназначен для установки в горизонтальном положении на твердую поверхность.
Валы устройства расположены параллельно, концы могут иметь коническую или цилиндрическую форму. Рабочая среда, для оптимальной и стабильной работы редуктора, не должна быть сильно запыленной. Скорость вращения входного вала не должна превышать 1800 оборотов за 60 секунд.
Купить цилиндрический редуктор 1Ц2У-160, цена которого зависит от варианта сборки и передаточного числа, вы можете просто позвонив по телефону, указанному на сайте. По желанию, можно оформить заказ on-line в любое удобное для вас время. Наши менеджеры сами свяжутся с вами в ближайшее время, для уточнения всех нюансов заказа. У нас существует очень выгодная система скидок для постоянных и оптовых покупателей. Если вам нужна консультация или вы колеблетесь с выбором, наши менеджеры ответят на все ваши вопросы и помогут с выбором. Мы предоставляем нашим клиентам товары высочайшего качества по разумной цене, с доставкой по всей Украине.
Схема габаритных и присоединительных размеров редуктора 1Ц2У-160

| Типоразмер | wт | wб | A | B | 1 | H | 1 | h | L | 1 | 2 | 3 | 4 | 5 | d |
| 1Ц2У- 160-31,5 | 160 | 100 | 425 | 195 | 140 | 335 | 170 | 24 | 545 | 475 | 135 | 195 | 170 | 224 | 24 |
Присоединительные размеры конических валов редуктора 1Ц2У-160

| Типоразмер | быстроходный | тихоходный | ||||||||||
| d | 1 | l | 1 | b | t | d | 1 | l | 1 | b | t | |
| 1Ц2У-160-31,5 | 25 | М16х1,5 | 60 | 42 | 5 | 13,45 | 55 | М36х3,0 | 110 | 82 | 14 | 28,95 |
Присоединительные размеры цилиндрических валов редуктора 1Ц2У-160

| Типоразмер | быстроходный | тихоходный | ||||||
| d | l | b | t | d | l | b | t | |
| 1Ц2У-160-31,5 | 22k6 | 42 | 6 | 24,5 | 50m6 | 105 | 14 | 53,5 |
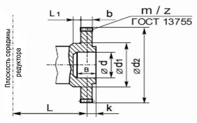
Присоединительные размеры в виде зубчатой полумуфты редуктора 1Ц2У-160

| Типоразмер | b | d | 1 | 2 | 3 | L | l | 1 | Зацепление | |
| m | z | |||||||||
| 1Ц2У-160-31,5 | 20 | 168 | 90 | 72F8 | 95 | 165 | 9 | 38 | 4 | 40 |
Технические характеристики редуктора 1Ц2У-160
| Наименование технических характеристик | Ед. изм. | Типоразмер | |
| 1Ц2У-160 | |||
| Передаточные числа | 31,5 | ||
| Допускаемая радиальная консольная нагрузка |
на быстроходном валу | Н | 1000 |
| на тихоходном валу | 9000 | ||
| Номинальный крутящий момент на тихоходном валу | Н.м | 1250 | |
| КПД | % | 0,97 | |
| Масса | кг | 95 | |
Варианты сборки редукторов 1Ц2У

Пример условного обозначения редуктора 1Ц2У-160

Редуктор циліндричний 1Ц2У-160-31.5
Технические характеристики
- ТипРедуктор
- Тип редуктораЦилиндрический
- Количество рабочих ступеней2
- Тип корпусаЛитой
- Частота вращения входного вала1800
- Вес95
- Расположение валов редуктораГоризонтальное
- Номинальное передаточное число31.5
- Способ крепленияНа лапки
- Тип рабочей нагрузкиРеверсивная
- Материал корпусаалюминий, сталь, чугун
- Сопровождающий документПаспорт
- Гарантия12 месяцев
- СостояниеНовое
Нет отзывов об этом товаре.
