- Какие характеристики имеет товар Редуктор цилиндрический 1Ц2У-200-31.5? ❯
- Какова цена товара Редуктор цилиндрический 1Ц2У-200-31.5 и актуальна ли она? ❯
- К какой категории относится товар Редуктор цилиндрический 1Ц2У-200-31.5? ❯
- Можно ли заказать доставку товара Редуктор цилиндрический 1Ц2У-200-31.5? ❯
- Какие преимущества покупки Редуктор цилиндрический 1Ц2У-200-31.5 именно у этого производителя KrepZevs? ❯
- Где можно найти другие товары, похожие на Редуктор цилиндрический 1Ц2У-200-31.5? ❯
- ПроизводительKrepZevs
- НаличиеВ наличии
- ТипРедуктор
- Тип редуктораЦилиндрический
- Все характеристики
- Минимальная суммазаказа - 2000 грн
- Надежное сырье и оборудование: Компания использует проверенное сырье и современное оборудование для производства крепежных элементов.
- Опытная команда: Производством стандартных и специальных решений занимается команда профессионалов.
- Сотрудничество с производителями: Компания сотрудничает с ответственными заводами-производителями из Украины и Европы.
Цилиндрический двухступенчатый редуктор 1Ц2У-200-31.5
Цилиндрический редуктор 1Ц2У-200-31.5 имеет две ступени и параллельное расположение валов, которые обеспечивают оптимизацию производственного процесса, путем понижения угловой скорости и увеличения крутящего монета. Данные преобразование энергии помогают не нагружать электродвигатель, при выполнении все возможных работ.
Вали редуктора имеют разностороннее направление вращения, что позволяет применять редуктор с реверсивными нагрузками. Но следует помнить, что при работе агрегата с подобными нагрузками необходимо уменьшить скорость входного вала на 30 %.
На нашем сайте вы можете найти большой выбор цилиндрических редукторов. Купить редуктор 1Ц2У-200 можно, позвонив по телефону, указанному на сайте. Наши менеджеры предоставят вам развернутую информацию относительно характеристик редуктора, условий приобретения и доставки. Доставка возможна в любую точку Украины в самые ближайшие сроки.
Схема габаритных и присоединительных размеров редуктора 1Ц2У-200

| Типоразмер | wт | wб | A | B | 1 | H | 1 | h | L | 1 | 2 | 3 | 4 | 5 | d |
| 1Ц2У- 200-31,5 | 200 | 125 | 515 | 230 | 165 | 420 | 212 | 30 | 670 | 580 | 165 | 236 | 212 | 280 | 24 |
Присоединительные размеры конических валов редуктора 1Ц2У-200

| Типоразмер | быстроходный | тихоходный | ||||||||||
| d | 1 | l | 1 | b | t | d | 1 | l | 1 | b | t | |
| 1Ц2У-200-31,5 | 30 | М20х1,5 | 80 | 58 | 5 | 15,55 | 70 | М48х3,0 | 140 | 105 | 18 | 36,38 |
Присоединительные размеры цилиндрических валов редуктора 1Ц2У-200

| Типоразмер | быстроходный | тихоходный | ||||||
| d | l | b | t | d | l | b | t | |
| 1Ц2У-200-31,5 | 25k6 | 58 | 8 | 28 | 65m6 | 105 | 18 | 69 |
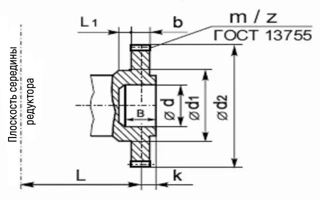
Присоединительные размеры в виде зубчатой полумуфты редуктора 1Ц2У-200

| Типоразмер | b | d | 1 | 2 | 3 | L | l | 1 | Зацепление | |
| m | z | |||||||||
| 1Ц2У-200-31,5 | 25 | 210 | 100 | 80F8 | 105 | 192 | 10 | 50 | 5 | 40 |
Технические характеристики редуктора 1Ц2У-200
| Наименование технических характеристик | Ед. изм. | Типоразмер | |
| 1Ц2У-200 | |||
| Передаточные числа | 31,5 | ||
| Допускаемая радиальная консольная нагрузка |
на быстроходном валу | Н | 2240 |
| на тихоходном валу | 12500 | ||
| Номинальный крутящий момент на тихоходном валу | Н.м | 2500 | |
| КПД | % | 0,97 | |
| Масса | кг | 170 | |
Варианты сборки редукторов 1Ц2У

Пример условного обозначения редуктора 1Ц2У-200

Редуктор циліндричний 1Ц2У-200-31.5
Технические характеристики
- ТипРедуктор
- Тип редуктораЦилиндрический
- Количество рабочих ступеней2
- Тип корпусаЛитой
- Частота вращения входного вала1800
- Вес170
- Расположение валов редуктораГоризонтальное
- Номинальное передаточное число31.5
- Способ крепленияНа лапки
- Тип рабочей нагрузкипостоянная, переменная, реверсивная
- Материал корпусаалюминий, сталь, чугун
- Сопровождающий документПаспорт
- Межосевое расстояние200
- Гарантия12 месяцев
- СостояниеНовое
Нет отзывов об этом товаре.
