- Какие характеристики имеет товар Редуктор цилиндрический 1Ц2У-250-31.5? ❯
- Какова цена товара Редуктор цилиндрический 1Ц2У-250-31.5 и актуальна ли она? ❯
- К какой категории относится товар Редуктор цилиндрический 1Ц2У-250-31.5? ❯
- Можно ли заказать доставку товара Редуктор цилиндрический 1Ц2У-250-31.5? ❯
- Какие преимущества покупки Редуктор цилиндрический 1Ц2У-250-31.5 именно у этого производителя KrepZevs? ❯
- Где можно найти другие товары, похожие на Редуктор цилиндрический 1Ц2У-250-31.5? ❯
- ПроизводительKrepZevs
- НаличиеВ наличии
- ТипРедуктор
- Тип редуктораЦилиндрический
- Все характеристики
- Минимальная суммазаказа - 2000 грн
- Надежное сырье и оборудование: Компания использует проверенное сырье и современное оборудование для производства крепежных элементов.
- Опытная команда: Производством стандартных и специальных решений занимается команда профессионалов.
- Сотрудничество с производителями: Компания сотрудничает с ответственными заводами-производителями из Украины и Европы.
Цилиндрический двухступенчатый редуктор 1Ц2У-250-31.5
Редуктор 1Ц2У-250-31.5, цена которого зависит от варианта сборки, предназначены для установки в различных производственно-промышленных сферах для оптимизации производственного процесса. Основная задача преобразователя состоит в получении необходимых значений скорости вращения валов и крутящего момента, который приводит в движение устройство.
Данные редукторы являются самыми мощными из своей линии. А также их ценят за высокий уровень КПД, выносливость и длительный эксплуатационный срок.
Купить редукторы 1Ц2У-250, цена которых более чем приемлема, можно на нашем сайте компании «Зевс», заполнив on-line заявку. В нашем каталоге вы также найдете большой ассортимент цилиндрических редукторов типа 1Ц2У. Подобрать необходимый монтажный вариант очень просто, так как данные преобразователи имеют большое количество вариантов сборки.
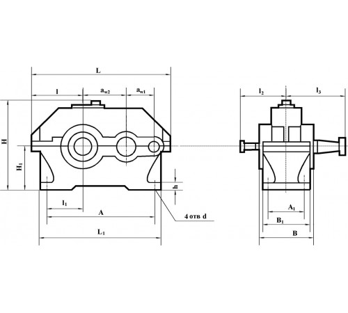
Схема габаритных и присоединительных размеров редуктора 1Ц2У-250

| Типоразмер | wт | wб | A | B | 1 | H | 1 | h | L | 1 | 2 | 3 | 4 | 5 | d |
| 1Ц2У- 250-31,5 | 250 | 160 | 670 | 280 | 218 | 515 | 265 | 32 | 825 | 730 | 212 | 290 | 265 | 335 | 28 |
Присоединительные размеры конических валов редуктора 1Ц2У-250

| Типоразмер | быстроходный | тихоходный | ||||||||||
| d | 1 | l | 1 | b | t | d | 1 | l | 1 | b | t | |
| 1Ц2У-250-31,5 | 40 | М24х2,0 | 110 | 82 | 10 | 20,9 | 90 | М64х4,0 | 170 | 130 | 22 | 46,75 |
Присоединительные размеры цилиндрических валов редуктора 1Ц2У-250

| Типоразмер | быстроходный | тихоходный | ||||||
| d | l | b | t | d | l | b | t | |
| 1Ц2У-250-31,5 | 35k6 | 82 | 10 | 38 | 85m6 | 170 | 22 | 90 |
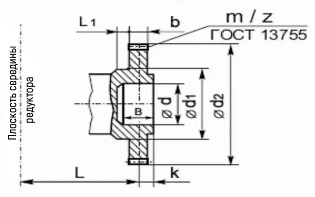
Присоединительные размеры в виде зубчатой полумуфты редуктора 1Ц2У-250

| Типоразмер | b | d | 1 | 2 | 3 | L | l | 1 | Зацепление | |
| m | z | |||||||||
| 1Ц2У-250-31,5 | 30 | 232 | 150 | 120F8 | 170 | 231 | 10 | 50 | 4 | 56 |
Технические характеристики редуктора 1Ц2У-250
| Наименование технических характеристик | Ед. изм. | Типоразмер | |
| 1Ц2У-250 | |||
| Передаточные числа | 31,5 | ||
| Допускаемая радиальная консольная нагрузка |
на быстроходном валу | Н | 3150 |
| на тихоходном валу | 18000 | ||
| Номинальный крутящий момент на тихоходном валу | Н.м | 5000 | |
| КПД | % | 0,97 | |
| Масса | кг | 320 | |
Варианты сборки редукторов 1Ц2У

Пример условного обозначения редуктора 1Ц2У-250

Редуктор циліндричний 1Ц2У-250-31.5
Технические характеристики
- ТипРедуктор
- Тип редуктораЦилиндрический
- Количество рабочих ступеней2
- Тип корпусаЛитой
- Частота вращения входного вала1800
- Вес320
- Расположение валов редуктораГоризонтальное
- Номинальное передаточное число31.5
- Способ крепленияНа лапки
- Тип рабочей нагрузкипостоянная, переменная, реверсивная
- Материал корпусаалюминий, сталь, чугун
- Сопровождающий документПаспорт
- Межосевое расстояние250
- Гарантия12 месяцев
- СостояниеНовое
Нет отзывов об этом товаре.
