- Какие характеристики имеет товар Редуктор цилиндрический 1Ц2У-315-20? ❯
- Какова цена товара Редуктор цилиндрический 1Ц2У-315-20 и актуальна ли она? ❯
- К какой категории относится товар Редуктор цилиндрический 1Ц2У-315-20? ❯
- Можно ли заказать доставку товара Редуктор цилиндрический 1Ц2У-315-20? ❯
- Какие преимущества покупки Редуктор цилиндрический 1Ц2У-315-20 именно у этого производителя KrepZevs? ❯
- Где можно найти другие товары, похожие на Редуктор цилиндрический 1Ц2У-315-20? ❯
- ПроизводительKrepZevs
- НаличиеВ наличии
- ТипРедуктор
- Тип редуктораЦилиндрический
- Все характеристики
- Минимальная суммазаказа - 2000 грн
- Надежное сырье и оборудование: Компания использует проверенное сырье и современное оборудование для производства крепежных элементов.
- Опытная команда: Производством стандартных и специальных решений занимается команда профессионалов.
- Сотрудничество с производителями: Компания сотрудничает с ответственными заводами-производителями из Украины и Европы.
Цилиндрический двухступенчатый редуктор 1Ц2У-315-20
Отличным помощником в оптимизации производства будет редуктор 1Ц2У-315-20, который вы можете приобрести на сайте компании производителя «Зевс». Данные преобразователи созданы для уменьшения угловой скорости ведомого вала по отношению к ведущему, в тоже время, он повышает момент кручения вала в приводе. Максимально допустимая скорость вращения входного вала равна 1800 оборотов во время постоянной или переменной нагрузки, с реверсивной нагрузкой количество оборотов необходимо уменьшить до 1250.
Позвонив, по телефону указанному на сайте, вы получите подробную консультацию относительно любого конструкционного вопроса. Наши менеджеры всегда рады помочь вам с выбором устройства, предоставив прозрачную информацию об агрегате, способах доставки и оплаты. Вы можете купить редуктор 1Ц2У-315, цена которого вполне приемлема, с передаточными числами в диапазоне от 8 до 40. Также существует 18 вариантов сборки преобразователя, что позволяет легко подобрать необходимый монтажный вариант.
Сотрудничая с компанией «Зевс» вы получаете:
- обслуживание европейского качества;
- качественные устройства, по доступной цене;
- профессиональную консультацию;
- уникальный паспорт;
- гарантию от производителя на 12 месяцев;
- своевременную доставку.
Схема габаритных и присоединительных размеров редуктора 1Ц2У-315

| Типоразмер | A wт | A wб | B | B1 | B2 | H | H1 | h | L | L1 | L2 | L3 | L4 | L5 | d |
| 1Ц2У- 315-20 | 315 | 200 | 395 | 260 | 318 | 685 | 335 | 35 | 1030 | 370 | 215 | 360 | 300 | 420 | 28 |
Присоединительные размеры конических валов редуктора 1Ц2У-315

| Типоразмер | быстроходный вал | тихоходный вал | ||||||
| d | l | b | t | d | l | b | t | |
| 1Ц2У-315-20 | 50k6 | 110 | 14 | 53,5 | 110m6 | 210 | 28 | 116 |
Присоединительные размеры цилиндрических валов редуктора 1Ц2У-315

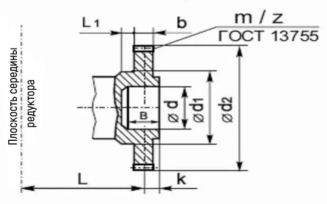
| Типоразмер | b | d | d1 | d2 | d3 | L | l | l1 | Зацепление | |
| m | z | |||||||||
| 1Ц2У-315-20 | 30 | 252 | 130 | 110F8 | 140 | 275 | 10 | 60 | 6 | 40 |
Присоединительные размеры в виде зубчатой полумуфты редуктора 1Ц2У-315

| Типоразмер | b | d | d1 | d2 | d3 | L |
| 1Ц2У-315-20 | 5 | 110h9 | 75h9 | 55 | М8х20 | 200 |
Технические характеристики редуктора 1Ц2У-315
| Наименование технических характеристик | Ед. изм. | Типоразмер | |
| 1Ц2У-315 | |||
| Передаточные числа | 20 | ||
| Допускаемая радиальная консольная нагрузка |
на быстроходном валу | Н | 3500 |
| на т/х цилиндрическом валу | 30000 | ||
| на т/х валу в виде зубчатой муфты | 40000 | ||
| Номинальный крутящий момент на выходном валу | Н.м. | 10000 | |
| КПД | % | 0,98 | |
| Масса | кг | 510 | |
Варианты сборки редукторов 1Ц2У

Пример условного обозначения редуктора 1Ц2У-315

Редуктор циліндричний 1Ц2У-315-20
Технические характеристики
- ТипРедуктор
- Тип редуктораЦилиндрический
- Количество рабочих ступеней2
- Тип корпусаЛитой
- Частота вращения входного вала1800
- Вес510
- Расположение валов редуктораГоризонтальное
- Номинальное передаточное число20
- Способ крепленияНа лапки
- Тип рабочей нагрузкипостоянная, переменная, реверсивная
- Материал корпусаалюминий, сталь, чугун
- Сопровождающий документПаспорт
- Межосевое расстояние315
- Гарантия12 месяцев
- СостояниеНовое
Нет отзывов об этом товаре.
