- Какие характеристики имеет товар Редуктор цилиндрический 1Ц2У-355-8? ❯
- Какова цена товара Редуктор цилиндрический 1Ц2У-355-8 и актуальна ли она? ❯
- К какой категории относится товар Редуктор цилиндрический 1Ц2У-355-8? ❯
- Можно ли заказать доставку товара Редуктор цилиндрический 1Ц2У-355-8? ❯
- Какие преимущества покупки Редуктор цилиндрический 1Ц2У-355-8 именно у этого производителя KrepZevs? ❯
- Где можно найти другие товары, похожие на Редуктор цилиндрический 1Ц2У-355-8? ❯
- ПроизводительKrepZevs
- НаличиеВ наличии
- ТипРедуктор
- Тип редуктораЦилиндрический
- Все характеристики
- Минимальная суммазаказа - 2000 грн
- Надежное сырье и оборудование: Компания использует проверенное сырье и современное оборудование для производства крепежных элементов.
- Опытная команда: Производством стандартных и специальных решений занимается команда профессионалов.
- Сотрудничество с производителями: Компания сотрудничает с ответственными заводами-производителями из Украины и Европы.
Цилиндрический двухступенчатый редуктор 1Ц2У-355-8
Цилиндрический редуктор 1Ц2У-355-8 используют в машиностроении и других производственных сферах, для повышения эффективности и оптимизации производственного процесса. Данные устройства предназначены для преобразования высокой скорости оборотов входного вала в более низкую на выходном и одновременного увеличения момента кручения в приводах.
Как и все преобразователи с цилиндрическим типом передачи, редукторы 1Ц2У-355-8 имеют высокий уровень КПД и длительный эксплуатационный срок. Со всеми техническими характеристиками, а также габаритными размерами вы можете ознакомиться в таблицах указанных ниже.
Правильный выбор редуктора гарантирует снижение экономических потерь во время производства, а также сокращает время и силы на ремонт и обслуживание. На сайте компании производителя «Зевс» вы можете купить редуктор 1Ц2У-355, цена которого ниже рыночной. Позвонив по телефону, наши менеджеры предоставят вам полную информацию относительно преобразователя и проконсультируют по вопросам доставки и оплаты.
Схема габаритных и присоединительных размеров редуктора 1Ц2У-355

| Типоразмер | A wт | A wб | B | B1 | B2 | H | H1 | h | L | L1 | L2 | L3 | L4 | L5 | d |
| 1Ц2У- 355-8 | 355 | 225 | 435 | 280 | 360 | 740 | 375 | 35 | 1160 | 425 | 250 | 400 | 320 | 440 | 28 |
Присоединительные размеры конических валов редуктора 1Ц2У-355

| Типоразмер | быстроходный вал | тихоходный вал | ||||||
| d | l | b | t | d | l | b | t | |
| 1Ц2У-355-8 | 55m6 | 110 | 16 | 59 | 125m6 | 210 | 32 | 132 |
Присоединительные размеры цилиндрических валов редуктора 1Ц2У-355

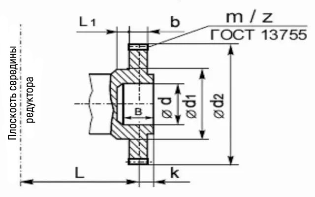
| Типоразмер | b | d | d1 | d2 | d3 | L | l | l1 | Зацепление | |
| m | z | |||||||||
| 1Ц2Н-355-8 | 35 | 294 | 130 | 110F8 | 140 | 310 | 12.5 | 65 | 7 | 40 |
Присоединительные размеры в виде зубчатой полумуфты редуктора 1Ц2У-355

| Типоразмер | b | d | d1 | d2 | d3 | L |
| 1Ц2У-355 | 5 | 125h9 | 75h9 | 55 | М8х20 | 235 |
Технические характеристики редуктора 1Ц2У-355
| Наименование технических характеристик | Ед. изм. | Типоразмер | |
| 1Ц2У-355 | |||
| Передаточные числа | 8 | ||
| Допускаемая радиальная консольная нагрузка |
на быстроходном валу | Н | 4200 |
| на т/х цилиндрическом валу | 40000 | ||
| на т/х валу в виде зубчатой муфты | 50000 | ||
| Номинальный крутящий момент на выходном валу | Н.м. | 14000 | |
| КПД | % | 0,98 | |
| Масса | кг | 700 | |
Варианты сборки редукторов 1Ц2У

Пример условного обозначения редуктора 1Ц2У-355

Редуктор циліндричний 1Ц2У-355-8
Технические характеристики
- ТипРедуктор
- Тип редуктораЦилиндрический
- Количество рабочих ступеней2
- Тип корпусаЛитой
- Частота вращения входного вала1800
- Вес700
- Расположение валов редуктораГоризонтальное
- Номинальное передаточное число8
- Способ крепленияНа лапки
- Тип рабочей нагрузкипостоянная, переменная, реверсивная
- Материал корпусаалюминий, сталь, чугун
- Сопровождающий документПаспорт
- Межосевое расстояние355
- Гарантия12 месяцев
- СостояниеНовое
Нет отзывов об этом товаре.
