- Какие характеристики имеет товар Редуктор цилиндрический 1Ц2У-400-12.5? ❯
- Какова цена товара Редуктор цилиндрический 1Ц2У-400-12.5 и актуальна ли она? ❯
- К какой категории относится товар Редуктор цилиндрический 1Ц2У-400-12.5? ❯
- Можно ли заказать доставку товара Редуктор цилиндрический 1Ц2У-400-12.5? ❯
- Какие преимущества покупки Редуктор цилиндрический 1Ц2У-400-12.5 именно у этого производителя KrepZevs? ❯
- Где можно найти другие товары, похожие на Редуктор цилиндрический 1Ц2У-400-12.5? ❯
- ПроизводительKrepZevs
- НаличиеВ наличии
- ТипРедуктор
- Тип редуктораЦилиндрический
- Все характеристики
- Минимальная суммазаказа - 2000 грн
- Надежное сырье и оборудование: Компания использует проверенное сырье и современное оборудование для производства крепежных элементов.
- Опытная команда: Производством стандартных и специальных решений занимается команда профессионалов.
- Сотрудничество с производителями: Компания сотрудничает с ответственными заводами-производителями из Украины и Европы.
Цилиндрический двухступенчатый редуктор 1Ц2У-400-12.5
Редукторы 1Ц2У-400-12.5 разработали специально для получения оптимальных условий для проведения различных технологичных процессов. Данные устройства имеют цилиндрический тип передачи, который служит для преобразования величин момента кручения и частоты вращения. Редукторы используют практически во всех областях народного хозяйства.
Такие устройства ценят за высокую производительность (КПД достигает 97%), возможность работы при больших нагрузках в различных эксплуатационных режимах и длительный срок службы.
Компания «Зевс» предлагает купить редуктор 1Ц2У-400, цена которого рассчитывается с учетом передаточного числа и варианта сборки, просто позвонив по телефону. Наши менеджеры ответят на все ваши вопросы и предоставят информацию относительно доставки и оплаты устройства. Сотрудничая с нами, вы получаете качественные аппараты, которые прослужат вам многие годы. В комплекте с редуктором идет уникальный паспорт, со всеми печатями и гарантия на 12 месяцев. Доставка возможна по всей территории страны в самые короткие сроки.
Схема габаритных и присоединительных размеров редуктора 1Ц2У-400

| Типоразмер | A wт | A wб | B | B1 | B2 | H | H1 | h | L | L1 | L2 | L3 | L4 | L5 | d |
| 1Ц2У- 400-12,5 | 400 | 250 | 475 | 330 | 420 | 835 | 425 | 42 | 1300 | 475 | 280 | 450 | 380 | 500 | 35 |
Присоединительные размеры конических валов редуктора 1Ц2У-400

| Типоразмер | быстроходный вал | тихоходный вал | ||||||
| d | l | b | t | d | l | b | t | |
| 1Ц2У-400-12,5 | 60m6 | 140 | 18 | 64 | 140m6 | 250 | 36 | 148 |
Присоединительные размеры цилиндрических валов редуктора 1Ц2У-400

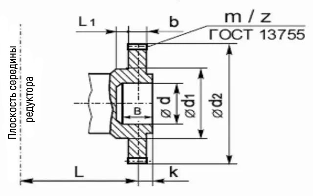
| Типоразмер | b | d | d1 | d2 | d3 | L | l | l1 | Зацепление | |
| m | z | |||||||||
| 1Ц2У-400-12,5 | 40 | 336 | 180 | 150F8 | 215 | 335 | 15 | 65 | 8 | 40 |
Присоединительные размеры в виде зубчатой полумуфты редуктора 1Ц2У-400

| Типоразмер | b | d | d1 | d2 | d3 | L |
| 1Ц2У-400-12,5 | 5 | 140h9 | 75h9 | 55 | М8х20 | 240 |
Технические характеристики редуктора 1Ц2У-400
| Наименование технических характеристик | Ед. изм. | Типоразмер | |
| 1Ц2У-400 | |||
| Передаточные числа | 12,5 | ||
| Допускаемая радиальная консольная нагрузка |
на быстроходном валу | Н | 4800 |
| на т/х цилиндрическом валу | 45000 | ||
| на т/х валу в виде зубчатой муфты | 56000 | ||
| Номинальный крутящий момент на выходном валу | Н.м. | 20000 | |
| КПД | % | 0,97 | |
| Масса | кг | 930 | |
Варианты сборки редукторов 1Ц2У

Пример условного обозначения редуктора 1Ц2У-400

Редуктор циліндричний 1Ц2У-400-12.5
Технические характеристики
- ТипРедуктор
- Тип редуктораЦилиндрический
- Количество рабочих ступеней2
- Тип корпусаЛитой
- Частота вращения входного вала1800
- Вес930
- Расположение валов редуктораГоризонтальное
- Номинальное передаточное число12.5
- Способ крепленияНа лапки
- Тип рабочей нагрузкипостоянная, переменная, реверсивная
- Материал корпусаалюминий, сталь, чугун
- Сопровождающий документПаспорт
- Межосевое расстояние400
- Гарантия12 месяцев
- СостояниеНовое
Нет отзывов об этом товаре.
