- Какие характеристики имеет товар Редуктор цилиндрический 1Ц2У-450-8? ❯
- Какова цена товара Редуктор цилиндрический 1Ц2У-450-8 и актуальна ли она? ❯
- К какой категории относится товар Редуктор цилиндрический 1Ц2У-450-8? ❯
- Можно ли заказать доставку товара Редуктор цилиндрический 1Ц2У-450-8? ❯
- Какие преимущества покупки Редуктор цилиндрический 1Ц2У-450-8 именно у этого производителя KrepZevs? ❯
- Где можно найти другие товары, похожие на Редуктор цилиндрический 1Ц2У-450-8? ❯
- ПроизводительKrepZevs
- НаличиеВ наличии
- ТипРедуктор
- Тип редуктораЦилиндрический
- Все характеристики
- Минимальная суммазаказа - 2000 грн
- Надежное сырье и оборудование: Компания использует проверенное сырье и современное оборудование для производства крепежных элементов.
- Опытная команда: Производством стандартных и специальных решений занимается команда профессионалов.
- Сотрудничество с производителями: Компания сотрудничает с ответственными заводами-производителями из Украины и Европы.
Цилиндрический двухступенчатый редуктор 1Ц2У-450-8
Редукторы 1Ц2У-450-80 - это двухступенчатые преобразователи с зубчатым типом передачи и горизонтальным исполнением. Данные устройства имеют общепромышленное применение и используются для комплектации приводных систем в различных производственных областях, для коррекции показателей крутящего момента и частоты вращения валов. Такие агрегаты могут работать с различными видами нагрузки в повторно-кратковременном режиме, а также целые сутки без остановок.
Если вам нужен качественный преобразователь обратитесь в компанию «Зевс». На нашем сайте вы можете купить цилиндрические редукторы 1Ц2У-450, цена которого ниже рыночной. Мы производим и поставляем редукторы высочайшего класса, которые прослужат у вас многие годы. В комплекте с устройством идет уникальный паспорт и гарантия на 12 месяцев.
Схема габаритных и присоединительных размеров редуктора 1Ц2У-450

| Типоразмер | A wт | A wб | B | B1 | B2 | H | H1 | h | L | L1 | L2 | L3 | L4 | L5 | d |
| 1Ц2Н- 450-8 | 450 | 280 | 630 | 515 | 590 | 955 | 475 | 60 | 1460 | 530 | 310 | 500 | 500 | 650 | 35 |
Присоединительные размеры конических валов редуктора 1Ц2У-450

| Типоразмер | быстроходный вал | тихоходный вал | ||||||
| d | l | b | t | d | l | b | t | |
| 1Ц2Н-450-8 | 80m6 | 170 | 22 | 85 | 160m6 | 300 | 40 | 169 |
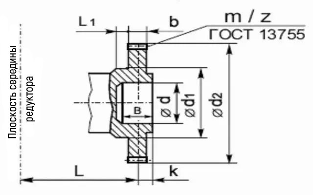
Присоединительные размеры цилиндрических валов редуктора 1Ц2У-450

| Типоразмер | b | d | d1 | d2 | d3 | L | l | l1 | Зацепление | |
| m | z | |||||||||
| 1Ц2Н-450-8 | 50 | 420 | 200 | 160F8 | 230 | 440 | 15 | 70 | 10 | 40 |
Присоединительные размеры в виде зубчатой полумуфты редуктора 1Ц2У-450

| Типоразмер | b | d | d1 | d2 | d3 | L |
| 1Ц2Н-450-8 | 5 | 180h9 | 75h9 | 55 | М8х20 | 340 |
Технические характеристики редуктора 1Ц2У-450
| Наименование технических характеристик | Ед. изм. | Типоразмер | |
| 1Ц2Н-450 | |||
| Передаточные числа | 8 | ||
| Допускаемая радиальная консольная нагрузка |
на быстроходном валу | Н | 8200 |
| на т/х цилиндрическом валу | 71000 | ||
| на т/х валу в виде зубчатой муфты | 95000 | ||
| Номинальный крутящий момент на выходном валу | Н.м. | 40000 | |
| КПД | % | 0,97 | |
| Масса | кг | 1530 | |
Варианты сборки редукторов 1Ц2У

Пример условного обозначения редуктора 1Ц2У-450

Редуктор циліндричний 1Ц2У-450-8
Технические характеристики
- ТипРедуктор
- Тип редуктораЦилиндрический
- Количество рабочих ступеней2
- Тип корпусаЛитой
- Частота вращения входного вала1800
- Вес1530
- Расположение валов редуктораГоризонтальное
- Номинальное передаточное число8
- Способ крепленияНа лапки
- Тип рабочей нагрузкипостоянная, переменная, реверсивная
- Материал корпусаалюминий, сталь, чугун
- Сопровождающий документПаспорт
- Межосевое расстояние450
- Гарантия12 месяцев
- СостояниеНовое
Нет отзывов об этом товаре.
