- Какие характеристики имеет товар Рым-болты нержавеющие М10 ГОСТ 4751-73? ❯
- Какова цена товара Рым-болты нержавеющие М10 ГОСТ 4751-73 и актуальна ли она? ❯
- К какой категории относится товар Рым-болты нержавеющие М10 ГОСТ 4751-73? ❯
- Можно ли заказать доставку товара Рым-болты нержавеющие М10 ГОСТ 4751-73? ❯
- Какие преимущества покупки Рым-болты нержавеющие М10 ГОСТ 4751-73 именно у этого производителя KrepZevs? ❯
- Где можно найти другие товары, похожие на Рым-болты нержавеющие М10 ГОСТ 4751-73? ❯
- ПроизводительKrepZevs
- НаличиеВ наличии
- Материал крепежного изделияНержавеющая сталь
- Тип крепежного изделияРым-болт
- Все характеристики
- Минимальная суммазаказа - 2000 грн
- Надежное сырье и оборудование: Компания использует проверенное сырье и современное оборудование для производства крепежных элементов.
- Опытная команда: Производством стандартных и специальных решений занимается команда профессионалов.
- Сотрудничество с производителями: Компания сотрудничает с ответственными заводами-производителями из Украины и Европы.
Рым-болты М10 ГОСТ 4751-73 из нержавеющей стали
Рым-болты М10 ГОСТ 4751-73 применяют во время выполнения работ по подъему и перемещению грузов, также с помощью таких метизов можно удерживать груз на весу. Различные такелажные и монтажные работы осуществляются с помощью рым-болтов. Крепежные изделия изготавливают в форме стального кольца с резьбовым стержнем.
Производят изделия из нержавеющей стали А2, А4, что позволяет эксплуатировать их в агрессивной среде. Выпускают крепеж без дополнительного защитного слоя, так как он из нержавейки и обладает высоким показателем коррозиестойкости и не восприимчив к электромагнитному полю.
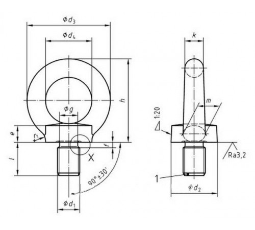
Чертеж рым-болта ГОСТ 4751-73

Технические характеристики (мм):
|
Номинальный диаметр резьбы D1 |
М10 |
|
Шаг резьбы P |
1,5 |
|
Диаметр буртика D2 |
25 |
|
Наружный диаметр кольца D3 |
45 |
|
Внутренний диаметр кольца D4 |
25 |
|
Высота буртика E |
8 |
|
Ширина канавки F |
3 |
|
Высота болта без резьбы H |
45 |
|
Толщина кольца K |
10 |
|
Длина резьбы L |
17 |
|
Допустимая нагрузка вдоль оси рым-болта А, кг |
230 |
|
Допустимая нагрузка под углом 45º к оси рым-болта В, кг |
170 |
Купить рым-болты ГОСТ или DIN из нержавеющей стали в Украине вы можете на сайте компании «Зевс». Представленные метизы, цена на которые ниже рыночной, прошли ряд дополнительных проверок на качество и имеют соответствующие сертификаты и гарантию от производителя - 36 месяцев. Позвонив по телефону, указанному на сайте, наши менеджеры предоставят вам полную информацию относительно подбора, совместимости и установки крепежа. Доставка возможна в любую точку страны. Для постоянных клиентов и оптовых покупателей действует гибкая система скидок.
Рим-болти нержавіючі М10 ГОСТ 4751-73
Технические характеристики
- Материал крепежного изделияНержавеющая сталь
- Тип крепежного изделияРым-болт
- Метрическая резьба, М10
- Гарантийный срок36
- СостояниеНовое
Нет отзывов об этом товаре.
