- Какие характеристики имеет товар Заклепка 4.0 ГОСТ 10299-80 с полукруглой головкой? ❯
- Какова цена товара Заклепка 4.0 ГОСТ 10299-80 с полукруглой головкой и актуальна ли она? ❯
- К какой категории относится товар Заклепка 4.0 ГОСТ 10299-80 с полукруглой головкой? ❯
- Можно ли заказать доставку товара Заклепка 4.0 ГОСТ 10299-80 с полукруглой головкой? ❯
- Какие преимущества покупки Заклепка 4.0 ГОСТ 10299-80 с полукруглой головкой именно у этого производителя KrepZevs? ❯
- Где можно найти другие товары, похожие на Заклепка 4.0 ГОСТ 10299-80 с полукруглой головкой? ❯
- ПроизводительKrepZevs
- НаличиеВ наличии
- ПокрытиеЦинк, без покрытия
- Вид заклепкиУдарная (под молоток)
- Все характеристики
- Минимальная суммазаказа - 2000 грн
- Надежное сырье и оборудование: Компания использует проверенное сырье и современное оборудование для производства крепежных элементов.
- Опытная команда: Производством стандартных и специальных решений занимается команда профессионалов.
- Сотрудничество с производителями: Компания сотрудничает с ответственными заводами-производителями из Украины и Европы.
Заклепка 4.0 ГОСТ 10299-80 под молоток с полукруглой головкой
Заклепки под молоток ГОСТ 10299-80 имеют простое и надежное строение (головка в виде полусферы и стержень). При монтаже плотно сопрягают детали и не дают им смещаться даже при вибрации и толчках. Могут быть произведены из различных материалов: сталь, латунь, медь, алюминий. Формируют соединения неразъемного типа. Метод установки - забивной.
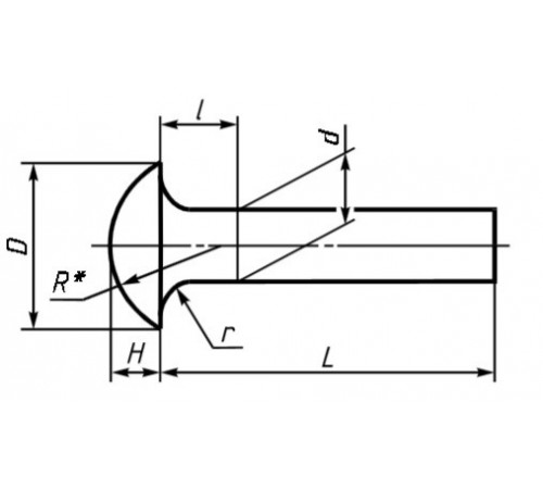
Конструкция заклепки ГОСТ 10299-80

Размеры заклёпки под молоток ГОСТ 10299-80:
|
Диаметр стержня, мм |
4.0 |
|
Диаметр головки, мм |
7.1 |
|
Высота головки, мм |
2.4 |
|
Радиус под головкой, не более, мм |
0.4 |
|
Радиус сферы головки, мм |
3.8 |
|
Расстояние от основания головки до места изменения диаметра, мм |
3 |
Заказать заклепку 4.0 ГОСТ 10299-80 под молоток с полукруглой головкой можно на сайте компании "Зевс" с гарантией качества - 3 года. Покупая товар на нашем предприятии, вы получаете максимальное качество метиза при минимальном сроке комплектования заказа. У нас вы найдете большое разнообразие крепежных изделий по ценам ниже сренднерыночного показателя. Вы можете забрать продукцию самостоятельно со склада в городе Харьков, или на одном из отделений транспортных компаний "Новая почта" в вашем городе.
Заклепка 4.0 ГОСТ 10299-80 з напівкруглою голівкою
Технические характеристики
- ПокрытиеЦинк, без покрытия
- Вид заклепкиУдарная (под молоток)
- Диаметр отверстия под заклепку4.1
- Форма головки заклепкиПолукруглая
- Материал корпуса заклепкиСталь
- Материал стержняалюминий, медь, сталь, латунь
- Диаметр головки7.1
- Диаметр заклепки4
- Высота головки2.4
- Длина заклепки6
- Гарантийный срок36
Нет отзывов об этом товаре.
