- Какие характеристики имеет товар Заклепка 8.0 ГОСТ 10299-80 с полукруглой головкой? ❯
- Какова цена товара Заклепка 8.0 ГОСТ 10299-80 с полукруглой головкой и актуальна ли она? ❯
- К какой категории относится товар Заклепка 8.0 ГОСТ 10299-80 с полукруглой головкой? ❯
- Можно ли заказать доставку товара Заклепка 8.0 ГОСТ 10299-80 с полукруглой головкой? ❯
- Какие преимущества покупки Заклепка 8.0 ГОСТ 10299-80 с полукруглой головкой именно у этого производителя KrepZevs? ❯
- Где можно найти другие товары, похожие на Заклепка 8.0 ГОСТ 10299-80 с полукруглой головкой? ❯
- ПроизводительKrepZevs
- НаличиеВ наличии
- ПокрытиеЦинк, без покрытия
- Вид заклепкиУдарная (под молоток)
- Все характеристики
- Минимальная суммазаказа - 2000 грн
- Надежное сырье и оборудование: Компания использует проверенное сырье и современное оборудование для производства крепежных элементов.
- Опытная команда: Производством стандартных и специальных решений занимается команда профессионалов.
- Сотрудничество с производителями: Компания сотрудничает с ответственными заводами-производителями из Украины и Европы.
Заклепка 8.0 ГОСТ 10299-80 под молоток с полукруглой головкой
При необходимости соединить несколько деталей, имеющих сквозное отверстие и не позволяющих применить сварку, можно воспользоваться установкой заклепок под молоток, которые производятся по ГОСТ 10299-80. Аналогами данного регламента выступают стандарты DIN 660, ISO 1051.
В отличие от соединения с болтами, заклепки формируют неразъемное крепление деталей, не поддающееся воздействию вибрации и иной негативной динамики.
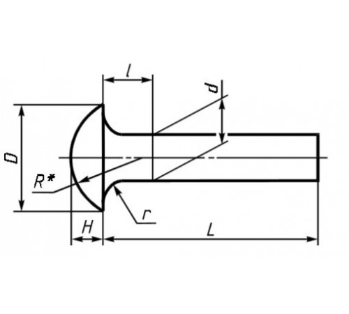
Конструкция заклепки ГОСТ 10299-80

Размеры заклёпки под молоток ГОСТ 10299-80:
|
Диаметр стержня, мм |
8.0 |
|
Диаметр головки, мм |
14 |
|
Высота головки, мм |
4.8 |
|
Радиус под головкой, не более, мм |
0.5 |
|
Радиус сферы головки, мм |
7.5 |
|
Расстояние от основания головки до места изменения диаметра, мм |
4 |
Заказать заклепку 8.0 ГОСТ 10299-80 под молоток с полукруглой головкой можно на сайте компании "Зевс" заполнив заявку онлайн. Покупая товар на нашем предприятии, вы получаете продукцию в соответствии ГОСТ, DIN, ISO. У нас вы найдете большой ассортимент крепежных элементов с разными типоразмерами. Мы предлагаем своим клиентам выгодные условия сотрудничества — наличный и безналичный расчет. Гарантия качества на изделия - 36 месяцев с момента приобретения.
Заклепка 8.0 ГОСТ 10299-80 з напівкруглою голівкою
Технические характеристики
- ПокрытиеЦинк, без покрытия
- Вид заклепкиУдарная (под молоток)
- Диаметр отверстия под заклепку8.1
- Форма головки заклепкиПолукруглая
- Материал корпуса заклепкиСталь
- Материал стержняалюминий, медь, сталь, латунь
- Диаметр головки14
- Диаметр заклепки8
- Высота головки4.8
- Длина заклепки10
- Гарантийный срок36
Нет отзывов об этом товаре.
