- Какие характеристики имеет товар Гайка М30 ГОСТ 9064-75 класса прочности 10.0? ❯
- Какова цена товара Гайка М30 ГОСТ 9064-75 класса прочности 10.0 и актуальна ли она? ❯
- К какой категории относится товар Гайка М30 ГОСТ 9064-75 класса прочности 10.0? ❯
- Можно ли заказать доставку товара Гайка М30 ГОСТ 9064-75 класса прочности 10.0? ❯
- Какие преимущества покупки Гайка М30 ГОСТ 9064-75 класса прочности 10.0 именно у этого производителя KrepZevs? ❯
- Где можно найти другие товары, похожие на Гайка М30 ГОСТ 9064-75 класса прочности 10.0? ❯
- ПроизводительKrepZevs
- НаличиеВ наличии
- Материал гайкиСталь
- Вид гайкиШестигранная
- Все характеристики
- Минимальная суммазаказа - 2000 грн
- Надежное сырье и оборудование: Компания использует проверенное сырье и современное оборудование для производства крепежных элементов.
- Опытная команда: Производством стандартных и специальных решений занимается команда профессионалов.
- Сотрудничество с производителями: Компания сотрудничает с ответственными заводами-производителями из Украины и Европы.
Гайка для фланцевых соединений М30 ГОСТ 9064-75 с классом прочности 10.0
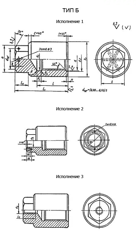
Гайка М30 ГОСТ 9064-75 с классом прочности 10.0 производится из легированной стали и может выполняться как шестигранной, так и колпачковой. В свою очередь колпачковая имеет еще три варианта исполнения. Подробнее указано на чертежах ниже.
Используют метиз М30 ГОСТ 9064-75 для стягивания фланцевых соединений и применяют вместе с шпильками и шайбами соответствующего диаметра. Чтобы повысить стойкость данного элемента к воздействиям влаги и увеличить срок службы, готовое изделие могут покрывать цинком.
Схема габаритных размеров гайки М30 ГОСТ 9064-75 (мм):

| d | M30 | |
| P | крупный | 3,5 |
| мелкий | 2,0 | |
| S | 46 | |
| e | 51,4 | |
| m | 30 | |
| N | 0,277 | |

| d | M30 | |
| P | крупный | 3,5 |
| мелкий | 2,0 | |
| S | 32 | |
| D1 | 48 | |
| e | 36,9 | |
| dƒ | 31 | |
| d2 | 26 | |
| d3 | - | |
| l | 43 | |
| l0 | 20 | |
| l1 | 75 | |
| l2 | - | |
| n | 2 | |
| с | 3 | |
| k | 0,6 | |
| N | исп.1 | 0,680 |
| исп.2 | 0,72 | |
| исп.3 | - | |
Заказать гайки для фланцевых соединений ГОСТ 9064-75 с классом прочности 10.0 можно на сайте компании «Зевс» заполнив форму онлайн.
Покупая товар на нашем предприятии, вы получаете продукцию в соответствии ГОСТ, DIN, ISO. У нас вы найдете большой ассортимент крепежа с разными типоразмерами. Доставка осуществляется по всей Украине сразу после внесения оплаты. При возникновении затруднений в выборе изделий или оформлении заказа, вы всегда можете обратиться за помощью к нашим менеджерам. Гарантия качества на метизы - 36 месяцев с момента приобретения. Для постоянных клиентов и оптовых покупателей действует гибкая система скидок. Мы изготавливаем детали по чертежам клиента. Цены ниже рынка на 3-10%.
Гайка М30 ГОСТ 9064-75 класу міцності 10.0
Технические характеристики
- Материал гайкиСталь
- Вид гайкиШестигранная
- Класс прочности10
- Метрическая резьба, М30
- Гарантийный срок36
- СостояниеНовое
Нет отзывов об этом товаре.
