- Какие характеристики имеет товар Гайка М48 ГОСТ 9064-75 класса прочности 10.0? ❯
- Какова цена товара Гайка М48 ГОСТ 9064-75 класса прочности 10.0 и актуальна ли она? ❯
- К какой категории относится товар Гайка М48 ГОСТ 9064-75 класса прочности 10.0? ❯
- Можно ли заказать доставку товара Гайка М48 ГОСТ 9064-75 класса прочности 10.0? ❯
- Какие преимущества покупки Гайка М48 ГОСТ 9064-75 класса прочности 10.0 именно у этого производителя KrepZevs? ❯
- Где можно найти другие товары, похожие на Гайка М48 ГОСТ 9064-75 класса прочности 10.0? ❯
- ПроизводительKrepZevs
- НаличиеВ наличии
- Материал гайкиСталь
- Вид гайкиШестигранная
- Все характеристики
- Минимальная суммазаказа - 2000 грн
- Надежное сырье и оборудование: Компания использует проверенное сырье и современное оборудование для производства крепежных элементов.
- Опытная команда: Производством стандартных и специальных решений занимается команда профессионалов.
- Сотрудничество с производителями: Компания сотрудничает с ответственными заводами-производителями из Украины и Европы.
Гайка для фланцевых соединений М48 ГОСТ 9064-75 с классом прочности 10.0
Гайка М48 ГОСТ 9064-75 с классом прочности 10.0 в основном используется во фланцевых соединениях с рабочей температурой 0…+650 градусов Цельсия.
Изготавливают данный крепеж из легированной стали в двух исполнениях: шестигранной или колпачковой. Для обеспечения большей стойкости к воздействиям влаги и в целях продления срока службы, метиз могут покрывать защитным слоем цинка.
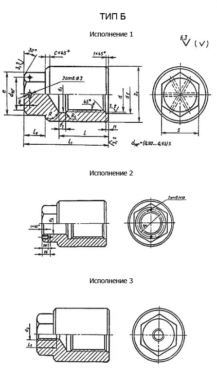
Схема габаритных размеров гайки М48 ГОСТ 9064-75 (мм):

| d | М48 | |
| P | крупный | 5,0 |
| мелкий | 3,0 | |
| S | 75 | |
| e | 84,5 | |
| m | 48 | |
| N | 1,197 | |

| d | М48 | |
| P | крупный | 5,0 |
| мелкий | 3,0 | |
| S | 46 | |
| D1 | 75 | |
| e | 53,1 | |
| dƒ | 49 | |
| d2 | 32 | |
| d3 | М16 | |
| l | 64 | |
| l0 | 25 | |
| l1 | 105 | |
| l2 | 34 | |
| n | 3 | |
| с | 3 | |
| k | 0,7 | |
| N | исп.1 | 2,380 |
| исп.2 | 2,25 | |
| исп.3 | 2,44 | |
Заказать гайки для фланцевых соединений ГОСТ 9064-75 с классом прочности 10.0 можно на сайте компании «Зевс» заполнив форму онлайн.
Покупая товар на нашем предприятии, вы получаете продукцию в соответствии ГОСТ, DIN, ISO. У нас вы найдете большой ассортимент крепежа с разными типоразмерами. Доставка осуществляется по всей Украине сразу после внесения оплаты. При возникновении затруднений в выборе изделий или оформлении заказа, вы всегда можете обратиться за помощью к нашим менеджерам. Гарантия качества на метизы - 36 месяцев с момента приобретения. Для постоянных клиентов и оптовых покупателей действует гибкая система скидок. Мы изготавливаем детали по чертежам клиента. Цены ниже рынка на 3-10%.
Гайка М48 ГОСТ 9064-75 класу міцності 10.0
Технические характеристики
- Материал гайкиСталь
- Вид гайкиШестигранная
- Класс прочности10
- Метрическая резьба, М48
- Гарантийный срок36
- СостояниеНовое
Нет отзывов об этом товаре.
