- Какие характеристики имеет товар Хомут червячный нержавеющий 20х32? ❯
- Какова цена товара Хомут червячный нержавеющий 20х32 и актуальна ли она? ❯
- К какой категории относится товар Хомут червячный нержавеющий 20х32? ❯
- Можно ли заказать доставку товара Хомут червячный нержавеющий 20х32? ❯
- Какие преимущества покупки Хомут червячный нержавеющий 20х32 именно у этого производителя KrepZevs? ❯
- Где можно найти другие товары, похожие на Хомут червячный нержавеющий 20х32? ❯
- ПроизводительKrepZevs
- НаличиеВ наличии
- Область применения хомутаУниверсальный
- Тип хомутаЧервячный
- Все характеристики
- Минимальная суммазаказа - 2000 грн
- Надежное сырье и оборудование: Компания использует проверенное сырье и современное оборудование для производства крепежных элементов.
- Опытная команда: Производством стандартных и специальных решений занимается команда профессионалов.
- Сотрудничество с производителями: Компания сотрудничает с ответственными заводами-производителями из Украины и Европы.
Хомут червячный нержавеющий 20х32 – обеспечивает герметичное соединение различных рукавов, труб, шлангов, для бытового или производственного использования. Состоит изделие из металлической ленты, на которой находится замок под винт. Изготавливают элементы из нержавеющей стали, для увеличения эксплуатационных характеристик.
Отбортовка по краям детали при монтаже не повреждает соединительный узел, а сглаженные кромки не допускают нанесения травм рукам. Установка элемента происходит с помощью гаечного ключа или подходящей отвертки. Применяется в различных сферах (машиностроение, автомобилестроение, фиксация кабелей и т.д).
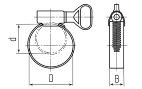
Схема хомута

Размерный ряд:
Ø8-12 мм
Ø12-20 мм
Ø16-25 мм
Ø20-32 мм
Ø25-40 мм
Ø30-45 мм
Ø40-60 мм
Ø55-70 мм
Ø65-80 мм
Ø75-95 мм
Ø90-110 мм
Ø105-120 мм
Ø115-130 мм
Ø125-140 мм
Ø140-160 мм
Ø155-190 мм
Ø190-205 мм
Заказать хомут червячный нержавеющий можно на сайте компании «Зевс» позвонив нашим менеджерам. Покупая товар на нашем предприятии, вы получаете продукцию после предварительной проверки в ОТК. В нашем каталоге представлен большой ассортимент крепежа с разными типоразмерами. Для постоянных клиентов и оптовых покупателей действует гибкая система скидок. Мы изготавливаем метизы по чертежам заказчика.
Хомут черв'ячний нержавіючий 20х32
Технические характеристики
- Область применения хомутаУниверсальный
- Тип хомутаЧервячный
- Материал хомутаНержавеющая сталь
- Наличие резиновой прокладкиНет
- Гарантийный срок36
- СостояниеНовое
Нет отзывов об этом товаре.
