- Какие характеристики имеет товар Мотор-редуктор 3МП-50 (3 ступени, 12.5 об/мин, АИР7В4)? ❯
- Какова цена товара Мотор-редуктор 3МП-50 (3 ступени, 12.5 об/мин, АИР7В4) и актуальна ли она? ❯
- К какой категории относится товар Мотор-редуктор 3МП-50 (3 ступени, 12.5 об/мин, АИР7В4)? ❯
- Можно ли заказать доставку товара Мотор-редуктор 3МП-50 (3 ступени, 12.5 об/мин, АИР7В4)? ❯
- Какие преимущества покупки Мотор-редуктор 3МП-50 (3 ступени, 12.5 об/мин, АИР7В4) именно у этого производителя KrepZevs? ❯
- Где можно найти другие товары, похожие на Мотор-редуктор 3МП-50 (3 ступени, 12.5 об/мин, АИР7В4)? ❯
- ПроизводительKrepZevs
- НаличиеВ наличии
- ТипМотор-редуктор
- Тип редуктораПланетарный
- Все характеристики
- Минимальная суммазаказа - 2000 грн
- Надежное сырье и оборудование: Компания использует проверенное сырье и современное оборудование для производства крепежных элементов.
- Опытная команда: Производством стандартных и специальных решений занимается команда профессионалов.
- Сотрудничество с производителями: Компания сотрудничает с ответственными заводами-производителями из Украины и Европы.
Мотор-редуктор 3МП-50 (12.5 об/мин, 3 ступени, АИР71В4)
Мотор-редуктор 3МП-50 (12.5 об/мин, 3 ступени, АИР71В4) — оборудование, совмещающее в одном блоке асинхронный двигатель и зубчатый редуктор с планетарной передачей. По сути, механизм представляет собой электромеханический тихоходный привод для промышленного оборудования.
Используют преобразователи для снижения частоты вращения и передачи крутящего момента рабочему оборудованию. Несмотря на то, что агрегат имеет относительно небольшие габариты и массу, он обеспечивает хорошее передаточное соотношение. Кроме того, мотор-редукторы имеют широкие кинематические возможности, высокий крутящий момент. Также они способны равномерно распределять радиальные силы вдоль корпуса.
Условия использования мотор-редуктора 3МП 50
|
Характеристика |
Значение |
|
Тип нагрузки |
Постоянная, переменная |
|
Направление вращения тихоходного вала |
Однонаправленное или реверсивное |
|
Режим работы |
Длительная или с периодическими остановками |
|
Климатическое исполнение |
У, Т, категория размещения 2,3 |
|
Температурный диапазон |
От -45 до +45˚С |
|
Внешняя среда |
Неагрессивная, невзрывоопасная, с содержанием непроводящей пыли до 10мг/м3 |
Основные технические характеристики мотор-редуктора 3МП 50 (12.5 об/мин, АИР71В4)
|
Частота вращения выходного вала об/мин |
Количество ступеней |
КПД мотор-редуктора не менее % |
Масса Редуктора кг |
Допускаемая радиально-консольная нагрузка на выходном валу, Н |
Комплектующий электродвигатель |
|
|
Марка |
Мощность кВт |
|||||
|
12.5 |
3 |
75% |
67 |
5730 |
АИР71В4 |
0,75 |
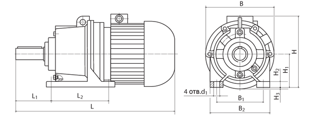
Конструкция и габаритные размеры мотор-редуктора 3МП 50 (12.5 об/мин, АИР71В4)
Габаритные и присоединительные размеры мотор-редуктора 3МП 50 (исполнение — на лапах)

|
Обозначение мотор-редуктора |
Частота вращения выходного вала об/мин |
L |
B |
H |
L1 |
L2 |
B1 |
B2 |
H1 |
H2 |
H3 |
d1 |
|
Не более |
||||||||||||
|
3МП-50 |
12.5 |
637 |
270 |
295 |
145 |
210 |
220 |
266 |
132 |
22 |
- |
22 |
Конструкция и габаритные размеры мотор-редуктора 3МП 50 (12.5 об/мин, АИР71В4)
Габаритные и присоединительные размеры мотор-редуктора 3МП 50 (исполнение — фланец)

|
Обозначение мотор-редуктора |
Частота вращения выходного вала об/мин |
L |
B |
L3 |
L4 |
L5 |
D |
D1 |
D2 |
d2 |
n |
|
Не более |
|||||||||||
|
3МП-50 |
12.5 |
637 |
270 |
8 |
18 |
124 |
250 |
180 |
215 |
17 |
6 |
Присоединительные размеры цилиндрических валов мотор-редуктора 3МП
|
Мотор-редуктор |
d |
l |
b |
t |
|
3МП-50 |
45k6 |
110 |
14 |
48,5 |
Присоединительные размеры конических валов мотор-редуктора 3МП
|
Мотор-редуктор |
d |
d1 |
l |
l1 |
b |
t |
|
3МП-50 |
45 |
М30х2,0 |
110 |
82 |
12 |
23,45 |
Присоединительные размеры полых валов мотор-редуктора 3МП
|
Мотор-редуктор |
d |
l |
b |
t |
|
3МП-50 |
40Н7 |
80 |
12 |
43,3 |
Купить мотор-редуктор 3МП-50 (12.5 об/мин, 3 ступени, АИР71В4) по цене ниже рынка можно на сайте компании «Зевс». Вся продукция соответствует установленным стандартам качества. Перед отправкой оборудование проходит предпродажную проверку в ОТК. Доставка товаров выполняется во все регионы Украины в четко оговоренные сроки.
Мотор-редуктор 3МП-50 (3 ступені, 12.5 об/хв, АІР7В4)
Технические характеристики
- ТипМотор-редуктор
- Тип редуктораПланетарный
- Количество рабочих ступеней3
- Вес68
- Способ крепленияНа лапах, фланец
- Частота вращения выходного вала12.5
- КПД75%
- Марка двигателяАИР71В4
- Материал корпусаСталь|Чугун|Алюминий
- Мощность, кВт0.75
- СостояниеНовое
Нет отзывов об этом товаре.
