- Какие характеристики имеет товар Мотор-редуктор 3МП-50 (3 ступени, 12.5 об/мин, АИР80А4)? ❯
- Какова цена товара Мотор-редуктор 3МП-50 (3 ступени, 12.5 об/мин, АИР80А4) и актуальна ли она? ❯
- К какой категории относится товар Мотор-редуктор 3МП-50 (3 ступени, 12.5 об/мин, АИР80А4)? ❯
- Можно ли заказать доставку товара Мотор-редуктор 3МП-50 (3 ступени, 12.5 об/мин, АИР80А4)? ❯
- Какие преимущества покупки Мотор-редуктор 3МП-50 (3 ступени, 12.5 об/мин, АИР80А4) именно у этого производителя KrepZevs? ❯
- Где можно найти другие товары, похожие на Мотор-редуктор 3МП-50 (3 ступени, 12.5 об/мин, АИР80А4)? ❯
- ПроизводительKrepZevs
- НаличиеВ наличии
- ТипМотор-редуктор
- Тип редуктораПланетарный
- Все характеристики
- Минимальная суммазаказа - 2000 грн
- Надежное сырье и оборудование: Компания использует проверенное сырье и современное оборудование для производства крепежных элементов.
- Опытная команда: Производством стандартных и специальных решений занимается команда профессионалов.
- Сотрудничество с производителями: Компания сотрудничает с ответственными заводами-производителями из Украины и Европы.
Мотор-редуктор 3МП-50 (12.5 об/мин, 3 ступени, АИР80А4)
Мотор-редуктор 3МП-50 (12.5 об/мин, 3 ступени, АИР80А4) — оборудование, совмещающее в себе асинхронный электродвигатель и зубчатый редуктор с планетарной передачей. Используется механизм в различных сферах промышленности. Не может использоваться для укомплектования грузоподъемного оборудования.
Отличаются преобразователями высоким крутящим моментом на выходном валу, широкими кинематическими возможностями. Оборудование способно равномерно распределять радиальные силы вдоль всего корпуса. Также для планетарного механизма характерны устойчивость к ударным нагрузкам, относительно небольшая масса и габариты, а также высокий КПД.
Условия использования мотор-редуктора 3МП 50
|
Характеристика |
Значение |
|
Тип нагрузки |
Постоянная, переменная |
|
Направление вращения тихоходного вала |
Однонаправленное или реверсивное |
|
Режим работы |
Длительная или с периодическими остановками |
|
Климатическое исполнение |
У, Т, категория размещения 2,3 |
|
Температурный диапазон |
От -45 до +45˚С |
|
Внешняя среда |
Неагрессивная, невзрывоопасная, с содержанием непроводящей пыли до 10мг/м3 |
Основные технические характеристики мотор-редуктора 3МП 50 (12,5 об/мин, АИР80А4)
|
Частота вращения выходного вала об/мин |
Количество ступеней |
КПД мотор-редуктора не менее % |
Масса Редуктора кг |
Допускаемая радиально-консольная нагрузка на выходном валу, Н |
Комплектующий электродвигатель |
|
|
Марка |
Мощность кВт |
|||||
|
12.5 |
3 |
75% |
70 |
6850 |
АИР80А4 |
1,1 |
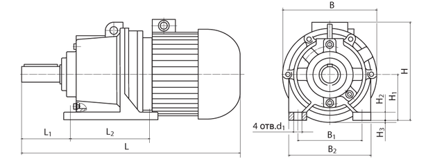
Конструкция и габаритные размеры мотор-редуктора 3МП 50 (12.5 об/мин, АИР80А4)
Габаритные и присоединительные размеры мотор-редуктора 3МП 50 (исполнение — на лапах)

|
Обозначение мотор-редуктора |
Частота вращения выходного вала об/мин |
L |
B |
H |
L1 |
L2 |
B1 |
B2 |
H1 |
H2 |
H3 |
d1 |
|
Не более |
||||||||||||
|
3МП-50 |
12.5 |
637 |
270 |
295 |
145 |
210 |
220 |
266 |
132 |
22 |
- |
22 |
Конструкция и габаритные размеры мотор-редуктора 3МП 50 (12.5 об/мин, АИР80А4)
Габаритные и присоединительные размеры мотор-редуктора 3МП 50 (исполнение — фланец)

|
Обозначение мотор-редуктора |
Частота вращения выходного вала об/мин |
L |
B |
L3 |
L4 |
L5 |
D |
D1 |
D2 |
d2 |
n |
|
Не более |
|||||||||||
|
3МП-50 |
12.5 |
637 |
270 |
8 |
18 |
124 |
250 |
180 |
215 |
17 |
6 |
Присоединительные размеры цилиндрических валов мотор-редуктора 3МП
|
Мотор-редуктор |
d |
l |
b |
t |
|
3МП-50 |
45k6 |
110 |
14 |
48,5 |
Присоединительные размеры конических валов мотор-редуктора 3МП
|
Мотор-редуктор |
d |
d1 |
l |
l1 |
b |
t |
|
3МП-50 |
45 |
М30х2,0 |
110 |
82 |
12 |
23,45 |
Присоединительные размеры полых валов мотор-редуктора 3МП
|
Мотор-редуктор |
d |
l |
b |
t |
|
3МП-50 |
40Н7 |
80 |
12 |
43,3 |
Купить мотор-редуктор 3МП-50 (12.5 об/мин, 3 ступени, АИР80А4) по цене ниже рынка можно на сайте компании «Зевс». Вся продукция, представленная в каталоге, соответствует установленным стандартам качества и поставляется в комплекте с паспортами. Гарантия на оборудование — 12 месяцев. Доставка товаров осуществляется по всей территории Украины в четко оговоренные сроки.
Мотор-редуктор 3МП-50 (3 ступені, 12.5 об/хв, АІР80А4)
Технические характеристики
- ТипМотор-редуктор
- Тип редуктораПланетарный
- Количество рабочих ступеней3
- Вес70
- Способ крепленияНа лапах, фланец
- Частота вращения выходного вала12.5
- КПД75%
- Марка двигателяАИР80А4
- Материал корпусаСталь|Чугун|Алюминий
- Мощность, кВт1.1
- СостояниеНовое
Нет отзывов об этом товаре.
