- Какие характеристики имеет товар Редуктор цилиндрический 1Ц2У-500-10? ❯
- Какова цена товара Редуктор цилиндрический 1Ц2У-500-10 и актуальна ли она? ❯
- К какой категории относится товар Редуктор цилиндрический 1Ц2У-500-10? ❯
- Можно ли заказать доставку товара Редуктор цилиндрический 1Ц2У-500-10? ❯
- Какие преимущества покупки Редуктор цилиндрический 1Ц2У-500-10 именно у этого производителя KrepZevs? ❯
- Где можно найти другие товары, похожие на Редуктор цилиндрический 1Ц2У-500-10? ❯
- ПроизводительKrepZevs
- НаличиеВ наличии
168672.00 грн./шт.
5 или больше -
160238.40 грн./шт.
- ТипРедуктор
- Тип редуктораЦилиндрический
- Все характеристики
- Минимальная суммазаказа - 2000 грн
- Надежное сырье и оборудование: Компания использует проверенное сырье и современное оборудование для производства крепежных элементов.
- Опытная команда: Производством стандартных и специальных решений занимается команда профессионалов.
- Сотрудничество с производителями: Компания сотрудничает с ответственными заводами-производителями из Украины и Европы.
168672.00 грн./шт.
5 или больше -
160238.40 грн./шт.
Цилиндрический двухступенчатый редуктор 1Ц2У-500-10
Компания «Зевс» предлагает купить цилиндрический редуктор 1Ц2У-500-10, обладающий следующими характеристиками:
- устройство имеет две ступени;
- редуктор разработан на основе передачи с зубчатым эвольвентным зацеплением;
- имеет горизонтальное исполнение;
- валы устройства расположены параллельно;
- нагрузки, подаваемые на редуктор, могут иметь разный характер;
- работает как в повторно-кратковременном режиме, так и без остановок на протяжении суток.
Если вам необходим цилиндрический редуктор 1Ц2У-500, то компания «Зевс» предоставляет самые выгодные условия. Мы производим и поставляем только качественные преобразователи, которые прошли проверки на качество и имеют соответствующие сертифицирующие документы. На сайте вы можете купить редуктор 1Ц2У-500, цена которого весьма приемлема, с доставкой по всей территории страны. Для получения подробной консультации позвоните по телефону, указанному на сайте. Наши менеджеры будут рады ответить на все ваши вопросы и помочь вам с выбором устройства.
Схема габаритных и присоединительных размеров редуктора 1Ц2У-500

| Типоразмер | A wт | A wб | B | B1 | B2 | H | H1 | h | L | L1 | L2 | L3 | L4 | L5 | d |
| 1Ц2Н- 500-10 | 500 | 315 | 700 | 580 | 650 | 1055 | 530 | 60 | 165 | 615 | 360 | 565 | 530 | 690 | 42 |
Присоединительные размеры конических валов редуктора 1Ц2У-500

| Типоразмер | быстроходный вал | тихоходный вал | ||||||
| d | l | b | t | d | l | b | t | |
| 1Ц2Н-500-10 | 90m6 | 170 | 25 | 95 | 180m6 | 300 | 45 | 190 |
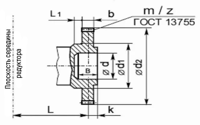
Присоединительные размеры цилиндрических валов редуктора 1Ц2У-500

| Типоразмер | b | d | d1 | d2 | d3 | L | l | l1 | Зацепление | |
| m | z | |||||||||
| 1Ц2Н-500-10 | 50 | 420 | 200 | 160F8 | 230 | 470 | 15 | 70 | 10 | 40 |
Присоединительные размеры в виде зубчатой полумуфты редуктора 1Ц2У-500

| Типоразмер | b | d | d1 | d2 | d3 | L |
| 1Ц2Н-500-10 | 5 | 190h9 | 75h9 | 55 | М8х20 | 360 |
Технические характеристики редуктора 1Ц2У-500
| Наименование технических характеристик | Ед. изм. | Типоразмер | |
| 1Ц2Н-500 | |||
| Передаточные числа | 10 | ||
| Допускаемая радиальная консольная нагрузка |
на быстроходном валу | Н | 10000 |
| на т/х цилиндрическом валу | 100000 | ||
| на т/х валу в виде зубчатой муфты | 100000 | ||
| Номинальный крутящий момент на выходном валу | Н.м. | 56000 | |
| КПД | % | 0,97 | |
| Масса | кг | 2090 | |
Варианты сборки редукторов 1Ц2У

Пример условного обозначения редуктора 1Ц2У-500

Редуктор циліндричний 1Ц2У-500-10
Технические характеристики
- ТипРедуктор
- Тип редуктораЦилиндрический
- Количество рабочих ступеней2
- Тип корпусаЛитой
- Частота вращения входного вала1800
- Вес2090
- Расположение валов редуктораГоризонтальное
- Номинальное передаточное число10
- Способ крепленияНа лапки
- Тип рабочей нагрузкипостоянная, переменная, реверсивная
- Материал корпусаалюминий, сталь, чугун
- Сопровождающий документПаспорт
- Межосевое расстояние500
- Гарантия12 месяцев
- СостояниеНовое
Отзывов: 0
Нет отзывов об этом товаре.
Похожие запросы
Похожие товары
купить болты, резьбовые заклепки, анкерные болты, болты м8, din 7991, купить болты, магазин метизов, метизы купить, купить шурупи, метизы харьков, купить болты гайки, купить гайки, анкерные болт, болты, шурупы, метрическая резьба с крупным шагом, магазин крепеж каталог, болты из нержавеющей стали купить, Мотор-редуктор 3МП, Мотор-редукторы МЧ, Крановые редукторы Ц2, Name, din 603, din 7981, анкера, заклепки, резьбовая заклепка, заклепка алюминиевая, болт м3, болт м8 под шестигранник, гайка м14, din 912, болт м8, болт м 8, din933, болт м10, болт м6, болт м 10, din934, крепеж, болт м12 размеры, болт м5 под шестигранник, болт м 18, болт м9, болт м7 шаг 1, болт м14 1.5, болт м 9, болт м 24, din 6325, din 6799, din 11024, din 6334, din 929, дин 912, метизы оптом, крепеж харьков, магазин крепежа харьков, крепежи магазин, крепёжный магазин, магазин болтов, гайки и болты, болты харьков, болты гайки шайбы, болты госты, стопорные гайки, магазин метизов киев, купить винты, болты с гайкой, болт нержавійка, купить болт м8, болт м8 нержавейка, купить болт м 10, купить болты м8, болты 10.9, гайки купить, болты 8.8, винты м8, болт нержавеющий м8, купить болты м10, крепежные изделия, болты нержавейка, болты киев
