- Какие характеристики имеет товар Редуктор цилиндрический 1Ц2У-500-20? ❯
- Какова цена товара Редуктор цилиндрический 1Ц2У-500-20 и актуальна ли она? ❯
- К какой категории относится товар Редуктор цилиндрический 1Ц2У-500-20? ❯
- Можно ли заказать доставку товара Редуктор цилиндрический 1Ц2У-500-20? ❯
- Какие преимущества покупки Редуктор цилиндрический 1Ц2У-500-20 именно у этого производителя KrepZevs? ❯
- Где можно найти другие товары, похожие на Редуктор цилиндрический 1Ц2У-500-20? ❯
- ПроизводительKrepZevs
- НаличиеВ наличии
- ТипРедуктор
- Тип редуктораЦилиндрический
- Все характеристики
- Минимальная суммазаказа - 2000 грн
- Надежное сырье и оборудование: Компания использует проверенное сырье и современное оборудование для производства крепежных элементов.
- Опытная команда: Производством стандартных и специальных решений занимается команда профессионалов.
- Сотрудничество с производителями: Компания сотрудничает с ответственными заводами-производителями из Украины и Европы.
Цилиндрический двухступенчатый редуктор 1Ц2У-500-20
Одними из самых востребованных преобразователей в промышленности являются цилиндрические редукторы 1Ц2У-500-20. Данные агрегаты предназначены для изменения угловой скорости валов с высокой в более низкую и увеличения момента кручения. Данные манипуляции позволяют уменьшить затраты энергии и сделать производство более экономичным.
Данные редукторы имеют две ступени и параллельные валы, которые расположены в горизонтальной плоскости. Действуют редукторы по принципу цилиндрической передачи.
Если вам необходим цилиндрический редуктор 1Ц2У-500, то компания «Зевс» предоставляет самые выгодные условия. Мы производим и поставляем только качественные преобразователи, которые прошли проверки на качество и имеют соответствующие сертифицирующие документы. На сайте вы можете купить редуктор 1Ц2У-500, цена которого весьма приемлема, с доставкой по всей территории страны. Для получения подробной консультации позвоните по телефону, указанному на сайте. Наши менеджеры будут рады ответить на все ваши вопросы и помочь вам с выбором устройства.
Схема габаритных и присоединительных размеров редуктора 1Ц2У-500

| Типоразмер | A wт | A wб | B | B1 | B2 | H | H1 | h | L | L1 | L2 | L3 | L4 | L5 | d |
| 1Ц2Н- 500-20 | 500 | 315 | 700 | 580 | 650 | 1055 | 530 | 60 | 165 | 615 | 360 | 565 | 530 | 690 | 42 |
Присоединительные размеры конических валов редуктора 1Ц2У-500

| Типоразмер | быстроходный вал | тихоходный вал | ||||||
| d | l | b | t | d | l | b | t | |
| 1Ц2Н-500-20 | 90m6 | 170 | 25 | 95 | 180m6 | 300 | 45 | 190 |
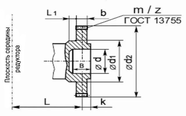
Присоединительные размеры цилиндрических валов редуктора 1Ц2У-500

| Типоразмер | b | d | d1 | d2 | d3 | L | l | l1 | Зацепление | |
| m | z | |||||||||
| 1Ц2Н-500-20 | 50 | 420 | 200 | 160F8 | 230 | 470 | 15 | 70 | 10 | 40 |
Присоединительные размеры в виде зубчатой полумуфты редуктора 1Ц2У-500

| Типоразмер | b | d | d1 | d2 | d3 | L |
| 1Ц2Н-500-20 | 5 | 190h9 | 75h9 | 55 | М8х20 | 360 |
Технические характеристики редуктора 1Ц2У-500
| Наименование технических характеристик | Ед. изм. | Типоразмер | |
| 1Ц2Н-500 | |||
| Передаточные числа | 20 | ||
| Допускаемая радиальная консольная нагрузка |
на быстроходном валу | Н | 10000 |
| на т/х цилиндрическом валу | 100000 | ||
| на т/х валу в виде зубчатой муфты | 100000 | ||
| Номинальный крутящий момент на выходном валу | Н.м. | 56000 | |
| КПД | % | 0,97 | |
| Масса | кг | 2090 | |
Варианты сборки редукторов 1Ц2У

Пример условного обозначения редуктора 1Ц2У-500

Редуктор циліндричний 1Ц2У-500-20
Технические характеристики
- ТипРедуктор
- Тип редуктораЦилиндрический
- Количество рабочих ступеней2
- Тип корпусаЛитой
- Частота вращения входного вала1800
- Вес2090
- Расположение валов редуктораГоризонтальное
- Номинальное передаточное число20
- Способ крепленияНа лапки
- Тип рабочей нагрузкипостоянная, переменная, реверсивная
- Материал корпусаалюминий, сталь, чугун
- Сопровождающий документПаспорт
- Межосевое расстояние500
- Гарантия12 месяцев
- СостояниеНовое
Нет отзывов об этом товаре.
