- Какие характеристики имеет товар Рым-гайка М10 DIN 582 из нержавейки? ❯
- Какова цена товара Рым-гайка М10 DIN 582 из нержавейки и актуальна ли она? ❯
- К какой категории относится товар Рым-гайка М10 DIN 582 из нержавейки? ❯
- Можно ли заказать доставку товара Рым-гайка М10 DIN 582 из нержавейки? ❯
- Какие преимущества покупки Рым-гайка М10 DIN 582 из нержавейки именно у этого производителя KrepZevs? ❯
- Где можно найти другие товары, похожие на Рым-гайка М10 DIN 582 из нержавейки? ❯
- ПроизводительKrepZevs
- НаличиеВ наличии
- Диаметр основания25
- Материал крепежного изделияНержавеющая сталь
- Все характеристики
- Минимальная суммазаказа - 2000 грн
- Надежное сырье и оборудование: Компания использует проверенное сырье и современное оборудование для производства крепежных элементов.
- Опытная команда: Производством стандартных и специальных решений занимается команда профессионалов.
- Сотрудничество с производителями: Компания сотрудничает с ответственными заводами-производителями из Украины и Европы.
Рым-гайка М10 DIN 582 из нержавеющей стали А2 и А4
Рым-гайка М10 DIN 582 из нержавеющей стали - элемент такелажной конструкции, использующийся как самостоятельной звено или часть разъемного соединения, организовано за счет использования стержневого метиза. Рым-гайки часто эксплуатируются совместно с рым-болтами.
Производство метиза может осуществляться из нержавеющих материалов, если его будут устанавливать в сырых или агрессивных условиях.
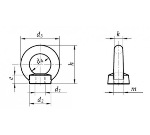
Конструкция рым-гайки DIN 582

Основные технические характеристики рым-гайки DIN 582 из нержавейки
|
Номинальный диаметр резьбы, d, мм |
Наружный диаметр гайки, d2, мм |
Наружный диаметр кольца, d3, мм |
Внутренний диаметр кольца, d4, мм |
Высота резьбовой части, m, мм |
Высота рым-гайки, h, мм |
Толщина кольца, k, мм |
Рабочая нагрузка (сила приложена вдоль оси рым-гайки), n, кг |
Рабочая нагрузка (сила приложена к оси рым-гайки под углом 45° в плоскости кольца) n45, кг |
Вес, p, кг/шт |
|
M10 |
25 |
45 |
25 |
10 |
45 |
10 |
230 |
170 |
0.09 |
Где купить нержавеющие рым-гайки в Украине?
Доверяйте отечественному производителю с большим опытом работы! Мы – команда профессионалов, работающих в компании «Зевс». Специализируемся на создании и продаже метизов для оптовиков по всей Украине. У нас в можете заказать бесплатную консультацию, купить рым-гайки DIN 582 по демократичной стоимости, а также получить хорошую скидку, растущую пропорционально размеру заказа.
Рим-гайка М10 DIN 582 з нержавійки
Технические характеристики
- Диаметр основания25
- Материал крепежного изделияНержавеющая сталь
- Максимальная нагрузка (растяжение под углом 45°)0.17
- Тип крепежного изделияРым-гайка
- Наружный диаметр кольца45
- Вес0.09
- Внутренний диаметр кольца25
- Максимальная нагрузка (прямое растяжение)0.23
- Метрическая резьба, М10
- Гарантийный срок36
- СостояниеНовое
Нет отзывов об этом товаре.
