- Какие характеристики имеет товар Рым-гайка М20 DIN 582 из нержавейки? ❯
- Какова цена товара Рым-гайка М20 DIN 582 из нержавейки и актуальна ли она? ❯
- К какой категории относится товар Рым-гайка М20 DIN 582 из нержавейки? ❯
- Можно ли заказать доставку товара Рым-гайка М20 DIN 582 из нержавейки? ❯
- Какие преимущества покупки Рым-гайка М20 DIN 582 из нержавейки именно у этого производителя KrepZevs? ❯
- Где можно найти другие товары, похожие на Рым-гайка М20 DIN 582 из нержавейки? ❯
- ПроизводительKrepZevs
- НаличиеВ наличии
- Диаметр основания40
- Материал крепежного изделияНержавеющая сталь
- Все характеристики
- Минимальная суммазаказа - 2000 грн
- Надежное сырье и оборудование: Компания использует проверенное сырье и современное оборудование для производства крепежных элементов.
- Опытная команда: Производством стандартных и специальных решений занимается команда профессионалов.
- Сотрудничество с производителями: Компания сотрудничает с ответственными заводами-производителями из Украины и Европы.
Рым-гайка М20 DIN 582 из нержавеющей стали А2 и А4
Рым-гайка М20 DIN 582 производится из стали А2 или А4, благодаря чему приобретает высокую устойчивость к коррозии. Метиз состоит из широкого кольца, за которое цепляются иные крепежи, продеваются тросы и пр., а также основания. Внутри последней части имеется отверстие с метрической резьбой для соединения со стержневым метизом соответствующего типоразмера, шага и материала производства
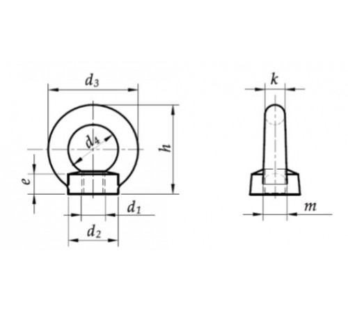
Конструкция рым-гайки DIN 582

Основные технические характеристики рым-гайки DIN 582 из нержавейки
|
Номинальный диаметр резьбы, d, мм |
Наружный диаметр гайки, d2, мм |
Наружный диаметр кольца, d3, мм |
Внутренний диаметр кольца, d4, мм |
Высота резьбовой части, m, мм |
Высота рым-гайки, h, мм |
Толщина кольца, k, мм |
Рабочая нагрузка (сила приложена вдоль оси рым-гайки), n, кг |
Рабочая нагрузка (сила приложена к оси рым-гайки под углом 45° в плоскости кольца) n45, кг |
Вес, p, кг/шт |
|
M20 |
40 |
72 |
40 |
16 |
71 |
16 |
1200 |
860 |
0.35 |
Где купить нержавеющие рым-гайки в Украине?
Доверяйте отечественному производителю с большим опытом работы! Мы – команда профессионалов, работающих в компании «Зевс». Специализируемся на создании и продаже метизов для оптовиков по всей Украине. У нас в можете заказать бесплатную консультацию, купить рым-гайки DIN 582 по демократичной стоимости, а также получить хорошую скидку, растущую пропорционально размеру заказа.
Рим-гайка М20 DIN 582 з нержавійки
Технические характеристики
- Диаметр основания40
- Материал крепежного изделияНержавеющая сталь
- Максимальная нагрузка (растяжение под углом 45°)0.86
- Тип крепежного изделияРым-гайка
- Наружный диаметр кольца72
- Вес0.35
- Внутренний диаметр кольца40
- Максимальная нагрузка (прямое растяжение)1.2
- Метрическая резьба, М20
- Гарантийный срок36
- СостояниеНовое
Нет отзывов об этом товаре.
