- Какие характеристики имеет товар Болт М24 ГОСТ 22353-77 класс прочности 10.9? ❯
- Какова цена товара Болт М24 ГОСТ 22353-77 класс прочности 10.9 и актуальна ли она? ❯
- К какой категории относится товар Болт М24 ГОСТ 22353-77 класс прочности 10.9? ❯
- Можно ли заказать доставку товара Болт М24 ГОСТ 22353-77 класс прочности 10.9? ❯
- Какие преимущества покупки Болт М24 ГОСТ 22353-77 класс прочности 10.9 именно у этого производителя KrepZevs? ❯
- Где можно найти другие товары, похожие на Болт М24 ГОСТ 22353-77 класс прочности 10.9? ❯
- ПроизводительKrepZevs
- НаличиеВ наличии
- Назначение болтаОбщего назначения
- Материал болтаВысокопрочная сталь
- Все характеристики
- Минимальная суммазаказа - 2000 грн
- Надежное сырье и оборудование: Компания использует проверенное сырье и современное оборудование для производства крепежных элементов.
- Опытная команда: Производством стандартных и специальных решений занимается команда профессионалов.
- Сотрудничество с производителями: Компания сотрудничает с ответственными заводами-производителями из Украины и Европы.
Болт М24 ГОСТ 22353-77 прочностью 10.9
Соответствие болтов высокой прочности М24 стандарту ГОСТ 22353-77 определяет их как метизы, способные совершать надежные и долговечные соединения в условиях больших минусовых температур. Данное изделие представляет собой классический шестигранный болт с увеличенным размером «под ключ» и возможностью оцинковывания для защиты от старения, коррозийных процессов и сколов.
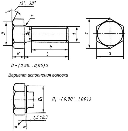
Конструкция болта ГОСТ 22353-77

Основные технические характеристики
|
Характеристика |
Описание |
Значение |
|
Номинальный диаметр метрической резьбы |
d |
М24 |
|
Высота головки, мм |
k |
17 |
|
Размер под ключ, мм |
S |
41 |
|
Диаметр описанной окружности, мм |
e |
45.2 |
|
Шаг резьбы, мм |
Р |
3 |
Таблица масс и длин болта ГОСТ 22353-77
|
Длина болта (мм) |
Вес одного болта (г) |
|
60 |
367 |
|
65 |
386 |
|
70 |
404 |
|
75 |
421 |
|
80 |
438 |
|
85 |
456 |
|
90 |
473 |
|
95 |
491 |
|
100 |
508 |
|
105 |
525 |
|
110 |
543 |
|
115 |
560 |
|
120 |
578 |
|
125 |
595 |
|
130 |
612 |
|
140 |
646 |
|
150 |
682 |
|
160 |
714 |
|
170 |
748 |
|
180 |
783 |
|
190 |
818 |
|
200 |
853 |
|
220 |
922 |
|
240 |
992 |
|
260 |
1061 |
|
280 |
1131 |
|
300 |
1200 |
Болт М24 ГОСТ 22353-77 клас міцності 10.9
Технические характеристики
- Назначение болтаОбщего назначения
- Материал болтаВысокопрочная сталь
- Класс прочности10.9
- Метрическая резьба, М24
- Размер под ключ41
- Шаг резьбы3
- Диаметр головки24
- Высота головки17
- Гарантийный срок36
- СостояниеНовое
- СтандартГОСТ 22353-77
Нет отзывов об этом товаре.
