- Какие характеристики имеет товар Болт М30 ГОСТ 22353-77 класс прочности 10.9? ❯
- Какова цена товара Болт М30 ГОСТ 22353-77 класс прочности 10.9 и актуальна ли она? ❯
- К какой категории относится товар Болт М30 ГОСТ 22353-77 класс прочности 10.9? ❯
- Можно ли заказать доставку товара Болт М30 ГОСТ 22353-77 класс прочности 10.9? ❯
- Какие преимущества покупки Болт М30 ГОСТ 22353-77 класс прочности 10.9 именно у этого производителя KrepZevs? ❯
- Где можно найти другие товары, похожие на Болт М30 ГОСТ 22353-77 класс прочности 10.9? ❯
- ПроизводительKrepZevs
- НаличиеВ наличии
- Назначение болтаОбщего назначения
- Материал болтаВысокопрочная сталь
- Все характеристики
- Минимальная суммазаказа - 2000 грн
- Надежное сырье и оборудование: Компания использует проверенное сырье и современное оборудование для производства крепежных элементов.
- Опытная команда: Производством стандартных и специальных решений занимается команда профессионалов.
- Сотрудничество с производителями: Компания сотрудничает с ответственными заводами-производителями из Украины и Европы.
Болт М30 ГОСТ 22353-77 прочностью 10.9
Произвести корректное и долговечное соединение в условиях повышенных нагрузок в металлическом сооружении возможно с помощью болтов М30 ГОСТ 22353-77. Согласно стандарту, данные метизы производятся из сталей марок ст.40Х, 40ХНМА и 30ХГСА, что позволяет после термического улучшения получить высокопрочные изделия класса 10.9. Для надежности и защиты от влаги рекомендуется покрывать крепеж защитным слоем цинка, который предотвращает разрушение вследствие влияния коррозии.
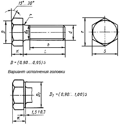
Конструкция болта ГОСТ 22353-77

Основные технические характеристики
|
Характеристика |
Описание |
Значение |
|
Номинальный диаметр метрической резьбы |
d |
М30 |
|
Высота головки, мм |
k |
19 |
|
Размер под ключ, мм |
S |
46 |
|
Диаметр описанной окружности, мм |
e |
50,9 |
|
Шаг резьбы, мм |
Р |
3.5 |
Таблица масс и длин болта ГОСТ 22353-77
|
Длина болта (мм) |
Вес одного болта (г) |
|
75 |
621 |
|
80 |
648 |
|
85 |
676 |
|
90 |
703 |
|
95 |
730 |
|
100 |
758 |
|
105 |
785 |
|
110 |
812 |
|
115 |
839 |
|
120 |
867 |
|
125 |
894 |
|
130 |
921 |
|
140 |
976 |
|
150 |
1030 |
|
160 |
1080 |
|
170 |
1135 |
|
180 |
1189 |
|
190 |
1244 |
|
200 |
1299 |
|
220 |
1408 |
|
240 |
1517 |
|
260 |
1626 |
|
280 |
1735 |
|
300 |
1849 |
Болт М30 ГОСТ 22353-77 клас міцності 10.9
Технические характеристики
- Назначение болтаОбщего назначения
- Материал болтаВысокопрочная сталь
- Класс прочности10.9
- Метрическая резьба, М30
- Размер под ключ46
- Шаг резьбы3.5
- Диаметр головки30
- Высота головки19
- Гарантийный срок36
- СостояниеНовое
- СтандартГОСТ 22353-77
Нет отзывов об этом товаре.
