- Какие характеристики имеет товар Болт М20 ГОСТ 22353-77 класс прочности 10.9? ❯
- Какова цена товара Болт М20 ГОСТ 22353-77 класс прочности 10.9 и актуальна ли она? ❯
- К какой категории относится товар Болт М20 ГОСТ 22353-77 класс прочности 10.9? ❯
- Можно ли заказать доставку товара Болт М20 ГОСТ 22353-77 класс прочности 10.9? ❯
- Какие преимущества покупки Болт М20 ГОСТ 22353-77 класс прочности 10.9 именно у этого производителя KrepZevs? ❯
- Где можно найти другие товары, похожие на Болт М20 ГОСТ 22353-77 класс прочности 10.9? ❯
- ПроизводительKrepZevs
- НаличиеВ наличии
- Назначение болтаОбщего назначения
- Материал болтаВысокопрочная сталь
- Все характеристики
- Минимальная суммазаказа - 2000 грн
- Надежное сырье и оборудование: Компания использует проверенное сырье и современное оборудование для производства крепежных элементов.
- Опытная команда: Производством стандартных и специальных решений занимается команда профессионалов.
- Сотрудничество с производителями: Компания сотрудничает с ответственными заводами-производителями из Украины и Европы.
Болт М20 ГОСТ 22353-77 прочностью 10.9
Высокопрочные болты М20, изготовление которых базируется на техническом регламенте ГОСТ 22353-77, используются в тяжелом машиностроении и иных областях деятельности человека, требующих установки метизов высокой прочности, способных выдерживать работу при сильных нагрузках. Установка данных изделий препятствует сдвигу элемента или поверхностей друг относительно друга, создавая надежное и крайне долговечное, не поддающееся отрицательным температурам соединение.
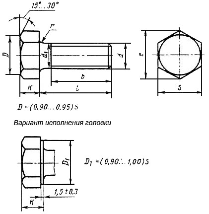
Конструкция болта ГОСТ 22353-77

Основные технические характеристики
|
Характеристика |
Описание |
Значение |
|
Номинальный диаметр метрической резьбы |
d |
М20 |
|
Высота головки, мм |
k |
14 |
|
Размер под ключ, мм |
S |
32 |
|
Диаметр описанной окружности, мм |
e |
35 |
|
Шаг резьбы, мм |
Р |
2.5 |
Таблица масс и длин болта ГОСТ 22353-77
|
Длина болта (мм) |
Вес одного болта (г) |
|
50 |
198 |
|
55 |
211 |
|
60 |
223 |
|
65 |
235 |
|
70 |
247 |
|
75 |
259 |
|
80 |
271 |
|
85 |
283 |
|
90 |
295 |
|
95 |
307 |
|
100 |
319 |
|
105 |
331 |
|
110 |
343 |
|
115 |
355 |
|
120 |
367 |
|
125 |
379 |
|
130 |
391 |
|
140 |
415 |
|
150 |
439 |
|
160 |
461 |
|
170 |
485 |
|
180 |
509 |
|
190 |
533 |
|
200 |
557 |
|
220 |
605 |
|
240 |
654 |
|
260 |
702 |
|
280 |
750 |
|
300 |
798 |
Болт М20 ГОСТ 22353-77 клас міцності 10.9
Технические характеристики
- Назначение болтаОбщего назначения
- Материал болтаВысокопрочная сталь
- Класс прочности10.9
- Метрическая резьба, М20
- Размер под ключ32
- Шаг резьбы2.5
- Диаметр головки20
- Высота головки14
- Гарантийный срок36
- СостояниеНовое
- СтандартГОСТ 22353-77
Нет отзывов об этом товаре.
