- Какие характеристики имеет товар Болт М22 ГОСТ 22353-77 класс прочности 10.9? ❯
- Какова цена товара Болт М22 ГОСТ 22353-77 класс прочности 10.9 и актуальна ли она? ❯
- К какой категории относится товар Болт М22 ГОСТ 22353-77 класс прочности 10.9? ❯
- Можно ли заказать доставку товара Болт М22 ГОСТ 22353-77 класс прочности 10.9? ❯
- Какие преимущества покупки Болт М22 ГОСТ 22353-77 класс прочности 10.9 именно у этого производителя KrepZevs? ❯
- Где можно найти другие товары, похожие на Болт М22 ГОСТ 22353-77 класс прочности 10.9? ❯
- ПроизводительKrepZevs
- НаличиеВ наличии
220.00 грн./кг
50 или больше -
209.00 грн./кг
- Назначение болтаОбщего назначения
- Материал болтаВысокопрочная сталь
- Все характеристики
- Минимальная суммазаказа - 2000 грн
- Надежное сырье и оборудование: Компания использует проверенное сырье и современное оборудование для производства крепежных элементов.
- Опытная команда: Производством стандартных и специальных решений занимается команда профессионалов.
- Сотрудничество с производителями: Компания сотрудничает с ответственными заводами-производителями из Украины и Европы.
220.00 грн./кг
50 или больше -
209.00 грн./кг
Болт М22 ГОСТ 22353-77 прочностью 10.9
Болты М22 относятся к высокопрочным метизам класса 10.9, если их изготовление производится в соответствии с ГОСТ 22353-77 из высококачественных легированных хромом сталей и дальнейшего термического улучшения. Метизы, произведенные по данной технологии, могут выдерживать сильные отрицательные температуры, что активно используется в северных областях.
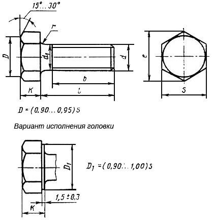
Конструкция болта ГОСТ 22353-77

Основные технические характеристики
|
Характеристика |
Описание |
Значение |
|
Номинальный диаметр метрической резьбы |
d |
М22 |
|
Высота головки, мм |
k |
15 |
|
Размер под ключ, мм |
S |
36 |
|
Диаметр описанной окружности, мм |
e |
39,6 |
|
Шаг резьбы, мм |
Р |
2.5 |
Таблица масс и длин болта ГОСТ 22353-77
|
Длина болта (мм) |
Вес одного болта (г) |
|
55 |
267 |
|
60 |
282 |
|
65 |
297 |
|
70 |
312 |
|
75 |
326 |
|
80 |
341 |
|
85 |
355 |
|
90 |
370 |
|
95 |
384 |
|
100 |
399 |
|
105 |
414 |
|
110 |
428 |
|
115 |
443 |
|
120 |
457 |
|
125 |
472 |
|
130 |
487 |
|
140 |
516 |
|
150 |
545 |
|
160 |
572 |
|
170 |
601 |
|
180 |
630 |
|
190 |
659 |
|
200 |
688 |
|
220 |
747 |
|
240 |
805 |
|
260 |
863 |
|
280 |
922 |
|
300 |
980 |
Приобретайте высокопрочные болты и другую метизную продукцию, созданную по уже имеющимся стандартам или по индивидуальным проектам, в компании «Зевс». Мы поставляем элементы исключительного качества, подвергаем их тщательному контролю и предоставляем всю необходимую документацию, подтверждающую высокий уровень нашего товара. Для постоянных клиентов и оптовых покупателей действует гибкая система скидок. Гарантия качества на крепеж - 3 года с момента приобретения. Доставка осуществляется по всей Украине сразу после внесения оплаты.
Болт М22 ГОСТ 22353-77 клас міцності 10.9
Технические характеристики
- Назначение болтаОбщего назначения
- Материал болтаВысокопрочная сталь
- Класс прочности10.9
- Метрическая резьба, М22
- Размер под ключ36
- Шаг резьбы2.5
- Диаметр головки22
- Высота головки15
- Гарантийный срок36
- СостояниеНовое
- СтандартГОСТ 22353-77
Отзывов: 0
Нет отзывов об этом товаре.
Похожие товары
купить болты, резьбовые заклепки, анкерные болты, болты м8, din 7991, купить болты, магазин метизов, метизы купить, купить шурупи, метизы харьков, купить болты гайки, купить гайки, анкерные болт, болты, шурупы, метрическая резьба с крупным шагом, магазин крепеж каталог, болты из нержавеющей стали купить, Мотор-редуктор 3МП, Мотор-редукторы МЧ, Крановые редукторы Ц2, Name, din 603, din 7981, анкера, заклепки, резьбовая заклепка, заклепка алюминиевая, болт м3, болт м8 под шестигранник, гайка м14, din 912, болт м8, болт м 8, din933, болт м10, болт м6, болт м 10, din934, крепеж, болт м12 размеры, болт м5 под шестигранник, болт м 18, болт м9, болт м7 шаг 1, болт м14 1.5, болт м 9, болт м 24, din 6325, din 6799, din 11024, din 6334, din 929, дин 912, метизы оптом, крепеж харьков, магазин крепежа харьков, крепежи магазин, крепёжный магазин, магазин болтов, гайки и болты, болты харьков, болты гайки шайбы, болты госты, стопорные гайки, магазин метизов киев, купить винты, болты с гайкой, болт нержавійка, купить болт м8, болт м8 нержавейка, купить болт м 10, купить болты м8, болты 10.9, гайки купить, болты 8.8, винты м8, болт нержавеющий м8, купить болты м10, крепежные изделия, болты нержавейка, болты киев
