- Какие характеристики имеет товар Болт М36 ГОСТ 22353-77 класс прочности 10.9? ❯
- Какова цена товара Болт М36 ГОСТ 22353-77 класс прочности 10.9 и актуальна ли она? ❯
- К какой категории относится товар Болт М36 ГОСТ 22353-77 класс прочности 10.9? ❯
- Можно ли заказать доставку товара Болт М36 ГОСТ 22353-77 класс прочности 10.9? ❯
- Какие преимущества покупки Болт М36 ГОСТ 22353-77 класс прочности 10.9 именно у этого производителя KrepZevs? ❯
- Где можно найти другие товары, похожие на Болт М36 ГОСТ 22353-77 класс прочности 10.9? ❯
- ПроизводительKrepZevs
- НаличиеВ наличии
- Назначение болтаОбщего назначения
- Материал болтаВысокопрочная сталь
- Все характеристики
- Минимальная суммазаказа - 2000 грн
- Надежное сырье и оборудование: Компания использует проверенное сырье и современное оборудование для производства крепежных элементов.
- Опытная команда: Производством стандартных и специальных решений занимается команда профессионалов.
- Сотрудничество с производителями: Компания сотрудничает с ответственными заводами-производителями из Украины и Европы.
Болт М36 ГОСТ 22353-77 прочностью 10.9
Болты М36 относятся к высокопрочным, ведь соответствуют ГОСТ 22353-77. Стандарт описывает метиз, как болт класса прочности 10.9 с полной или частичной резьбой на стальном стержне и с шестигранной головой увеличенного размера «под ключ». Сырьем для производства данного крепежа служит углеродистая легированная сталь, которая после обработки позволяет устанавливать изделия в условиях сильных холодов.
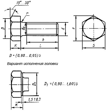
Конструкция болта ГОСТ 22353-77

Основные технические характеристики
|
Характеристика |
Описание |
Значение |
|
Номинальный диаметр метрической резьбы |
d |
М36 |
|
Высота головки, мм |
k |
23 |
|
Размер под ключ, мм |
S |
55 |
|
Диаметр описанной окружности, мм |
e |
60,8 |
|
Шаг резьбы, мм |
Р |
4 |
Таблица масс и длин болта ГОСТ 22353-77
|
Длина болта (мм) |
Вес одного болта (г) |
|
90 |
1081 |
|
95 |
1120 |
|
100 |
1159 |
|
110 |
1238 |
|
115 |
1277 |
|
120 |
1316 |
|
125 |
1356 |
|
130 |
1395 |
|
140 |
1474 |
|
150 |
1552 |
|
160 |
1625 |
|
170 |
1703 |
|
180 |
1782 |
|
190 |
1860 |
|
200 |
1939 |
|
220 |
2096 |
|
240 |
2253 |
|
260 |
2410 |
|
280 |
2568 |
|
300 |
2725 |
Болт М36 ГОСТ 22353-77 клас міцності 10.9
Технические характеристики
- Назначение болтаОбщего назначения
- Материал болтаВысокопрочная сталь
- Класс прочности10.9
- Метрическая резьба, М36
- Размер под ключ55
- Шаг резьбы4
- Диаметр головки36
- Высота головки23
- Гарантийный срок36
- СостояниеНовое
- СтандартГОСТ 22353-77
Нет отзывов об этом товаре.
