- Какие характеристики имеет товар Червячный редуктор 2Ч-30? ❯
- Какова цена товара Червячный редуктор 2Ч-30 и актуальна ли она? ❯
- К какой категории относится товар Червячный редуктор 2Ч-30? ❯
- Можно ли заказать доставку товара Червячный редуктор 2Ч-30? ❯
- Какие преимущества покупки Червячный редуктор 2Ч-30 именно у этого производителя KrepZevs? ❯
- Где можно найти другие товары, похожие на Червячный редуктор 2Ч-30? ❯
- ПроизводительKrepZevs
- НаличиеВ наличии
- ТипРедуктор
- Тип редуктораЧервячный
- Все характеристики
- Минимальная суммазаказа - 2000 грн
- Надежное сырье и оборудование: Компания использует проверенное сырье и современное оборудование для производства крепежных элементов.
- Опытная команда: Производством стандартных и специальных решений занимается команда профессионалов.
- Сотрудничество с производителями: Компания сотрудничает с ответственными заводами-производителями из Украины и Европы.
Червячный редуктор 2Ч-30
Редуктор 2Ч-30 благодаря своим конструкционным особенностям, является очень востребованным устройством. Он отличается прочностью и неприхотливостью к различным условиям эксплуатации. Работа редуктора заключается в преобразовании крутящего момента и частоты вращения винта в приводах различного оборудования. Так как механизм имеет общее назначение, то применение его весьма обширно. Устанавливают данные преобразователи в приводы конвейеров, транспортеров, дробилок, подъемников и элеваторов.
Рекомендуется использовать редуктор с периодическими остановками, хотя допускается и непрерывная работа на протяжении суток. Валы устройства вращаются в обоих направлениях, что дает возможность использовать редуктор с реверсивной нагрузкой. К преимуществам можно отнести их бесшумную работу, плавность хода и самоторможение в экстренных ситуациях.
Купить червячный редуктор 2Ч, цена которого весьма приемлема, вы можете на сайте компании производителя «Зевс». Современное оборудование, установленное на нашем заводе, позволяет создавать качественные устройства, которые прослужат вам много лет. Строгий контроль качества исключает наличие любого брака. Если у вас возникли вопросы, наши менеджеры предоставят вам подробную консультацию и помогут с выбором преобразователя. Мы осуществляем как оптовые, так и розничные поставки по всей Украине. Каждый редуктор имеет уникальный паспорт и гарантию на 12 месяцев.
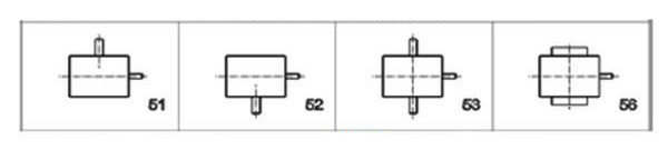
Соединительные и габаритные размеры червячного редуктора 2Ч

Технические характеристики редуктора 2Ч-30
|
Наименование параметров |
Значения |
|||||||||
|
Межосевое расстояние, мм |
30 |
|||||||||
|
Номинальная частота вращения входного вала, об/мин |
1500 |
|||||||||
|
Передаточное число номинальное |
8 |
10 |
12,5 |
16 |
20 |
25 |
31,5 |
40 |
50 |
|
|
Номинальный крутящий момент на выходном валу, Нм, при ПВ, % |
40 |
15 |
11 |
15 |
11 |
9 |
15 |
12 |
10 |
|
|
100 |
10 |
10 |
||||||||
|
КПД, %, в непрерывном режиме с ПВ=100%, не менее |
80 |
76 |
73 |
70 |
66 |
61 |
55 |
51 |
46 |
|
|
Допускаемая радиальная консольная нагрузка, Н, приложенная к середине посадочной части конца вала, при ПВ% |
входного |
50 |
||||||||
|
выходного |
800 |
|||||||||
|
Масса редуктора, кг, не более |
1,9 |
|||||||||
Вариант сборки редуктора:

Вариант расположения червячной пары:

Пример условного обозначения редуктора 2Ч

Черв'ячний редуктор 2Ч-30
Технические характеристики
- ТипРедуктор
- Тип редуктораЧервячный
- Количество рабочих ступеней1
- Частота вращения входного вала1800
- Вес2
- Способ крепленияНа лапки
- Тип рабочей нагрузкипостоянная, переменная
- Материал корпусаалюминий, сталь, чугун
- Сопровождающий документПаспорт
- Межосевое расстояние30
- Гарантия12 месяцев
- СостояниеНовое
Нет отзывов об этом товаре.
