- Какие характеристики имеет товар Червячный редуктор 2Ч-40? ❯
- Какова цена товара Червячный редуктор 2Ч-40 и актуальна ли она? ❯
- К какой категории относится товар Червячный редуктор 2Ч-40? ❯
- Можно ли заказать доставку товара Червячный редуктор 2Ч-40? ❯
- Какие преимущества покупки Червячный редуктор 2Ч-40 именно у этого производителя KrepZevs? ❯
- Где можно найти другие товары, похожие на Червячный редуктор 2Ч-40? ❯
- ПроизводительKrepZevs
- НаличиеВ наличии
- ТипРедуктор
- Тип редуктораЧервячный
- Все характеристики
- Минимальная суммазаказа - 2000 грн
- Надежное сырье и оборудование: Компания использует проверенное сырье и современное оборудование для производства крепежных элементов.
- Опытная команда: Производством стандартных и специальных решений занимается команда профессионалов.
- Сотрудничество с производителями: Компания сотрудничает с ответственными заводами-производителями из Украины и Европы.
Червячный редуктор 2Ч-40
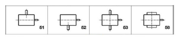
Червячный редуктор 2Ч-40 имеет межосевое расстояние 40 (мм). Используются данные механизмы в промышленном оборудовании для преобразования параметров крутящего момента и частоты вращения вала. Данный типоразмер является ходовым и производится в 4 вариантах сборки, что позволяет легко подобрать необходимую вам монтажную позицию.
Одна червячная ступень обеспечивает редуктору 2Ч-40 передаточные числа в диапазоне от 8 до 63. Валы преобразователя имеют перпендикулярное расположение относительно друг друга. Максимальная подаваемая скорость на входной вал не должна превышать 1800 оборотов в минуту. Небольшие габариты и плавная бесшумная работа делает редуктор 2Ч-40 очень востребованным во многих производственных областях.
Купить червячный редуктор 2Ч, цена которого весьма приемлема, вы можете на сайте компании производителя «Зевс». Современное оборудование, установленное на нашем заводе, позволяет создавать качественные устройства, которые прослужат вам много лет. Строгий контроль качества исключает наличие любого брака. Если у вас возникли вопросы, наши менеджеры предоставят вам подробную консультацию и помогут с выбором преобразователя. Мы осуществляем как оптовые, так и розничные поставки по всей Украине. Каждый редуктор имеет уникальный паспорт и гарантию на 12 месяцев.
Соединительные и габаритные размеры червячного редуктора 2Ч

|
Типоразмер редуктора |
aw |
А1 |
А2 |
А3 |
А4 |
B1 |
B2 |
B3 |
B4 |
H |
H1 |
H2 |
H3 |
H4 |
|
2Ч-40 |
40 |
150 |
140 |
35 |
105 |
100 |
164 |
182 |
120 |
72 |
180 |
55 |
30 |
37 |
|
Типоразмер редуктора |
H5 |
L1 |
L2 |
L3 |
L4 |
L5 |
b1 |
b2 |
d1 |
d2 |
d3 |
d4 |
|
2Ч-40 |
115 |
100 |
90 |
180 |
75 |
32 |
3 |
6 |
16 |
18 |
14.6 |
М5 |
Технические характеристики редуктора 2Ч-40
|
Номинальное передаточное число |
Фактическое передаточное число |
Частота вращения вала 1500 об/мин. |
|
|
Мкр на выходном валу, Нм |
КПД |
||
|
8 |
7.75 |
28 |
0.87 |
|
10 |
9.75 |
28 |
0.85 |
|
12.5 |
12.25 |
26 |
0.83 |
|
16 |
15.5 |
28 |
0.81 |
|
20 |
19.5 |
28 |
0.76 |
|
25 |
24.5 |
26 |
0.73 |
|
31.5 |
31 |
32 |
0.7 |
|
40 |
39 |
29 |
0.63 |
|
50 |
49 |
28 |
0.6 |
|
63 |
64 |
26 |
0.58 |
|
80 |
– |
– |
– |
Размеры входных/выходных валов редуктора

|
Типоразмер редуктора |
d5 |
d6 |
d7 |
d8 |
d9 |
d10 |
h1 |
h2 |
I1 |
I2 |
I3 |
I4 |
I5 |
I6 |
|
2Ч-40 |
М5 |
10.5 |
16 |
23 |
60 |
13 |
3 |
6 |
28 |
28 |
15 |
15 |
8 |
72 |
|
Типоразмер редуктора |
I7 |
I8 |
s |
t1 |
t2 |
Эвольвентные шлицы ГОСТ 6033-80 |
Объем масла, л |
Масса, кг |
|
2Ч-40 |
20 |
112 |
4 |
1.8 |
14.5 |
22×1.5×7Н |
0.18…0.3 |
6.7 |
Вариант сборки редуктора:

Вариант расположения червячной пары:

Пример условного обозначения редуктора 2Ч

Черв'ячний редуктор 2Ч-40
Технические характеристики
- ТипРедуктор
- Тип редуктораЧервячный
- Количество рабочих ступеней1
- Частота вращения входного вала1800
- Вес6.5
- Способ крепленияНа лапки
- Тип рабочей нагрузкипостоянная, переменная
- Материал корпусаалюминий, сталь, чугун
- Сопровождающий документПаспорт
- Межосевое расстояние40
- Гарантия12 месяцев
- СостояниеНовое
Нет отзывов об этом товаре.
