- Які характеристики має товар Болт-скоба U-подібної форми DIN 3570 А30? ❯
- Яка ціна товару Болт-скоба U-подібної форми DIN 3570 А30 і чи вона актуальна? ❯
- До якої категорії належить товар Болт-скоба U-подібної форми DIN 3570 А30? ❯
- Чи можна замовити доставку для товару Болт-скоба U-подібної форми DIN 3570 А30? ❯
- Які переваги покупки Болт-скоба U-подібної форми DIN 3570 А30 саме у цього виробника KrepZevs? ❯
- Де можна знайти інші товари, схожі на Болт-скоба U-подібної форми DIN 3570 А30? ❯
- ВиробникKrepZevs
- НаявністьВ наявності
- Призначення болтаБолт-скоба
- Форма болтаu-подібна
- Усі характеристики
- Мінімальна сумма замовлення - 2000 грн
- Надійна сировина та обладнання: Компанія використовує перевірену сировину та сучасне обладнання для виробництва кріпильних елементів.
- Дослідна команда: Виробництвом стандартних та спеціальних рішень займається команда професіоналів.
- Співпраця з виробниками: Компанія співпрацює з відповідальними заводами-виробниками з України та Європи.
Болт-скоба U-подібної форми DIN 3570 А30
Болт-скоба U-подібної форми DIN 3570 А30 - є хомутом для труб, він має U-подібну форму та метричне різьблення на кінцях і відповідає виконанню А. Такі елементи застосовують для підтримки труб, кабелів та балок у комунікаційній сфері. Виготовляють металовироби за стандартами DIN 3570 та ГОСТ 24137-80.
Вироби виготовляють з вуглецевої сталі різних класів міцності і можуть оцинкуватися, для збільшення міцності, стійкості до корозії та експлуатації в сирому середовищі. Також для використання в агресивному середовищі деталі можуть створювати з нержавіючої сталі марки А2 та А4. Дане кріплення просте і зручне у використанні, але досить практичне.
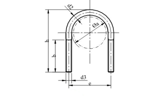
Конструкція болта DIN 3570

Таблиця розмірів болтів DIN 3570 (мм):
|
Характеристика |
Опис |
Значення |
|
Внутрішній діаметр |
a |
30 |
|
Висота різьбової частини |
b |
40 |
|
Номінальний діаметр різьблення |
d3 |
М10 |
|
Діаметр болта у вигині |
d2 |
8,9 |
|
Відстань від осі однієї сторони скоби до осі іншої |
e |
40 |
|
Висота болта |
h |
70 |
Замовити болт-скобу U-подібної форми DIN 3570 можна на сайті компанії «Зевс», залишивши заявку онлайн.
Купуючи товар на нашому підприємстві, ви отримуєте продукцію після попередньої перевірки у ВТК. Гарантія якості на кріплення – 36 місяців з моменту придбання. У нас ви знайдете великий асортимент металовиробів за ціною, нижчою від середньоринкового показника. Для постійних клієнтів та оптових покупців діє гнучка система знижок. Ми виготовляємо деталі за кресленнями клієнта. Доставка здійснюється по всій Україні одразу після внесення оплати.
Болт-скоба U-образной формы DIN 3570 А30
Технічні характеристики
- Призначення болтаБолт-скоба
- Форма болтаu-подібна
- Матеріал болтаСталь
- ПокриттяЦинк
- Метричне різьблення, М30
- Супровідний документСертифікат
- Гарантійний термін36
- СтанНове
- СтандартDIN 3570
- Матеріал виготовленнявуглецева сталь, нержавіюча сталь
Відгуків про цей товар ще не було.
