- Які характеристики має товар Гайка М24 ГОСТ 9064-75 класу міцності 8.0? ❯
- Яка ціна товару Гайка М24 ГОСТ 9064-75 класу міцності 8.0 і чи вона актуальна? ❯
- До якої категорії належить товар Гайка М24 ГОСТ 9064-75 класу міцності 8.0? ❯
- Чи можна замовити доставку для товару Гайка М24 ГОСТ 9064-75 класу міцності 8.0? ❯
- Які переваги покупки Гайка М24 ГОСТ 9064-75 класу міцності 8.0 саме у цього виробника KrepZevs? ❯
- Де можна знайти інші товари, схожі на Гайка М24 ГОСТ 9064-75 класу міцності 8.0? ❯
- ВиробникKrepZevs
- НаявністьВ наявності
- Матеріал гайкиСталь
- Вид гайкиШестигранна
- Усі характеристики
- Мінімальна сумма замовлення - 2000 грн
- Надійна сировина та обладнання: Компанія використовує перевірену сировину та сучасне обладнання для виробництва кріпильних елементів.
- Дослідна команда: Виробництвом стандартних та спеціальних рішень займається команда професіоналів.
- Співпраця з виробниками: Компанія співпрацює з відповідальними заводами-виробниками з України та Європи.
Гайка для фланцевих з'єднань М24 ГОСТ 9064-75 із класом міцності 8.0
Гайка М24 ГОСТ 9064-75 з класом міцності 8.0 призначена для експлуатації у фланцевих з'єднаннях за температури 0…+650 градусів Цельсія. Конструкційно метиз М24 ГОСТ 9064-75 може мати два типи:
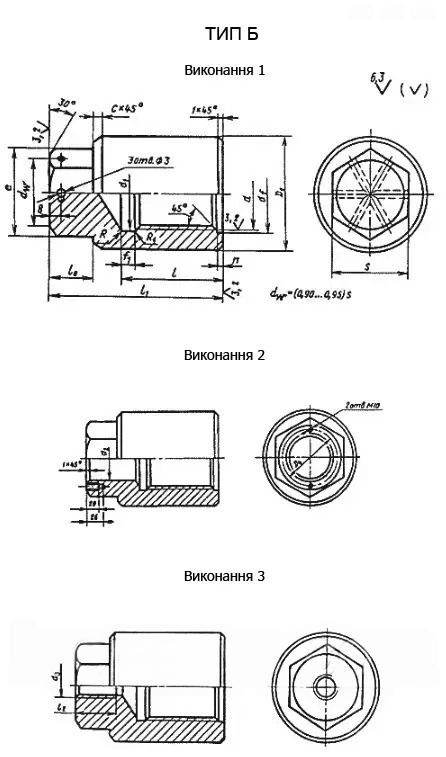
- тип А (шестигранна);
- тип В (ковпачкова).
Тип В також має ще три виконання, які можна побачити на кресленні нижче. Виготовляють цю деталь із високоміцної вуглецевої сталі клас міцності 8.0 і при необхідності покривають шаром цинку, для збільшення характеристик міцності.
Схема габаритних розмірів гайки М24 ГОСТ 9064-75 (мм):

| d | M24 | |
| P | великий | 3,0 |
| дрібний | 2,0 | |
| S | 36 | |
| e | 40,3 | |
| m | 24 | |
| N | 0,133 | |

| d | M24 | |
| P | великий | 3,0 |
| дрібний | 2,0 | |
| S | 27 | |
| D1 | 40 | |
| e | 31,2 | |
| dƒ | 25 | |
| d2 | - | |
| d3 | - | |
| l | 40 | |
| l0 | 16 | |
| l1 | 65 | |
| l2 | - | |
| n | 2 | |
| з | 2 | |
| k | 0,6 | |
| N | вик. 1 | 0,412 |
| вик. 2 | 0,43 | |
| вик. 3 | - | |
Замовити гайки ГОСТ 9064-75 з класом міцності 8.0 можна на сайті компанії «Зевс» за ціною, нижчою від ринку на 3-10%.
Купуючи товар у нас, ви можете ні на мить не сумніватися в надійності своєї конструкції. Доставка здійснюється у мінімальні терміни по всіх регіонах України. Гарантія якості на вироби – 3 роки з моменту придбання. Для постійних клієнтів та оптових покупців діє гнучка система знижок. Вся продукція відповідає стандартам ГОСТ, DIN, ISO. Ми виготовляємо кріплення за кресленнями замовника. Завжди в наявності на складі великий асортимент металовиробів з різними типорозмірами. Швидке оформлення замовлення телефоном або на сайті онлайн.
Гайка М24 ГОСТ 9064-75 класса прочности 8.0
Технічні характеристики
- Матеріал гайкиСталь
- Вид гайкиШестигранна
- Клас міцності8
- Метричне різьблення, М24
- Гарантійний термін36
- СтанНове
Відгуків про цей товар ще не було.
