- Які характеристики має товар Гайка М28 DIN 1804 шліцева? ❯
- Яка ціна товару Гайка М28 DIN 1804 шліцева і чи вона актуальна? ❯
- До якої категорії належить товар Гайка М28 DIN 1804 шліцева? ❯
- Чи можна замовити доставку для товару Гайка М28 DIN 1804 шліцева? ❯
- Які переваги покупки Гайка М28 DIN 1804 шліцева саме у цього виробника KrepZevs? ❯
- Де можна знайти інші товари, схожі на Гайка М28 DIN 1804 шліцева? ❯
- ВиробникKrepZevs
- НаявністьВ наявності
- ПокриттяЦинк без покриття
- Матеріал гайкиСталь
- Усі характеристики
- Мінімальна сумма замовлення - 2000 грн
- Надійна сировина та обладнання: Компанія використовує перевірену сировину та сучасне обладнання для виробництва кріпильних елементів.
- Дослідна команда: Виробництвом стандартних та спеціальних рішень займається команда професіоналів.
- Співпраця з виробниками: Компанія співпрацює з відповідальними заводами-виробниками з України та Європи.
Шліцева гайка М28 DIN 1804
Шліцеві гайки М28 з частим кроком виготовляються на підставі DIN 1804 або аналога зазначеного стандарту – ГОСТ 11871-88. Виріб використовується разом із шайбами DIN 5406.
Вироби мають круглу форму та встановлюються на циліндричну поверхню за допомогою спеціалізованого ключа. Виробництво деталей походить з вуглецевої сталі, що допускає поліпшення, у класах 8 і 10, а також з нержавіючої сталі в сире і вологе середовище.
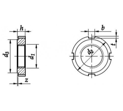
Конструкція гайки DIN 1804

Таблиця розмірів гайок DIN 1804 (мм):
|
Номінальний діаметр різьблення, d1 |
Зовнішній діаметр гайки, d2 |
Розмір під ключ для шліцевої гайки, d3 |
Ширина паза під ключ, b |
Висота гайки, h |
Глибина паза під ключ, t |
Висота уступу, z |
|
М28 |
50 |
43 |
7 |
10 |
3 |
0,5 |
Замовити шліцеві гайки DIN 1804 можна на сайті компанії "Зевс" з доставкою по Україні.
Купуючи товар на нашому підприємстві, ви отримуєте ціни нижче за ринок на 3-10%. Ми виготовляємо металовироби за кресленнями замовника. У нашому каталозі представлений великий асортимент виробів із різними типорозмірами. Гарантія якості на вироби – 36 місяців з моменту придбання. Для постійних клієнтів та оптових покупців діє гнучка система знижок. Вся продукція відповідає стандартам ГОСТ, DIN, ISO.
Гайка М28 DIN 1804 шлицевая
Технічні характеристики
- ПокриттяЦинк без покриття
- Матеріал гайкиСталь
- Вид гайкиКругла шліцева
- Метричне різьблення, М28
- Розмір під ключ43
- Крок різьблення1.5
- Гарантійний термін36
- СтанНове
Відгуків про цей товар ще не було.
