- Які характеристики має товар Гайки М16 ГОСТ Р 52645-2006 з класом міцності 10.0? ❯
- Яка ціна товару Гайки М16 ГОСТ Р 52645-2006 з класом міцності 10.0 і чи вона актуальна? ❯
- До якої категорії належить товар Гайки М16 ГОСТ Р 52645-2006 з класом міцності 10.0? ❯
- Чи можна замовити доставку для товару Гайки М16 ГОСТ Р 52645-2006 з класом міцності 10.0? ❯
- Які переваги покупки Гайки М16 ГОСТ Р 52645-2006 з класом міцності 10.0 саме у цього виробника KrepZevs? ❯
- Де можна знайти інші товари, схожі на Гайки М16 ГОСТ Р 52645-2006 з класом міцності 10.0? ❯
- ВиробникKrepZevs
- НаявністьВ наявності
- Висота17.1
- Матеріал гайкиСталь
- Усі характеристики
- Мінімальна сумма замовлення - 2000 грн
- Надійна сировина та обладнання: Компанія використовує перевірену сировину та сучасне обладнання для виробництва кріпильних елементів.
- Дослідна команда: Виробництвом стандартних та спеціальних рішень займається команда професіоналів.
- Співпраця з виробниками: Компанія співпрацює з відповідальними заводами-виробниками з України та Європи.
Гайки шестигранні М16 ГОСТ Р 52645-2006 з класом міцності 10.0
Гайки М16 ГОСТ Р 52645-2006 відносяться до високоміцних виробів з класом міцності 10.0. Такі деталі мають форму шестигранника, спеціально збільшеного під ключ. Застосовують металовироби для створення надійного і міцного різьбового з'єднання, яке піддається великим навантаженням.
Монтують кріплення разом із болтами ГОСТ Р 52644-2006, відповідного типорозміру. Щоб унеможливити послаблення або повне розкручування вузла, перед гайкою встановлюють шайбу ГОСТ Р 52646-2006. Область застосування включає машинобудування, в тому числі і важке, будівництво мостів і висотних будівель. Для виготовлення металовиробів використовують леговану сталь 40Х. Дані елементи призначені для встановлення у помірному та холодному кліматі.

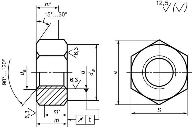
Технічні характеристики (мм):
| Назва | Позначення | Значення | |
| Номінальний діаметр різьблення | d | М16 | |
| Крок різьби | P | 2 | |
| Внутрішній діаметр опорної поверхні | мін. | da | 16 |
| макс. | 17,3 | ||
| Зовнішній діаметр опорної поверхні | макс. | dw | 27 |
| мін. | 24,9 | ||
| Діаметр описаного кола | e | 29,6 | |
| Висота гайки | макс. | m | 17,1 |
| мін. | 16,4 | ||
| Розмір гайки під ключ | макс. | S | 27 |
| мін. | 26,16 | ||
| Гранична товщина покриття, мкм | t | 25 | |
| Вага 1000 шт, кг | N | 56 | |
Замовити гайки шестигранні ГОСТ Р 52645-2006 з класом міцності 10.0 можна на сайті компанії «Зевс» за ціною, нижчою від ринку на 3-10%.
Купуючи товар на нашому підприємстві, ви отримуєте продукцію після попередньої перевірки у ВТК. Для постійних клієнтів та оптових покупців діє гнучка система знижок. Гарантія якості на металовироби – 3 роки з моменту придбання. При виникненні труднощів у виборі деталей або оформленні замовлення ви завжди можете звернутися за допомогою до наших менеджерів. Доставка здійснюється по всій Україні в обумовлений термін.
Гайки М16 ГОСТ Р 52645-2006 с классом прочности 10.0
Технічні характеристики
- Висота17.1
- Матеріал гайкиСталь
- Вид гайкиШестигранна зі збільшеним розміром під ключ
- Клас міцності10
- Метричне різьблення, М16
- Розмір під ключ27
- Крок різьблення2
- Супровідний документСертифікат
- Гарантійний термін36
- СтанНове
- СтандартГОСТ Р 52645-2006
Відгуків про цей товар ще не було.
