- Які характеристики має товар Кільце стопорне для валів Ф12 DIN 7993 (форма В)? ❯
- Яка ціна товару Кільце стопорне для валів Ф12 DIN 7993 (форма В) і чи вона актуальна? ❯
- До якої категорії належить товар Кільце стопорне для валів Ф12 DIN 7993 (форма В)? ❯
- Чи можна замовити доставку для товару Кільце стопорне для валів Ф12 DIN 7993 (форма В)? ❯
- Які переваги покупки Кільце стопорне для валів Ф12 DIN 7993 (форма В) саме у цього виробника KrepZevs? ❯
- Де можна знайти інші товари, схожі на Кільце стопорне для валів Ф12 DIN 7993 (форма В)? ❯
- ВиробникKrepZevs
- НаявністьВ наявності
- Тип стопорного кільцяВнутрішнє
- Матеріал кільцяСталь
- Усі характеристики
- Мінімальна сумма замовлення - 2000 грн
- Надійна сировина та обладнання: Компанія використовує перевірену сировину та сучасне обладнання для виробництва кріпильних елементів.
- Дослідна команда: Виробництвом стандартних та спеціальних рішень займається команда професіоналів.
- Співпраця з виробниками: Компанія співпрацює з відповідальними заводами-виробниками з України та Європи.
Кільце стопорне для валів DIN 7993 (форма В)
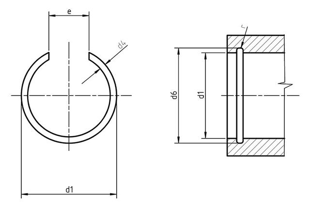
Кільце стопорне для валів Ф12 DIN 7993 (форма В) - застосовуються у виробництві, машинобудуванні, суднобудуванні промисловості для стопорення деталей на валах або отворах. DIN 7993 виробляє кільця у двох варіантах «А» та «В». Варіант "А" - зовнішні призначені для фіксації деталей на валах, "В" - для закріплення елементів в отворах. Пружинні властивості дозволяють легко монтувати кільця та надійно фіксувати вузол.
Візуально кріплення є незамкненим кільцем, виготовленим з конструкційної пружинної вуглецевої сталі. Метиз може бути як із захисним покриттям, так і без. Залежно від робочого середовища вибирають відповідне покриття.

Основні характеристики кільця Ф12 (мм):
|
Номінальний діаметр D1 |
Ф12 |
|
Ширина роз'єму е |
1 |
|
Зовнішній діаметр кільця D5 |
13.2 |
|
Діаметр отвору під кільце, D6 |
13 |
Замовити кільце стопорне для валів Ф12 DIN 7993 (форма В) можна на сайті компанії «Зевс» всього за кілька хвилин.
Купуючи товар на нашому підприємстві, ви отримуєте продукцію після попередньої перевірки у ВТК. У нас ви знайдете великий вибір виробів із різними типорозмірами. Доставка здійснюється по всій Україні в обумовлений термін. Гарантія якості на металовироби - 36 місяців з моменту придбання.Швидке оформлення замовлення за телефоном або на сайті онлайн.
Кольцо стопорное для валов Ф12 DIN 7993 (форма В)
Технічні характеристики
- Тип стопорного кільцяВнутрішнє
- Матеріал кільцяСталь
- Умовний діаметр кільця12
- Ширина кільця1
- УпаковкаПачка
- Супровідний документСертифікат
- Гарантійний термін36
- СтанНове
- СтандартDin 7993 B
Відгуків про цей товар ще не було.
