- Які характеристики має товар Кільце стопорне для валів Ф26 DIN 7993 (форма В)? ❯
- Яка ціна товару Кільце стопорне для валів Ф26 DIN 7993 (форма В) і чи вона актуальна? ❯
- До якої категорії належить товар Кільце стопорне для валів Ф26 DIN 7993 (форма В)? ❯
- Чи можна замовити доставку для товару Кільце стопорне для валів Ф26 DIN 7993 (форма В)? ❯
- Які переваги покупки Кільце стопорне для валів Ф26 DIN 7993 (форма В) саме у цього виробника KrepZevs? ❯
- Де можна знайти інші товари, схожі на Кільце стопорне для валів Ф26 DIN 7993 (форма В)? ❯
- ВиробникKrepZevs
- НаявністьВ наявності
- Тип стопорного кільцяВнутрішнє
- Матеріал кільцяСталь
- Усі характеристики
- Мінімальна сумма замовлення - 2000 грн
- Надійна сировина та обладнання: Компанія використовує перевірену сировину та сучасне обладнання для виробництва кріпильних елементів.
- Дослідна команда: Виробництвом стандартних та спеціальних рішень займається команда професіоналів.
- Співпраця з виробниками: Компанія співпрацює з відповідальними заводами-виробниками з України та Європи.
Кільце стопорне для валів DIN 7993 (форма В)
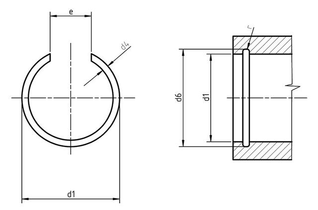
Кільце стопорне для валів Ф26 DIN 7993 (форма В) - застосовують у машинобудуванні, авіабудуванні, промисловості та виробництві, для фіксації підшипників та інших деталей на валах та в отворах. Стандарт DIN 7993 випускає дві форми кілець: зовнішнє "А" і внутрішнє "В". Внутрішнє кільце використовують для стопоріння металовиробів в отворах. Установка відбувається у спеціальні канавки, що у корпусних деталях. Завдяки пружинним властивостям кріплення легко монтується, міцно та надійно фіксуючи елементи у необхідному місці.
Візуально кріплення є незамкненим металевим колом. Виробляють його із різних марок пружинної вуглецевої сталі. Готовий виріб проходить оцинкування для більшої міцності та експлуатації у вологому середовищі.

Основні характеристики кільця Ф26 (мм):
|
Номінальний діаметр D1 |
Ф26 |
|
Ширина роз'єму е |
2 |
|
Зовнішній діаметр кільця D5 |
28.3 |
|
Діаметр отвору під кільце, D6 |
28 |
Замовити кільце стопорне для валів Ф26 DIN 7993 (форма В) можна на сайті компанії «Зевс» всього за кілька хвилин.
Купуючи товар на нашому підприємстві, ви отримуєте доставку замовлення по всій Україні в обумовлені терміни. Вся продукція постачається після попередньої перевірки у ВТК. При виникненні труднощів у виборі кріплення або оформленні замовлення ви завжди можете звернутися за допомогою до наших менеджерів. У нас ви знайдете великий асортимент металовиробів за ціною, нижчою від середньоринкового показника. Для постійних клієнтів та оптових покупців діє гнучка система знижок.
Кольцо стопорное для валов Ф26 DIN 7993 (форма В)
Технічні характеристики
- Тип стопорного кільцяВнутрішнє
- Матеріал кільцяСталь
- Умовний діаметр кільця26
- Ширина кільця2
- УпаковкаПачка
- Супровідний документСертифікат
- Гарантійний термін36
- СтанНове
- СтандартDin 7993 B
Відгуків про цей товар ще не було.
