- Які характеристики має товар Крановий редуктор Ц2-300-20? ❯
- Яка ціна товару Крановий редуктор Ц2-300-20 і чи вона актуальна? ❯
- До якої категорії належить товар Крановий редуктор Ц2-300-20? ❯
- Чи можна замовити доставку для товару Крановий редуктор Ц2-300-20? ❯
- Які переваги покупки Крановий редуктор Ц2-300-20 саме у цього виробника KrepZevs? ❯
- Де можна знайти інші товари, схожі на Крановий редуктор Ц2-300-20? ❯
- ВиробникKrepZevs
- НаявністьВ наявності
- ТипРедуктор
- Тип комплектуючогоВал
- Усі характеристики
- Мінімальна сумма замовлення - 2000 грн
- Надійна сировина та обладнання: Компанія використовує перевірену сировину та сучасне обладнання для виробництва кріпильних елементів.
- Дослідна команда: Виробництвом стандартних та спеціальних рішень займається команда професіоналів.
- Співпраця з виробниками: Компанія співпрацює з відповідальними заводами-виробниками з України та Європи.
Крановий редуктор Ц2-300-20
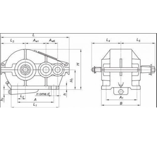
Крановий редуктор Ц2-300-20 – це пристрій, призначений для комплектації приводів підйому та переміщення вантажопідіймального обладнання, зокрема козлових кранів. Головна особливість механізму – шевронне зачеплення, що забезпечує плавність роботи та високий крутний момент.
До переваг циліндричного кранового редуктора від компанії «Зевс» належать:
- продуктивність;
- надійність, тривалий термін служби;
- компактність;
- можливість обертання валів в обидві сторони;
- тривалий період роботи (до 24 годин на добу);
- чітка передача моменту, що крутить.
Шевронний редуктор може використовуватися в умовах помірної запиленості, невеликої вологості, не агресивному середовищі.
Основні технічні характеристики пристрою:
- передавальне число 20;
- міжосьова відстань тихохідного ступеня 300 (мм);
- номінальний крутний момент 1180 Нм;
- максимальна частота обертання швидкохідного валу 1500 об/хв;
- вага 138 кг;
- ККД 96%.
Купити крановий редуктор Ц2-300-20 з литим чавунним корпусом за ціною від виробника можна в компанії «Зевс». Швидке оформлення замовлення телефоном або на сайті онлайн. Гарантія якості на обладнання – 12 місяців з моменту придбання. Доставка здійснюється по всій Україні одразу після внесення оплати. Для постійних клієнтів та оптових покупців діє гнучка система знижок.
Крановый редуктор Ц2-300-20
Технічні характеристики
- ТипРедуктор
- Тип комплектуючогоВал
- Тип редуктораЦиліндричний
- Кількість робочих ступенів2
- Тип корпусуЛитою
- Розташування валів редуктораГоризонтальне
- Спосіб кріпленняна лапах
- Види робочого навантаженняпостійна, змінна, реверсивна
- ККД96
- СтанНове
Відгуків про цей товар ще не було.
