- Які характеристики має товар Болт лемішний М10 ГОСТ 7786-81? ❯
- Яка ціна товару Болт лемішний М10 ГОСТ 7786-81 і чи вона актуальна? ❯
- До якої категорії належить товар Болт лемішний М10 ГОСТ 7786-81? ❯
- Чи можна замовити доставку для товару Болт лемішний М10 ГОСТ 7786-81? ❯
- Які переваги покупки Болт лемішний М10 ГОСТ 7786-81 саме у цього виробника KrepZevs? ❯
- Де можна знайти інші товари, схожі на Болт лемішний М10 ГОСТ 7786-81? ❯
- ВиробникKrepZevs
- НаявністьВ наявності
- Призначення болтаЛемішний
- Форма болтаЗ потаємною головкою та квадратним підголовком
- Усі характеристики
- Мінімальна сумма замовлення - 2000 грн
- Надійна сировина та обладнання: Компанія використовує перевірену сировину та сучасне обладнання для виробництва кріпильних елементів.
- Дослідна команда: Виробництвом стандартних та спеціальних рішень займається команда професіоналів.
- Співпраця з виробниками: Компанія співпрацює з відповідальними заводами-виробниками з України та Європи.
Болт лемішний М10 ГОСТ 7786-81
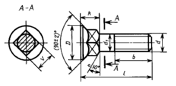
Болт є затребуваним елементом кріплення для різьбових з'єднань. Він може виконуватися різної форми та довжини. Метиз, що має потайну головку і квадратний підголовок, проводиться відповідно до ГОСТ 7786-81. Завдяки незвичайній конструкції цей елемент має ряд переваг:
- він не схильний до самовідкручування і надійно фіксується в посадковому положенні, так як має квадратний підголовок;
- потайна головка має привабливий вигляд і забезпечує приховане розташування болта у механізмі.

Таблиця розмірів болтів ГОСТ 7786-81
|
Опис |
Характеристика |
Значення (мм) |
|
|
Діаметр різьблення |
d |
М10 |
|
|
Крок різьби |
P |
1,5 |
|
|
Довжина різьбової частини |
bmin |
26 |
|
|
Діаметр голівки |
dk |
min |
18,35 |
|
max |
19,65 |
||
|
Висота підголівника |
f |
min |
7,55 |
|
max |
8,45 |
||
|
Ширина боку підголівника |
v |
min |
9,42 |
|
max |
10,58 |
||
Теоретична вага болтів ГОСТ 7786-81
|
Довжина болта, мм |
Теоретична вага 1000 болтів в кг |
|
25 |
16.40 |
|
30 |
18.84 |
|
35 |
21.28 |
|
40 |
23.72 |
|
45 |
26.16 |
|
50 |
28.61 |
|
55 |
31.05 |
|
60 |
33.49 |
|
65 |
35.93 |
|
70 |
38.38 |
|
75 |
40.82 |
|
80 |
43.26 |
|
90 |
48.27 |
|
100 |
56.08 |
|
110 |
58.04 |
|
120 |
62.92 |
|
130 |
67.81 |
|
140 |
72.69 |
|
150 |
77.58 |
Шукаєте де купити оцинковане кріплення? У компанії «Зевс» багатий асортимент металовиробів із захисним покриттям, а також інших деталей за найдоступнішою вартістю. У нас можна купити болти ГОСТ 7786-81, ціна на які невелика і може стати ще нижчою при оформленні великої оптової покупки.
Виготовляємо вироби за стандартами та індивідуальними проектами у повній відповідності до ваших вимог. Відправляємо замовлення до будь-якого міста та населеного пункту України, надаючи покупцям тривалу гарантію на товар, що купується - 36 місяців.
Болт лемешный М10 ГОСТ 7786-81
Технічні характеристики
- Призначення болтаЛемішний
- Форма болтаЗ потаємною головкою та квадратним підголовком
- Матеріал болтаСталь
- ПокриттяЦинк
- Наявність гайкиНі
- Метричне різьблення, М10
- Діаметр головки18
- Висота головки8
- Гарантійний термін36
- СтанНове
Відгуків про цей товар ще не було.
