- Які характеристики має товар Редуктор 1ЦУ-250-6.3? ❯
- Яка ціна товару Редуктор 1ЦУ-250-6.3 і чи вона актуальна? ❯
- До якої категорії належить товар Редуктор 1ЦУ-250-6.3? ❯
- Чи можна замовити доставку для товару Редуктор 1ЦУ-250-6.3? ❯
- Які переваги покупки Редуктор 1ЦУ-250-6.3 саме у цього виробника KrepZevs? ❯
- Де можна знайти інші товари, схожі на Редуктор 1ЦУ-250-6.3? ❯
- ВиробникKrepZevs
- НаявністьВ наявності
- ТипРедуктор
- Тип редуктораЦиліндричний
- Усі характеристики
- Мінімальна сумма замовлення - 2000 грн
- Надійна сировина та обладнання: Компанія використовує перевірену сировину та сучасне обладнання для виробництва кріпильних елементів.
- Дослідна команда: Виробництвом стандартних та спеціальних рішень займається команда професіоналів.
- Співпраця з виробниками: Компанія співпрацює з відповідальними заводами-виробниками з України та Європи.
Редуктор циліндричний одноступінчастий 1ЦУ-250-6.3
Редуктор цієї моделі є найбільшим серед усіх редукторів 1ЦУ. Це обумовлюється найбільшим значенням міжосьової відстані та передавального числа, які відповідно дорівнюють 250 (мм) та 6.3. Для досягнення максимального значення ККД застосовується одноступінчаста система редукування та циліндричний тип передачі.
Компанія «Зевс» надає вашій увазі редуктори 1ЦУ-250 з передавальними числами 2, 2.5, 3.15, 4, 5, 6.3 за доступною ціною. Купуючи оптом кожен покупець може отримати знижку. Докладнішу інформацію про програму лояльності та способи доставки замовлень звертайтесь за телефоном довідкової служби, вказаним на сайті.
Параметри циліндричного редуктора 1ЦУ-250-6.3
|
Передавальне число |
6.3 |
|
|
Навантаження на вал, Н |
на швидкохідний вал |
4000 |
|
на тихохідний вал |
9000 |
|
|
Момент крутіння на тихохідному валу, Н.м |
5000 |
|
|
ККД |
0,98 |
|
|
Маса, кг |
250 |
|
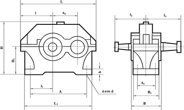
Конструкція і розміри редуктора 1ЦУ-250

|
Aw |
A |
A 1 |
B |
B 1 |
H |
H 1 |
h |
L |
L 1 |
L 2 |
L 3 |
L 4 |
L 5 |
d |
|
250 |
545 |
185 |
265 |
250 |
530 |
265 |
40 |
710 |
615 |
212 |
290 |
280 |
315 |
28 |
Варіанти складання одноступінчастого редуктора 1ЦУ-250

Умовне позначення назви редуктора 1ЦУ-250-6.3

Редуктор 1ЦУ-250-6.3
Технічні характеристики
- ТипРедуктор
- Тип редуктораЦиліндричний
- Кількість робочих ступенів1
- Тип корпусуЛитою
- Розташування валів редуктораГоризонтальне
- Номінальне передатне число6.3
- Максимальний крутний момент5000
- СтанНове
Відгуків про цей товар ще не було.
