- Які характеристики має товар Редуктор А-400-50? ❯
- Яка ціна товару Редуктор А-400-50 і чи вона актуальна? ❯
- До якої категорії належить товар Редуктор А-400-50? ❯
- Чи можна замовити доставку для товару Редуктор А-400-50? ❯
- Які переваги покупки Редуктор А-400-50 саме у цього виробника KrepZevs? ❯
- Де можна знайти інші товари, схожі на Редуктор А-400-50? ❯
- ВиробникKrepZevs
- НаявністьВ наявності
- ТипРедуктор
- Тип комплектуючогоКорпус
- Усі характеристики
- Мінімальна сумма замовлення - 2000 грн
- Надійна сировина та обладнання: Компанія використовує перевірену сировину та сучасне обладнання для виробництва кріпильних елементів.
- Дослідна команда: Виробництвом стандартних та спеціальних рішень займається команда професіоналів.
- Співпраця з виробниками: Компанія співпрацює з відповідальними заводами-виробниками з України та Європи.
Спеціальні вертикальні циліндричні кранові редуктори А-400-50
Циліндричний редуктор А-400-50 є спеціальним крановим механізмом, що дозволяє виробляти зменшення функції по відношенню до частоти обертання, тим самим підвищуючи крутний момент. Також даний механізм дозволяє передавати дані величини на виконавчу ланку в приводний ланцюг. З'єднання пристрою з даним механізмом може бути здійснено за допомогою конічного або порожнього вала. Така форма валів дозволяє створювати компактні, безпечні і легкі в збірці вузли.
На заводі «Зевс» виробляються та продаються промислові перетворювачі будь-якої складності та номіналу. У нас можна вигідно купити редуктор А-400 з передатними відносинами від 20 до 63 одиниць. При оформленні оптового замовлення ви отримуєте гарантовану знижку. Для співпраці з клієнтами на тривалий термін компанія надає спеціальну програму лояльності.
При дзвінку менеджерам ви отримуєте безкоштовну консультацію, річну гарантію та можливість забрати покупку у будь-якому населеному пункті країни.
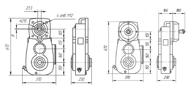
Габаритні та приєднувальні розміри редуктора А-400

Габаритні і приєднувальні розміри вхідного і вихідного валу редуктора А-400

Основні параметри редуктора А-400
|
Номінальна передаточне число |
Номінальний обертальний момент на тихохідному валу, Нм |
Частота обертання вхідного вала, хв-1 |
Вага, кг |
ККД |
Режими роботи |
Допустимий крутний момент на вихідному валу, Н*м |
|
50 |
1350 |
1500 |
82 |
0,97 |
ПВ=100% |
1350 |
|
ПВ=40% |
1550 |
|||||
|
ПВ=25% |
2100 |
|||||
|
ПВ=15% |
2450 |
Умови експлуатації редуктора А-400
|
Характеристика |
Значення опис |
|
Режим роботи |
Повторно-короткочасний, періодичний |
|
Час роботи |
Максимальна тривалість безупинної роботи - не більше 30 хвилин |
|
Запиленість приміщення, атмосфера |
Рівень запиленості по ГОСТ 15150 не більше 10 мг/м3, допустима атмосфера I і II |
|
Обороти на валу |
Максимально допустимі обороти на валу - 1500 об/хв |
|
Тип навантаження |
Постійна, змінна, одного напрямку, реверсивна |
|
Кліматичне виконання |
Різне кліматичне виконання для різних категорій розміщення за ГОСТ 15150-69; У або Т для категорій з 1 по 4. |
Варіанти складання редуктора А-400
Приклад умовного позначення редуктора А-400

Редуктор А-400-50
Технічні характеристики
- ТипРедуктор
- Тип комплектуючогоКорпус
- Тип редуктораЦиліндричний
- Кількість робочих ступенів3
- Частота обертання вхідного валу1500
- Вага85
- Розташування валів редуктораВертикальне
- Номінальне передатне число50
- Спосіб кріпленняФланцевий
- Тип робочого навантаженняпостійна, змінна, реверсивна
- Матеріал корпусуЧавун
Відгуків про цей товар ще не було.
