- Які характеристики має товар Редуктор РЧН-180? ❯
- Яка ціна товару Редуктор РЧН-180 і чи вона актуальна? ❯
- До якої категорії належить товар Редуктор РЧН-180? ❯
- Чи можна замовити доставку для товару Редуктор РЧН-180? ❯
- Які переваги покупки Редуктор РЧН-180 саме у цього виробника KrepZevs? ❯
- Де можна знайти інші товари, схожі на Редуктор РЧН-180? ❯
- ВиробникKrepZevs
- НаявністьВ наявності
- ТипРедуктор
- Тип редуктораЧерв'яковий
- Усі характеристики
- Мінімальна сумма замовлення - 2000 грн
- Надійна сировина та обладнання: Компанія використовує перевірену сировину та сучасне обладнання для виробництва кріпильних елементів.
- Дослідна команда: Виробництвом стандартних та спеціальних рішень займається команда професіоналів.
- Співпраця з виробниками: Компанія співпрацює з відповідальними заводами-виробниками з України та Європи.
Черв'ячні редуктори РЧН-180
Відмінною особливістю одноступінчатих черв'ячних редукторів РЧН-180 є те, що черв'як розташовується над зубчастим колесом.
До переваг черв'ячних редукторів можна віднести:
- тихий і плавний хід;
- можливість використовувати замість гальмівного пристрою;
- невеликий розмір;
- можливість обертання в будь-яку сторону;
- навантаження можуть бути як прямими, так реверсивними і змінними;
- можна використовувати як у постійних, так і повторно-короткочасних роботах.
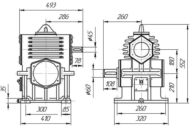
Габаритні і приєднувальні розміри редуктора РЧН-180

Технічні характеристики редуктора РЧН-180
|
Типорозмір редуктора |
Передавальне відношення (число) |
Номінальна потужність на швидкохідному валу, в кВт при об/хв |
Номінальний крутний момент на вихідному (тихохідному) валу, Н/м |
ККД |
Вага, кг |
||
|
750.0 |
1000.0 |
1500.0 |
|||||
|
РЧН-180 |
12,33 18,50 37.00 51.00 |
‒ |
11.0 8,10 5,160 3,680 |
8,90 5,90 3,30 |
12500 1450 1700 1500 |
0,89 0,86 0,78 0,74 |
177,1 |
Варіанти складання редуктора

Компанія «Зевс» пропонує купити редуктори РЧН оптом і в роздріб. На обладнання є паспорт редуктора, а також надається гарантійний термін на 1 рік. Для уточнення інформації і допомоги при виборі редуктора, ви можете звернутися до наших фахівців, зателефонувавши за вказаними номерами телефону або замовивши зворотній дзвінок. Доставка здійснюється по всій Україні.
Редуктор РЧН-180
Технічні характеристики
- ТипРедуктор
- Тип редуктораЧерв'яковий
- Кількість робочих ступенів1
- Тип корпусуЛитою
- Вага177.1
- Спосіб кріпленняНа лапки
- Тип робочого навантаженняпостійна, змінна
- Матеріал корпусуЧавун
- Передавальне числовід 12.33 до 51
- ККД, не менше0.74
- СтанНове
Відгуків про цей товар ще не було.
