- Які характеристики має товар Редуктор РМ-750 40? ❯
- Яка ціна товару Редуктор РМ-750 40 і чи вона актуальна? ❯
- До якої категорії належить товар Редуктор РМ-750 40? ❯
- Чи можна замовити доставку для товару Редуктор РМ-750 40? ❯
- Які переваги покупки Редуктор РМ-750 40 саме у цього виробника KrepZevs? ❯
- Де можна знайти інші товари, схожі на Редуктор РМ-750 40? ❯
- ВиробникKrepZevs
- НаявністьВ наявності
110100.00 грн./шт.
5 або більше -
67260.00 грн./шт.
- ТипРедуктор
- Тип редуктораЦиліндричний
- Усі характеристики
- Мінімальна сумма замовлення - 2000 грн
- Надійна сировина та обладнання: Компанія використовує перевірену сировину та сучасне обладнання для виробництва кріпильних елементів.
- Дослідна команда: Виробництвом стандартних та спеціальних рішень займається команда професіоналів.
- Співпраця з виробниками: Компанія співпрацює з відповідальними заводами-виробниками з України та Європи.
110100.00 грн./шт.
5 або більше -
67260.00 грн./шт.
Редуктор РМ-750 циліндричний двоступінчастий
Редуктори РМ-750 - це представники серії двоступінчастих циліндричних перетворювачів загального промислового призначення, що мають великий діапазон передавальних чисел. Вони потрібні в багатьох галузях і сферах діяльності, а причиною тому їх уніфіковані властивості:
- класичний лаконічний пристрій із горизонтальним розташуванням для кріплення на лапах;
- два робочі ступені для отримання максимальних робочих параметрів;
- висока надійність та можливість отримання ККД=98%.
Телефонуйте в компанію «Зевс», що підібрати оптимальний перетворювач промислового типу за найоптимальнішими цінами!
Завод «Зевс» - це:
- вигідний спосіб купити редуктор РМ із швидкою доставкою в будь-який регіон України;
- широкий асортимент обладнання промислового призначення;
- висококваліфікована допомога при виборі перетворювача. Ви отримуєте консультацію від фахівця, в ході якої зможете підібрати найкращий варіант циліндричного редуктора чи пристрою іншого типу;
- ми постачаємо обладнання з усією необхідною документацією;
- видаємо гарантію на перетворювачі, що діє протягом року.
Основні експлуатаційні характеристики перетворювача
|
Характеристика |
Значення |
|
Тип навантаження |
Постійне, змінне |
|
Напрямок |
Прямий, реверсивний |
|
Частота обертання вхідного вала, не більше, |
1500 об/хв |
|
Температурний діапазон |
-40 - +50°C |
|
Кліматичне виконання |
У, Т (1 - 4) ГОСТ 15150-69 |
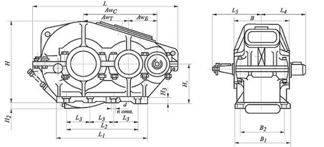
Конструкція редуктора РМ

Основні технічні характеристики редуктора
| Типорозмір редуктора |
Передавальне число, u |
Мт, Н*м | Маса редуктора, кг | Awc | AwT | AwБ |
|
РМ750 |
8, 10, 12.5, 16, 20, 22.4, 31.5, 40, 50 | 15000 | 1030 | 750 | 450 | 300 |
Габаритні і приєднувальні розміри
| Типорозмір редуктора | L | L1 | L2 | L3 | L4 | L5 | B | B1 | B2 | H | H1 | H2 | H3 | в | n |
|
РМ750 |
1448 | 1025 | 825 | 275 | 475 | 450 | 510 | 510 | 450 | 743 | 320 | 130 | 35 | 25 | 8 |
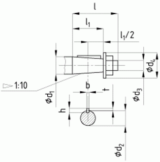
Розміри кінців валів

Розміри решт вхідних і вихідних валів
| Типорозмір редуктора | Вхідний вал | Вихідний вал | ||||||||||||
| d1 | d2 | d3 | d4 | l | l1 | b | h | t | d5 | d6 | l2 | t1 | b1 | |
|
РМ750 |
60 | М42хЗ | 94 | 54.75 | 140 | 105 | 16 | 10 | 6 | 110 | 130 | 165 | 120 | 28 |
Розміри вихідного кінця вала у вигляді частини зубчастої муфти
| Типорозмір редуктора | m | z | A | k | k1 | k2 | k3 | D | d1 |
|
РМ750 |
6 | 56 | 75 | 32 | 40 | 16 | 68 | 260 | 170 |
Варіант складання редуктора

Приклад умовного позначення

Редуктор РМ-750 40
Технічні характеристики
- ТипРедуктор
- Тип редуктораЦиліндричний
- Кількість робочих ступенів2
- Частота обертання вхідного валу1500
- Вага1030
- Розташування валів редуктораГоризонтальне
- Спосіб кріпленняНа лапки
- Тип робочого навантаженняпостійна, змінна
- Передавальне число40
- СтанНове
Відгуків: 0
Відгуків про цей товар ще не було.
Схожі запити
Схожі товари
купити болти, різьбові заклепки, анкерні болти, болти м8, din 7991, купить болты, магазин металовиробів, металовироби купити, купити шурупи, металовироби харків, купити болти гайки, купити гайки, анкерні болт, болты, шурупи, метричне різьблення з великим кроком, магазин кріплення каталог, болти з нержавіючої сталі купити, Мотор-редуктор 3МП, Мотор-редуктори МЧ, Кранові редуктори Ц2, анкера, Name, din 603, din 7981, заклепки, різьбове заклепування, заклепка алюмінієва, болт м3, болт м8 під шестигранник, гайка м14, din 912, болт м8, болт м 8, din933, болт м10, болт м6, болт м 10, din934, крепеж, болт м12 размеры, болт м14 1.5, болт м5 под шестигранник, болт м 18, болт м 9, болт м7 шаг 1, болт м9, болт м 24, din 6325, din 6799, din 11024, din 6334, din 929, дин 912, магазин крепежа харьков, крепёжный магазин, гайки купить, метизы оптом, крепеж харьков, крепежи магазин, магазин болтов, гайки и болты, болты харьков, болты гайки шайбы, болты 10.9, болты 8.8, винты м8, болт нержавеющий м8, болты госты, стопорные гайки, магазин метизов киев, крепежные изделия, купить винты, болты киев, болты нержавейка, болты с гайкой, болт нержавійка, купить болт м8, болт м8 нержавейка, купить болт м 10, купить болты м10, купить болты м8
