- Які характеристики має товар Редуктор Ц2У-250-40? ❯
- Яка ціна товару Редуктор Ц2У-250-40 і чи вона актуальна? ❯
- До якої категорії належить товар Редуктор Ц2У-250-40? ❯
- Чи можна замовити доставку для товару Редуктор Ц2У-250-40? ❯
- Які переваги покупки Редуктор Ц2У-250-40 саме у цього виробника KrepZevs? ❯
- Де можна знайти інші товари, схожі на Редуктор Ц2У-250-40? ❯
- ВиробникKrepZevs
- НаявністьВ наявності
- ТипРедуктор
- Тип редуктораЦиліндричний
- Усі характеристики
- Мінімальна сумма замовлення - 2000 грн
- Надійна сировина та обладнання: Компанія використовує перевірену сировину та сучасне обладнання для виробництва кріпильних елементів.
- Дослідна команда: Виробництвом стандартних та спеціальних рішень займається команда професіоналів.
- Співпраця з виробниками: Компанія співпрацює з відповідальними заводами-виробниками з України та Європи.
Двоступінчастий редуктор Ц2У-250-40
Циліндричний горизонтальний редуктор Ц2У-250-40 є найбільш ефективним, оскільки перетворює частоту обертання і крутний момент з коефіцієнтом 40. Завдяки наявності радіаторних ребер на корпусі і герметичності корпусу (що дозволяє заливати в редуктор масло) пристрій захищений від перегріву і може працювати як , і у повторно-кратковременном режимі включення.
На сайті заводу «Зевс» ви зможете ознайомитися із загальнопромисловими редукторами Ц2У типорозміру Ц2У-100, Ц2У-125, Ц2У-160, Ц2У-200, Ц2У-250, Ц2У-315, Ц2У-355, Ц2У-400, Ц2У Ц2У-500. Будь-який з варіантів ви зможете придбати оптом та в роздріб за вигідною ціною. Програма лояльності нашої компанії також передбачає значні знижки. Доставка здійснюється по всій Україні.
Таблиця параметрів двоступінчастого редуктора Ц2У-250-40
|
Типорозмір редуктора |
Номінальне передатне число |
Номінальне радіальне навантаження на тихохідному валу, Н |
Номінальний крутний момент на тихохідному валу, Нм |
Об'єм масла, л |
Вага, кг |
ККД |
|
Ц2У-250 |
40 |
18000 |
5000 |
9 |
320 |
0,97 |
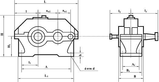
Креслення циліндричного редуктора Ц2У-250

|
Типорозмір |
wт |
wб |
A |
B |
1 |
H |
1 |
h |
L |
1 |
2 |
3 |
4 |
5 |
d |
|
Ц2У-250 |
250 |
160 |
670 |
280 |
218 |
515 |
265 |
32 |
825 |
730 |
212 |
290 |
265 |
335 |
28 |
Варіанти складання горизонтального редуктора Ц2У-250

Умовне позначення повної назви редуктора Ц2У-250-40

Редуктор Ц2У-250-40
Технічні характеристики
- ТипРедуктор
- Тип редуктораЦиліндричний
- Кількість робочих ступенів2
- Тип корпусуЛитою
- Розташування валів редуктораГоризонтальне
- Мінімальний крутний момент5000
- Номінальне передатне число40
- СтанНове
Відгуків про цей товар ще не було.
