- Які характеристики має товар Редуктор циліндричний 1Ц2У-125-12.5? ❯
- Яка ціна товару Редуктор циліндричний 1Ц2У-125-12.5 і чи вона актуальна? ❯
- До якої категорії належить товар Редуктор циліндричний 1Ц2У-125-12.5? ❯
- Чи можна замовити доставку для товару Редуктор циліндричний 1Ц2У-125-12.5? ❯
- Які переваги покупки Редуктор циліндричний 1Ц2У-125-12.5 саме у цього виробника KrepZevs? ❯
- Де можна знайти інші товари, схожі на Редуктор циліндричний 1Ц2У-125-12.5? ❯
- ВиробникKrepZevs
- НаявністьВ наявності
- ТипРедуктор
- Тип редуктораЦиліндричний
- Усі характеристики
- Мінімальна сумма замовлення - 2000 грн
- Надійна сировина та обладнання: Компанія використовує перевірену сировину та сучасне обладнання для виробництва кріпильних елементів.
- Дослідна команда: Виробництвом стандартних та спеціальних рішень займається команда професіоналів.
- Співпраця з виробниками: Компанія співпрацює з відповідальними заводами-виробниками з України та Європи.
Циліндричний двоступінчастий редуктор 1Ц2У-125-12.5
Циліндричний редуктор 1Ц2У-125-12.5 є промисловим пристроєм, який призначений для зміни таких параметрів як момент, що крутить, і швидкість обертання веденого валу. Таким чином, дані перетворювачі оптимізують робочий процес і знімають зайве навантаження з двигуна. Редуктори можуть працювати з реверсивним навантаженням, оскільки вали пристрою можуть обертатися в обидві сторони. Завдяки своїй надійності високому рівню ККД та тривалому експлуатаційному терміну, дані двоступінчасті редуктори користуються великою популярністю та мають широку сферу застосування.
Компанія «Зевс» пропонує до вашої уваги широкий асортимент циліндричних редукторів за найдоступнішою ціною. Наші менеджери завжди готові допомогти вам з вибором пристрою, надавши повну інформацію про всі нюанси покупки. Компанія "Зевс" є виробником якісних агрегатів, що підтверджується гарантією на 12 місяців. Співпрацюючи з нами, ви отримуєте надійний редуктор з унікальним паспортом та доставкою у будь-який регіон країни!
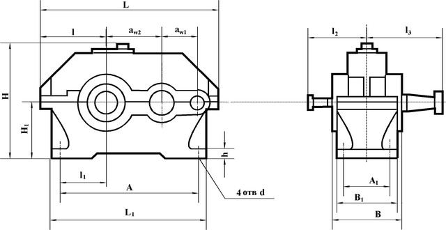
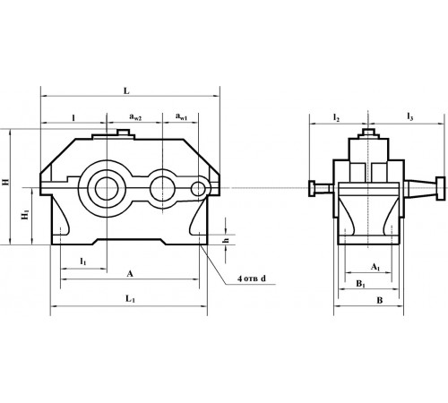
Схема габаритних і приєднувальних розмірів редуктора 1Ц2У-125

| Типорозмір | wт | wб | A | B | 1 | H | 1 | h | L | 1 | 2 | 3 | 4 | 5 | d |
| 1Ц2У - 125-12,5 | 125 | 80 | 335 | 165 | 125 | 270 | 132 | 22 | 440 | 375 | 106 | 155 | 145 | 206 | 19 |
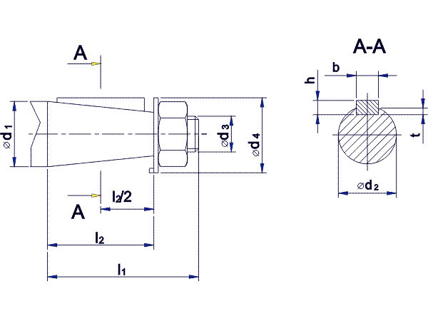
Приєднувальні розміри конічних валів редуктора 1Ц2У-125

| Типорозмір | швидкохідний | тихохідний | ||||||||||
| d | 1 | l | 1 | b | t | d | 1 | l | 1 | b | t | |
| 1Ц2У-125-12,5 | 20 | М12х1,25 | 50 | 36 | 4 | 10,6 | 45 | М30х2,0 | 110 | 82 | 12 | 23,45 |
Приєднувальні розміри циліндричних валів редуктора 1Ц2У-125

| Типорозмір | швидкохідний | тихохідний | ||||||
| d | l | b | t | d | l | b | t | |
| 1Ц2У-125-12,5 | 18k6 | 36 | 6 | 20,5 | 40m6 | 82 | 12 | 43 |
Технічні характеристики редуктора 1Ц2У-125
| Найменування технічних характеристик | Од. вим. | Типорозмір | |
| 1Ц2У-125 | |||
| Передавальні числа | 12,5 | ||
|
Допустиме радіальне консольне навантаження |
на швидкохідному валу | Н | 750 |
| на тихохідному валу | 6300 | ||
|
Номінальний момент, що крутить, на вихідному валу |
Н.м | 630 | |
| ККД | % | 0,97 | |
| Маса | кг | 55 | |
Варіанти складання редукторів 1Ц2У

Приклад умовного позначення редуктора 1Ц2У-125

Редуктор цилиндрический 1Ц2У-125-12.5
Технічні характеристики
- ТипРедуктор
- Тип редуктораЦиліндричний
- Кількість робочих ступенів2
- Тип корпусуЛитою
- Частота обертання вхідного валу1800
- Вага55
- Розташування валів редуктораГоризонтальне
- Номінальне передатне число12.5
- Спосіб кріпленняНа лапки
- Тип робочого навантаженняРеверсивна
- Матеріал корпусуалюміній, сталь, чавун
- Супровідний документПаспорт
- Гарантія12 місяців
- СтанНове
Відгуків про цей товар ще не було.
