- Які характеристики має товар Редуктор циліндричний 1Ц2У-160-12.5? ❯
- Яка ціна товару Редуктор циліндричний 1Ц2У-160-12.5 і чи вона актуальна? ❯
- До якої категорії належить товар Редуктор циліндричний 1Ц2У-160-12.5? ❯
- Чи можна замовити доставку для товару Редуктор циліндричний 1Ц2У-160-12.5? ❯
- Які переваги покупки Редуктор циліндричний 1Ц2У-160-12.5 саме у цього виробника KrepZevs? ❯
- Де можна знайти інші товари, схожі на Редуктор циліндричний 1Ц2У-160-12.5? ❯
- ВиробникKrepZevs
- НаявністьВ наявності
- ТипРедуктор
- Тип редуктораЦиліндричний
- Усі характеристики
- Мінімальна сумма замовлення - 2000 грн
- Надійна сировина та обладнання: Компанія використовує перевірену сировину та сучасне обладнання для виробництва кріпильних елементів.
- Дослідна команда: Виробництвом стандартних та спеціальних рішень займається команда професіоналів.
- Співпраця з виробниками: Компанія співпрацює з відповідальними заводами-виробниками з України та Європи.
Циліндричний двоступінчастий редуктор 1Ц2У-160-12.5
Циліндричний редуктор серії 1Ц2У-160-12.5 призначений для застосування у загальнопромислових цілях. Для таких перетворювачів характерні простота в обслуговуванні, тривала безаварійна робота, за умови правильного підбору варіанта складання та дотримання правил експлуатації.
Основне завдання редуктора полягає в підвищенні моменту, що крутить, що дає можливість підвищити продуктивність, і при цьому зниженні швидкості обертання валу. Таким чином, електродвигун не перевантажується. Редуктор є двоступінчастим із паралельним розташуванням валів, що знаходяться в горизонтальній площині.
Купити циліндричний редуктор 1Ц2У-160, ціна якого залежить від варіанта складання та передавального числа, ви можете просто зателефонувавши за телефоном, вказаним на сайті. За бажанням, можна оформити замовлення on-line в будь-який зручний для вас час. Наші менеджери самі зв'яжуться з вами найближчим часом для уточнення всіх нюансів замовлення. У нас існує дуже вигідна система знижок для постійних та оптових покупців. Якщо вам потрібна консультація або ви вагаєтесь з вибором, наші менеджери дадуть відповідь на всі ваші запитання та допоможуть з вибором. Ми надаємо нашим клієнтам товари найвищої якості за розумною ціною з доставкою по всій Україні.
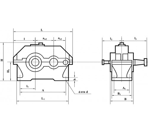
Схема габаритних і приєднувальних розмірів редуктора 1Ц2У-160

| Типорозмір | wт | wб | A | B | 1 | H | 1 | h | L | 1 | 2 | 3 | 4 | 5 | d |
| 1Ц2У - 160-12,5 | 160 | 100 | 425 | 195 | 140 | 335 | 170 | 24 | 545 | 475 | 135 | 195 | 170 | 224 | 24 |
Приєднувальні розміри конічних валів редуктора 1Ц2У-160

| Типорозмір | швидкохідний | тихохідний | ||||||||||
| d | 1 | l | 1 | b | t | d | 1 | l | 1 | b | t | |
| 1Ц2У-160-12,5 | 25 | М16х1,5 | 60 | 42 | 5 | 13,45 | 55 | М36х3,0 | 110 | 82 | 14 | 28,95 |
Приєднувальні розміри циліндричних валів редуктора 1Ц2У-160

| Типорозмір | швидкохідний | тихохідний | ||||||
| d | l | b | t | d | l | b | t | |
| 1Ц2У-160-12,5 | 22k6 | 42 | 6 | 24,5 | 50m6 | 105 | 14 | 53,5 |
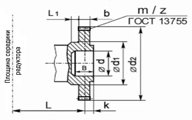
Приєднувальні розміри у вигляді зубчастої напівмуфти редуктора 1Ц2У-160

| Типорозмір | b | d | 1 | 2 | 3 | L | l | 1 | Зачеплення | |
| m | z | |||||||||
| 1Ц2У-160-12,5 | 20 | 168 | 90 | 72F8 | 95 | 165 | 9 | 38 | 4 | 40 |
Технічні характеристики редуктора 1Ц2У-160
| Найменування технічних характеристик | Од. вим. | Типорозмір | |
| 1Ц2У-160 | |||
| Передавальні числа | 12,5 | ||
|
Допустиме радіальне консольне навантаження |
на швидкохідному валу | Н | 1000 |
| на тихохідному валу | 9000 | ||
|
Номінальний момент, що крутить, на вихідному валу |
Н.м | 1250 | |
| ККД | % | 0,97 | |
| Маса | кг | 95 | |
Варіанти складання редукторів 1Ц2У

Приклад умовного позначення редуктора 1Ц2У-160

Редуктор цилиндрический 1Ц2У-160-12.5
Технічні характеристики
- ТипРедуктор
- Тип редуктораЦиліндричний
- Кількість робочих ступенів2
- Тип корпусуЛитою
- Частота обертання вхідного валу1800
- Вага95
- Розташування валів редуктораГоризонтальне
- Номінальне передатне число12.5
- Спосіб кріпленняНа лапки
- Тип робочого навантаженняРеверсивна
- Матеріал корпусуалюміній, сталь, чавун
- Супровідний документПаспорт
- Гарантія12 місяців
- СтанНове
Відгуків про цей товар ще не було.
