- Які характеристики має товар Редуктор циліндричний 1Ц2У-200-12.5? ❯
- Яка ціна товару Редуктор циліндричний 1Ц2У-200-12.5 і чи вона актуальна? ❯
- До якої категорії належить товар Редуктор циліндричний 1Ц2У-200-12.5? ❯
- Чи можна замовити доставку для товару Редуктор циліндричний 1Ц2У-200-12.5? ❯
- Які переваги покупки Редуктор циліндричний 1Ц2У-200-12.5 саме у цього виробника KrepZevs? ❯
- Де можна знайти інші товари, схожі на Редуктор циліндричний 1Ц2У-200-12.5? ❯
- ВиробникKrepZevs
- НаявністьВ наявності
- ТипРедуктор
- Тип редуктораЦиліндричний
- Усі характеристики
- Мінімальна сумма замовлення - 2000 грн
- Надійна сировина та обладнання: Компанія використовує перевірену сировину та сучасне обладнання для виробництва кріпильних елементів.
- Дослідна команда: Виробництвом стандартних та спеціальних рішень займається команда професіоналів.
- Співпраця з виробниками: Компанія співпрацює з відповідальними заводами-виробниками з України та Європи.
Циліндричний двоступінчастий редуктор 1Ц2У-200-12.5
Двоступеневий редуктор 1Ц2У-200-12,5 є промисловим агрегатом, сфера застосування, якого включає багато сфер народного господарства. Встановлюють редуктори зниження швидкості обертання веденого валу по відношенню до ведучого і збільшення крутного моменту в приводах. Отже, відбувається оптимізація виробничого процесу.
Купити редуктор 1Ц2У-200-12.5, ціна якого буде залежати від варіанта складання, ви можете прямо зараз, зателефонувавши за телефоном, вказаним на сайті. За дотримання експлуатаційних вимог, зазначених у супровідних документах, редуктори прослужать багато років без поломок та перебоїв.
На нашому сайті можна знайти великий вибір циліндричних редукторів. Купити редуктор 1Ц2У-200 можна, зателефонувавши за телефоном, вказаним на сайті. Наші менеджери нададуть вам розгорнуту інформацію щодо характеристик редуктора, умов придбання та доставки. Доставка можлива в будь-яку точку України у найближчий термін.
Схема габаритних і приєднувальних розмірів редуктора 1Ц2У-200

| Типорозмір | wт | wб | A | B | 1 | H | 1 | h | L | 1 | 2 | 3 | 4 | 5 | d |
| 1Ц2У - 200-12,5 | 200 | 125 | 515 | 230 | 165 | 420 | 212 | 30 | 670 | 580 | 165 | 236 | 212 | 280 | 24 |
Приєднувальні розміри конічних валів редуктора 1Ц2У-200

| Типорозмір | швидкохідний | тихохідний | ||||||||||
| d | 1 | l | 1 | b | t | d | 1 | l | 1 | b | t | |
| 1Ц2У-200-12,5 | 30 | М20х1,5 | 80 | 58 | 5 | 15,55 | 70 | М48х3,0 | 140 | 105 | 18 | 36,38 |
Приєднувальні розміри циліндричних валів редуктора 1Ц2У-200

| Типорозмір | швидкохідний | тихохідний | ||||||
| d | l | b | t | d | l | b | t | |
| 1Ц2У-200-12,5 | 25k6 | 58 | 8 | 28 | 65m6 | 105 | 18 | 69 |
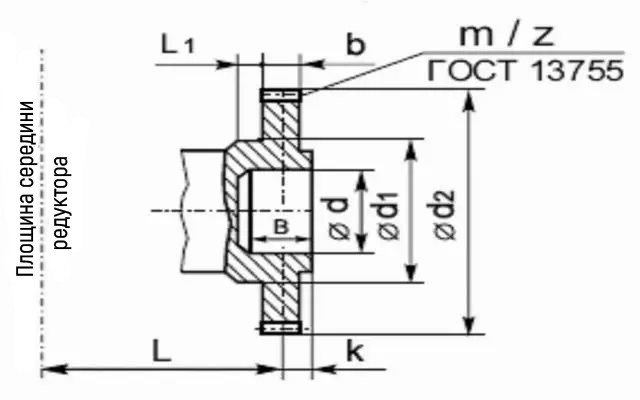
Приєднувальні розміри у вигляді зубчастої напівмуфти редуктора 1Ц2У-200

| Типорозмір | b | d | 1 | 2 | 3 | L | l | 1 | Зачеплення | |
| m | z | |||||||||
| 1Ц2У-200-12,5 | 25 | 210 | 100 | 80F8 | 105 | 192 | 10 | 50 | 5 | 40 |
Технічні характеристики редуктора 1Ц2У-200
| Найменування технічних характеристик | Од. вим. | Типорозмір | |
| 1Ц2У-200 | |||
| Передавальні числа | 12,5 | ||
|
Допустиме радіальне консольне навантаження |
на швидкохідному валу | Н | 2240 |
| на тихохідному валу | 12500 | ||
|
Номінальний момент, що крутить, на вихідному валу |
Н.м | 2500 | |
| ККД | % | 0,97 | |
| Маса | кг | 170 | |
Варіанти складання редукторів 1Ц2У

Приклад умовного позначення редуктора 1Ц2У-200

Редуктор цилиндрический 1Ц2У-200-12.5
Технічні характеристики
- ТипРедуктор
- Тип редуктораЦиліндричний
- Кількість робочих ступенів2
- Тип корпусуЛитою
- Частота обертання вхідного валу1800
- Вага170
- Розташування валів редуктораГоризонтальне
- Номінальне передатне число12.5
- Спосіб кріпленняНа лапки
- Тип робочого навантаженняпостійна, змінна, реверсивна
- Матеріал корпусуалюміній, сталь, чавун
- Супровідний документПаспорт
- Міжосьова відстань200
- Гарантія12 місяців
- СтанНове
Відгуків про цей товар ще не було.
