- Які характеристики має товар Редуктор циліндричний 1Ц2У-250-31.5? ❯
- Яка ціна товару Редуктор циліндричний 1Ц2У-250-31.5 і чи вона актуальна? ❯
- До якої категорії належить товар Редуктор циліндричний 1Ц2У-250-31.5? ❯
- Чи можна замовити доставку для товару Редуктор циліндричний 1Ц2У-250-31.5? ❯
- Які переваги покупки Редуктор циліндричний 1Ц2У-250-31.5 саме у цього виробника KrepZevs? ❯
- Де можна знайти інші товари, схожі на Редуктор циліндричний 1Ц2У-250-31.5? ❯
- ВиробникKrepZevs
- НаявністьВ наявності
- ТипРедуктор
- Тип редуктораЦиліндричний
- Усі характеристики
- Мінімальна сумма замовлення - 2000 грн
- Надійна сировина та обладнання: Компанія використовує перевірену сировину та сучасне обладнання для виробництва кріпильних елементів.
- Дослідна команда: Виробництвом стандартних та спеціальних рішень займається команда професіоналів.
- Співпраця з виробниками: Компанія співпрацює з відповідальними заводами-виробниками з України та Європи.
Циліндричний двоступінчастий редуктор 1Ц2У-250-31.5
Редуктор 1Ц2У-250-31.5, ціна якого залежить від варіанта складання, призначені для встановлення у різних виробничо-промислових сферах для оптимізації виробничого процесу. Основне завдання перетворювача полягає в отриманні необхідних значень швидкості обертання валів і моменту, що крутить, який приводить в рух пристрій.
Дані редуктори є найпотужнішими зі своєї лінії. А також їх цінують за високий рівень ККД, витривалість та тривалий експлуатаційний термін.
Купити редуктори 1Ц2У-250, ціна яких є більш ніж прийнятною, можна на нашому сайті компанії «Зевс», заповнивши on-line заявку. У нашому каталозі ви знайдете також великий асортимент циліндричних редукторів типу 1Ц2У. Підібрати необхідний монтажний варіант дуже просто, оскільки дані перетворювачі мають велику кількість варіантів складання.
Схема габаритних і приєднувальних розмірів редуктора 1Ц2У-250

| Типорозмір | wт | wб | A | B | 1 | H | 1 | h | L | 1 | 2 | 3 | 4 | 5 | d |
| 1Ц2У - 250-31,5 | 250 | 160 | 670 | 280 | 218 | 515 | 265 | 32 | 825 | 730 | 212 | 290 | 265 | 335 | 28 |
Приєднувальні розміри конічних валів редуктора 1Ц2У-250

| Типорозмір | швидкохідний | тихохідний | ||||||||||
| d | 1 | l | 1 | b | t | d | 1 | l | 1 | b | t | |
| 1Ц2У-250-31,5 | 40 | М24х2,0 | 110 | 82 | 10 | 20,9 | 90 | М64х4,0 | 170 | 130 | 22 | 46,75 |
Приєднувальні розміри циліндричних валів редуктора 1Ц2У-250

| Типорозмір | швидкохідний | тихохідний | ||||||
| d | l | b | t | d | l | b | t | |
| 1Ц2У-250-31,5 | 35k6 | 82 | 10 | 38 | 85m6 | 170 | 22 | 90 |
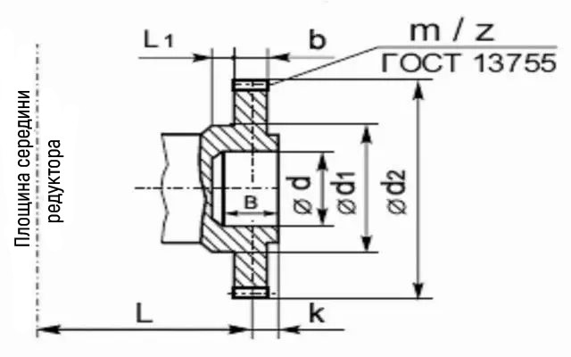
Приєднувальні розміри у вигляді зубчастої напівмуфти редуктора 1Ц2У-250

| Типорозмір | b | d | 1 | 2 | 3 | L | l | 1 | Зачеплення | |
| m | z | |||||||||
| 1Ц2У-250-31,5 | 30 | 232 | 150 | 120F8 | 170 | 231 | 10 | 50 | 4 | 56 |
Технічні характеристики редуктора 1Ц2У-250
| Найменування технічних характеристик | Од. вим. | Типорозмір | |
| 1Ц2У-250 | |||
| Передавальні числа | 31,5 | ||
|
Допустиме радіальне консольне навантаження |
на швидкохідному валу | Н | 3150 |
| на тихохідному валу | 18000 | ||
|
Номінальний момент, що крутить, на вихідному валу |
Н.м | 5000 | |
| ККД | % | 0,97 | |
| Маса | кг | 320 | |
Варіанти складання редукторів 1Ц2У

Приклад умовного позначення редуктора 1Ц2У-250

Редуктор цилиндрический 1Ц2У-250-31.5
Технічні характеристики
- ТипРедуктор
- Тип редуктораЦиліндричний
- Кількість робочих ступенів2
- Тип корпусуЛитою
- Частота обертання вхідного валу1800
- Вага320
- Розташування валів редуктораГоризонтальне
- Номінальне передатне число31.5
- Спосіб кріпленняНа лапки
- Тип робочого навантаженняпостійна, змінна, реверсивна
- Матеріал корпусуалюміній, сталь, чавун
- Супровідний документПаспорт
- Міжосьова відстань250
- Гарантія12 місяців
- СтанНове
Відгуків про цей товар ще не було.
