- Які характеристики має товар Редуктор циліндричний 1Ц2У-315-8? ❯
- Яка ціна товару Редуктор циліндричний 1Ц2У-315-8 і чи вона актуальна? ❯
- До якої категорії належить товар Редуктор циліндричний 1Ц2У-315-8? ❯
- Чи можна замовити доставку для товару Редуктор циліндричний 1Ц2У-315-8? ❯
- Які переваги покупки Редуктор циліндричний 1Ц2У-315-8 саме у цього виробника KrepZevs? ❯
- Де можна знайти інші товари, схожі на Редуктор циліндричний 1Ц2У-315-8? ❯
- ВиробникKrepZevs
- НаявністьВ наявності
- ТипРедуктор
- Тип редуктораЦиліндричний
- Усі характеристики
- Мінімальна сумма замовлення - 2000 грн
- Надійна сировина та обладнання: Компанія використовує перевірену сировину та сучасне обладнання для виробництва кріпильних елементів.
- Дослідна команда: Виробництвом стандартних та спеціальних рішень займається команда професіоналів.
- Співпраця з виробниками: Компанія співпрацює з відповідальними заводами-виробниками з України та Європи.
Циліндричний двоступінчастий редуктор 1Ц2У-315-8
Редуктори 1Ц2У-315-8 є потужними перетворювачами енергії електродвигуна до приводу пристрою загальнопромислового призначення. Агрегати мають горизонтальне виконання, циліндричний тип передачі та два ступені. Вали редуктора розташовані паралельно і мають виходи у горизонтальній площині. Кінці можуть мати циліндричне чи конічне виконання. За бажанням, можливе виконання кінців у вигляді зубчастої напівмуфти.
Зателефонувавши, за телефоном вказаним на сайті, ви отримаєте детальну консультацію щодо будь-якого конструкційного питання. Наші менеджери завжди раді допомогти вам з вибором пристрою, надавши прозору інформацію про агрегат, способи доставки та оплати. Ви можете купити редуктор 1Ц2У-315, ціна якого є цілком прийнятною, з передавальними числами в діапазоні від 8 до 40. Також існує 18 варіантів складання перетворювача, що дозволяє легко підібрати необхідний монтажний варіант.
Співпрацюючи з компанією «Зевс» ви отримуєте:
- обслуговування європейської якості;
- якісні пристрої за доступною ціною;
- професійну консультацію;
- унікальний паспорт;
- гарантію від виробника на 12 місяців;
- своєчасну доставку.
Схема габаритних і приєднувальних розмірів редуктора 1Ц2У-315

| Типорозмір | A wт | A wб | B | B1 | B2 | H | H1 | h | L | L1 | L2 | L3 | L4 | L5 | d |
| 1Ц2У - 315-8 | 315 | 200 | 395 | 260 | 318 | 685 | 335 | 35 | 1030 | 370 | 215 | 360 | 300 | 420 | 28 |
Приєднувальні розміри конічних валів редуктора 1Ц2У-315

| Типорозмір | швидкохідний вал | тихохідний вал | ||||||
| d | l | b | t | d | l | b | t | |
| 1Ц2У-315-8 | 50k6 | 110 | 14 | 53,5 | 110m6 | 210 | 28 | 116 |
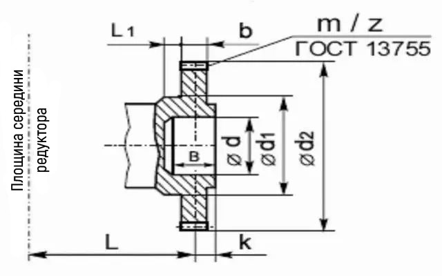
Приєднувальні розміри циліндричних валів редуктора 1Ц2У-315

| Типорозмір | b | d | d1 | d2 | d3 | L | l | l1 | Зачеплення | |
| m | z | |||||||||
| 1Ц2У-315-8 | 30 | 252 | 130 | 110F8 | 140 | 275 | 10 | 60 | 6 | 40 |
Приєднувальні розміри у вигляді зубчастої напівмуфти редуктора 1Ц2У-315

| Типорозмір | b | d | d1 | d2 | d3 | L |
| 1Ц2У-315-8 | 5 | 110h9 | 75h9 | 55 | М8х20 | 200 |
Технічні характеристики редуктора 1Ц2У-315
| Найменування технічних характеристик | Од. зм. | Типорозмір | |
| 1Ц2У-315 | |||
| Передавальні числа | 8 | ||
|
Допустиме радіальне консольне навантаження |
на швидкохідному валу | Н | 3500 |
| на т/х циліндричному валу | 30000 | ||
| на т/х валу у вигляді зубчастої муфти | 40000 | ||
|
Номінальний момент, що крутить, на вихідному валу |
Н.м. | 10000 | |
| ККД | % | 0,98 | |
| Маса | кг | 510 | |
Варіанти складання редукторів 1Ц2У

Приклад умовного позначення редуктора 1Ц2У-315

Редуктор цилиндрический 1Ц2У-315-8
Технічні характеристики
- ТипРедуктор
- Тип редуктораЦиліндричний
- Кількість робочих ступенів2
- Тип корпусуЛитою
- Частота обертання вхідного валу1800
- Вага510
- Розташування валів редуктораГоризонтальне
- Номінальне передатне число8
- Спосіб кріпленняНа лапки
- Тип робочого навантаженняпостійна, змінна, реверсивна
- Матеріал корпусуалюміній, сталь, чавун
- Супровідний документПаспорт
- Міжосьова відстань315
- Гарантія12 місяців
- СтанНове
Відгуків про цей товар ще не було.
