- Які характеристики має товар Редуктор циліндричний 1Ц2У-355-25? ❯
- Яка ціна товару Редуктор циліндричний 1Ц2У-355-25 і чи вона актуальна? ❯
- До якої категорії належить товар Редуктор циліндричний 1Ц2У-355-25? ❯
- Чи можна замовити доставку для товару Редуктор циліндричний 1Ц2У-355-25? ❯
- Які переваги покупки Редуктор циліндричний 1Ц2У-355-25 саме у цього виробника KrepZevs? ❯
- Де можна знайти інші товари, схожі на Редуктор циліндричний 1Ц2У-355-25? ❯
- ВиробникKrepZevs
- НаявністьВ наявності
- ТипРедуктор
- Тип редуктораЦиліндричний
- Усі характеристики
- Мінімальна сумма замовлення - 2000 грн
- Надійна сировина та обладнання: Компанія використовує перевірену сировину та сучасне обладнання для виробництва кріпильних елементів.
- Дослідна команда: Виробництвом стандартних та спеціальних рішень займається команда професіоналів.
- Співпраця з виробниками: Компанія співпрацює з відповідальними заводами-виробниками з України та Європи.
Циліндричний двоступінчастий редуктор 1Ц2У-355-25
Редуктор 1Ц2У-355-25 є агрегатом, який призначений для зміни кутової швидкості валів та моменту, що крутить. Оскільки даний редуктор є демультиплікатором, його робота спрямована збільшення показників крутного моменту. Це допомагає покращити виробничий процес та зменшити енергетичні втрати.
Максимально допустима швидкість обертання вхідного валу має перевищувати 1800 оборотів на хвилину. Але якщо редуктор використовуватиметься з реверсивним навантаженням, швидкість валу слід зменшити на 30%.
Правильний вибір редуктора гарантує зниження економічних втрат під час виробництва, а також скорочує час та сили на ремонт та обслуговування. На сайті компанії виробника «Зевс» ви можете купити редуктор 1Ц2У-355, ціна якого нижча за ринкову. Зателефонувавши, наші менеджери нададуть вам повну інформацію щодо перетворювача та проконсультують з питань доставки та оплати.
Схема габаритних та приєднувальних розмірів редуктора 1Ц2У-355

|
Типорозмір |
A wт | A wб | B | B1 | B2 | H | H1 | h | L | L1 | L2 | L3 | L4 | L5 | d |
| 1Ц2У - 355-25 | 355 | 225 | 435 | 280 | 360 | 740 | 375 | 35 | 1160 | 425 | 250 | 400 | 320 | 440 | 28 |
Приєднувальні розміри конічних валів редуктора 1Ц2У-355

| Типорозмір | швидкохідний вал | тихохідний вал | ||||||
| d | l | b | t | d | l | b | t | |
| 1Ц2У-355-25 | 55m6 | 110 | 16 | 59 | 125m6 | 210 | 32 | 132 |
Приєднувальні розміри циліндричних валів редуктора 1Ц2У-355

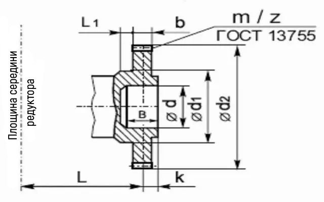
| Типорозмір | b | d | d1 | d2 | d3 | L | l | l1 | Зачеплення | |
| m | z | |||||||||
| 1Ц2Н-355-25 | 35 | 294 | 130 | 110F8 | 140 | 310 | 12.5 | 65 | 7 | 40 |
Приєднувальні розміри у вигляді зубчастої напівмуфти редуктора 1Ц2У-355

| Типорозмір | b | d | d1 | d2 | d3 | L |
| 1Ц2У-355-25 | 5 | 125h9 | 75h9 | 55 | М8х20 | 235 |
Технічні характеристики редуктора 1Ц2У-355
|
Найменування технічних характеристик |
Од. вим |
Типорозмір |
|
| 1Ц2У-355 | |||
|
Передавальні числа |
25 | ||
|
Допустиме радіальне консольне навантаження |
на швидкохідному валу | Н | 4200 |
| на т/х циліндричному валу | 40000 | ||
| на т/х валу у вигляді зубчастої муфти | 50000 | ||
|
Номінальний момент, що крутить, на вихідному валу |
Н.м. | 14000 | |
| ККД | % | 0,98 | |
| Маса | кг | 700 | |
Варіанти складання редукторів 1Ц2У

Приклад умовного позначення редуктора 1Ц2У-355

Редуктор цилиндрический 1Ц2У-355-25
Технічні характеристики
- ТипРедуктор
- Тип редуктораЦиліндричний
- Кількість робочих ступенів2
- Тип корпусуЛитою
- Частота обертання вхідного валу1800
- Вага700
- Розташування валів редуктораГоризонтальне
- Номінальне передатне число25
- Спосіб кріпленняНа лапки
- Тип робочого навантаженняпостійна, змінна, реверсивна
- Матеріал корпусуалюміній, сталь, чавун
- Супровідний документПаспорт
- Міжосьова відстань355
- Гарантія12 місяців
- СтанНове
Відгуків про цей товар ще не було.
