- Які характеристики має товар Редуктор циліндричний 1Ц2У-355-40? ❯
- Яка ціна товару Редуктор циліндричний 1Ц2У-355-40 і чи вона актуальна? ❯
- До якої категорії належить товар Редуктор циліндричний 1Ц2У-355-40? ❯
- Чи можна замовити доставку для товару Редуктор циліндричний 1Ц2У-355-40? ❯
- Які переваги покупки Редуктор циліндричний 1Ц2У-355-40 саме у цього виробника KrepZevs? ❯
- Де можна знайти інші товари, схожі на Редуктор циліндричний 1Ц2У-355-40? ❯
- ВиробникKrepZevs
- НаявністьВ наявності
- ТипРедуктор
- Тип редуктораЦиліндричний
- Усі характеристики
- Мінімальна сумма замовлення - 2000 грн
- Надійна сировина та обладнання: Компанія використовує перевірену сировину та сучасне обладнання для виробництва кріпильних елементів.
- Дослідна команда: Виробництвом стандартних та спеціальних рішень займається команда професіоналів.
- Співпраця з виробниками: Компанія співпрацює з відповідальними заводами-виробниками з України та Європи.
Циліндричний двоступінчастий редуктор 1Ц2У-355-40
Купуючи якісний перетворювач енергії, ви вирішуєте відразу багато питань щодо оптимізації виробничого процесу. Одним із найпопулярніших перетворювачів є редуктор 1Ц2У-355-40. Даний пристрій підвищує момент, що крутить, знижуючи при цьому частоту обертів валу в приводах загального призначення.
Такі редуктори можуть працювати із періодичними зупинками або без зупинок протягом доби. Навантаження, з якими можна використовувати агрегати, можуть бути незмінними, змінними або реверсивними.
Правильний вибір редуктора гарантує зниження економічних втрат під час виробництва, а також скорочує час та сили на ремонт та обслуговування. На сайті компанії виробника «Зевс» ви можете купити редуктор 1Ц2У-355, ціна якого нижча за ринкову. Зателефонувавши, наші менеджери нададуть вам повну інформацію щодо перетворювача та проконсультують з питань доставки та оплати.
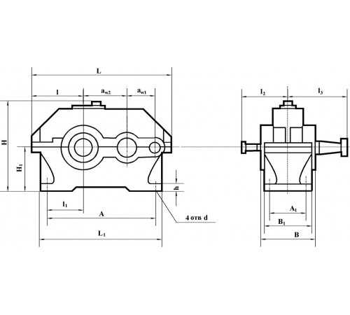
Схема габаритних і приєднувальних розмірів редуктора 1Ц2У-355

| Типорозмір | A wт | A wб | B | B1 | B2 | H | H1 | h | L | L1 | L2 | L3 | L4 | L5 | d |
| 1Ц2У - 355-40 | 355 | 225 | 435 | 280 | 360 | 740 | 375 | 35 | 1160 | 425 | 250 | 400 | 320 | 440 | 28 |
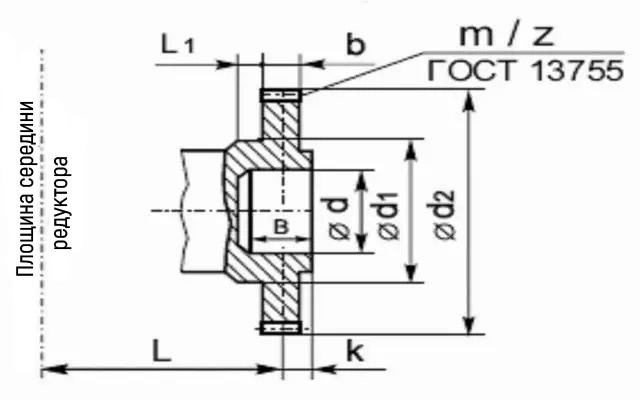
Приєднувальні розміри конічних валів редуктора 1Ц2У-355

| Типорозмір | швидкохідний вал | тихохідний вал | ||||||
| d | l | b | t | d | l | b | t | |
| 1Ц2У-355-40 | 55m6 | 110 | 16 | 59 | 125m6 | 210 | 32 | 132 |
Приєднувальні розміри циліндричних валів редуктора 1Ц2У-355

| Типорозмір | b | d | d1 | d2 | d3 | L | l | l1 | Зачеплення | |
| m | z | |||||||||
| 1Ц2Н-355-40 | 35 | 294 | 130 | 110F8 | 140 | 310 | 12.5 | 65 | 7 | 40 |
Приєднувальні розміри у вигляді зубчастої напівмуфти редуктора 1Ц2У-355

| Типорозмір | b | d | d1 | d2 | d3 | L |
| 1Ц2У-355-40 | 5 | 125h9 | 75h9 | 55 | М8х20 | 235 |
Технічні характеристики редуктора 1Ц2У-355
| Найменування технічних характеристик | Од. вим. | Типорозмір | |
| 1Ц2У-355 | |||
| Передавальні числа | 40 | ||
|
Допустиме радіальне консольне навантаження |
на швидкохідному валу | Н | 4200 |
| на т/х циліндричному валу | 40000 | ||
| на т/х валу у вигляді зубчастої муфти | 50000 | ||
|
Номінальний момент, що крутить, на вихідному валу |
Н.м. | 14000 | |
| ККД | % | 0,98 | |
| Маса | кг | 700 | |
Варіанти складання редукторів 1Ц2У

Приклад умовного позначення редуктора 1Ц2У-355

Редуктор цилиндрический 1Ц2У-355-40
Технічні характеристики
- ТипРедуктор
- Тип редуктораЦиліндричний
- Кількість робочих ступенів2
- Тип корпусуЛитою
- Частота обертання вхідного валу1800
- Вага700
- Розташування валів редуктораГоризонтальне
- Номінальне передатне число40
- Спосіб кріпленняНа лапки
- Тип робочого навантаженняпостійна, змінна, реверсивна
- Матеріал корпусуалюміній, сталь, чавун
- Супровідний документПаспорт
- Міжосьова відстань355
- Гарантія12 місяців
- СтанНове
Відгуків про цей товар ще не було.
